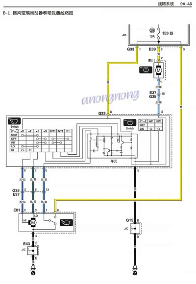
问 哪位大神知道雨燕的雨刷间歇继电器在什么位置,谢谢! 删除 推荐精华 置顶 取消置顶 关闭回复 打开回复 推荐编辑 楼主禁言 移动帖子 重置头像 操作记录 烟台车友2742106 0浏览 · 2023-07-16 19:39· 发布于山东 哪位置知道雨燕的雨刷间歇继电器在什么位置,谢谢! 举报 打开汽车之家 阅读体验更好 相关问题 更多 问后座椅如何拆卸? 0回答 问汽油滤芯油管 0回答 问违法求帮助,谢谢 0回答 问雨燕门锁拆卸 0回答 问卖车、卖车、卖车 0回答 问刚打火的时候车不走 0回答 全部回复 只看楼主 大片儿 关禁闭 已屏蔽 雨燕 离合器上方位置有个白色的BCM盒 盒子拆下来背面找一下吧 2023-07-17 09:59 来自吉林 回复 沙发 屏蔽此人 举报 删除 取消删除 禁言 重置头像 共有条对话 > xiebing08 关禁闭 已屏蔽 腾势D9 没那玩意,雨刷电机内部,出多根线,不同通电速度不同。 2023-07-17 10:45 来自浙江 回复 板凳 屏蔽此人 举报 删除 取消删除 禁言 重置头像 共有条对话 > 南京anongnong 关禁闭 已屏蔽 智跑 雨燕没有雨刷间歇继电器,速度是电子调节的。参考图纸:线束接头的位置见下图: 2023-07-17 14:56 来自江苏 回复 地板 屏蔽此人 举报 删除 取消删除 禁言 重置头像 共有条对话 > 香港佬 关禁闭 已屏蔽 启辰M50V 没有 2023-07-17 18:46 来自中国香港 回复 屏蔽此人 举报 删除 取消删除 禁言 重置头像 共有条对话 > 还想在主楼增加内容?点击续写主楼内容 登录 参与更多互动 发表回复 打开App,查看更多评论 首 页 上一页 下一页 末 页 跳 转 取 消 还想在主楼增加内容?点击续写主楼内容 登录 参与更多互动 系统故障 发表回复 图片最多上传9张 微信好友 微信朋友圈 新浪微博 QQ好友 QQ空间 取消 相关推荐 加载中