完美解决森林人CD方控键不够用问题!
小F升级森林人后音质确实提升不少,但是森林人的强大功能却不能完美体现出来,原因就在方控键上。森林人的蓝牙功能有些部分,机子自身没有按钮,需要靠方控键来完成,比如接挂电话,蓝牙连接等。可是小F原装方控只有左键,右键很难找,再有就是方向盘里的续流环也需要另加线路太麻烦了,有些神人可以自己“开发”右键,我想大部分童鞋是没有这个动手能力的吧?比如我!呵呵!左键只能胜任音响的控制,却没有蓝牙控制的按钮,怎么办呢?于是本人在论坛的前辈中学习了一招,虽不雅观,却挺实用,下面我就介绍一下本人的作业,只需左键就能控制全部功能,续流环上也无需重新走线,用之前改好的三根线就好!
首先是方控电阻的改装,论坛里有好多不多说明。

原来的方控线好像是红绿黑,红色方控,绿色小灯+,黑色小灯-。现在改好后红色是SR-,在另加一蓝色这条SR+(SR1),黄色的SR2就不要了。改好后一共四根线,灯的+和-,SR+和SR-.

这就是方控键四根线的接法,小灯+还在原来的位置,小灯-就不能再用那跟了。得节省下来接SR+,原方控接SR-,至于小灯-也就是搭铁线就接在图标处孔里的螺丝上,(注意,不能接在上面这层铁皮上,必须接在下面的生铁块上。)

续流环下小灯的黑线就没用了,剪断后接长点备用,嘿嘿!

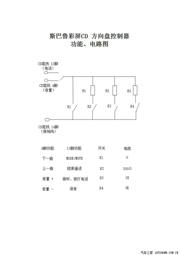
这开关大家知道是什么吗?双路开关(报废车上拆下的!呵呵)。就是说利用原来的方控线做SR-接在CD对应的插针上,而从CD机上再拉出SR1 SR2到这个开关上,然后把刚才剪断那个黑线当成这两根线的公共线,用着开关控制SR1和SR2的转换。看看前辈的这张图吧!

大家理解我的意思吗?呵呵!本人已经改好了,完美使用中!就是有点麻烦,不过这也是没办法中的办法啊?呵呵!
斑竹!我帖子发了不少,可还没认证呢,希望给个精能认证一下!谢谢!
打开汽车之家 阅读体验更好
举报/纠错