【技术解析】抬头显示系统-福克斯中的战斗机!
国内公路一大特色就是堵,开车上路即便心情再好,碰到不守规矩的司机,也很容易冲动。为了控制自己情绪,特别制作了HUD抬头显示系统,提醒自己路上要淡定。
什么是HUD?为什么一定得是HUD? 在前挡上用及时贴写上字不行吗?
HUD是平视显示器-(Head Up Display)的简称。平视显示器(Head Up Display),是目前普遍运用在航空器上的飞行辅助仪器。平视的意思是指飞行员不需要低头就能够看到他需要的重要资讯。平视显示器最早出现在军用飞机上,降低飞行员需要低头查看仪表的频率,避免注意力中断以及丧失对状态意识(Situation Awareness)的掌握。因为HUD的方便性以及能够提高飞行安全,民航机也纷纷跟进安装。一些汽车企业为了提高驾驶安全,也采用了HUD系统。

为了安全,一定得要HUD。HUD只有眼睛聚焦到那里的时候才会注意到它(为了拍到下面的照片,可费了劲了,相机对焦可没眼睛那么智能)。HUD显示不会在行驶中干扰司机视线,正常驾驶眼睛注意观察路况就行了,这时候人的眼睛看不到HUD内容,HUD处于“隐形状态”,其实它还在那里,只是眼睛注意不到罢了,这样就保证驾驶员的眼睛能一直关注路况。HUD充分利用了人眼的智能对焦功能。
如果用了及时贴直接粘前挡风上的话,非常危险。因为及时贴会遮挡部分视线(特别是驾驶室正前方),会给行车安全带来隐患,而且及时贴的内容不会“隐形”,司机容易只顾看字,忘了看车。。。这就背离了放置HUD的初衷。
先来看看有汉字显示的HUD系统:
首先在仪表的显示屏上方有汉字:淡定
转速表和时速表上都有醒目的指示,分别提示最低换挡转速和经济时速。
HUD抬头显示系统,如果前方有车,会更清晰。夜里如果对方有灯,也会更清晰:
路口转弯时的效果,这么混乱的路口,不淡定怎么行?
再来看看OBD系统以及其功能:
头文字D中陈冠希用电脑分析车辆数据的镜头 相信你见过 用电脑读取汽车各项数据 观察和分析各个部件状态不管对于改车还是日常开车都是非常有用的 早期的汽车 没有标准的传感器接口 很难把数据输出到电脑上 最多也就只能输出到各种仪表而已。
08年开始 国家强制执行了OBD2标准,其实欧美的车型早就用OBD了。欧洲用的叫EOBD。大致都是通过诊断口来读取分析汽车内部数据。现在介绍一下核心设备 ELM327 。
EL327介绍
支持所有的OBD-Ⅱ协议,蓝牙输出,更方便连接到笔记本电脑。
产品特性:
OBD-Ⅱ协议:ISO15765-4 (CAN)
ISO14230-4 (KWP2000)
ISO9141-2
J1850 VPW
J1850 PWM
产品功能:
读取故障码并知道故障码的含义、清除汽车的故障码、显示传感器数据(其中包括:发动机转速、冷却液温度、车辆速度、进气歧管压力、进气温度、空气流速、节气门位置、氧传感器电压、燃油压力等等)还有其他更多先进功能……
不同品牌的设备外形千差万别,但其内部是这个样子的(就像不同品牌的电脑内部结构都差不多):

先把ELM327连到小福的OBD诊断接口,位置如下,

插座是CAN标准,下图显示的是蓝牙版本,可以支持手机读取引擎参数(手机上要装相应的软件并支持蓝牙):

连接:

福克斯有两个ECU(可以理解为双核,也可以理解为两个不同的存储设备):

可以看到的数据:

虚拟仪表:

燃油消耗计算:

系统状态:

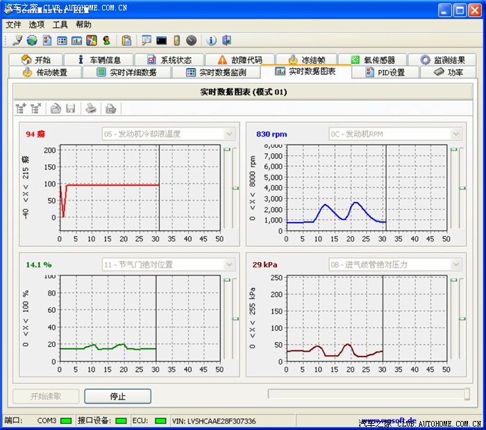
选取其中四个显示:

首先是水温 福克斯水温表 不知道大家有没有同感 完全就是乱显的 温度从60-90 也就几秒钟的事情 只有进工程模式 才能看到正确的数值 现在好了 通过MasterScan 就能看到发动机真正的水温 这可是热车的最好参照啊
其次是转速 福克斯转速表很奇怪 每千转是四格 一格是250转 想要得到某一阶段的准确转速 还得心算个几秒 有这个 直观多了 精确到个位数
接下来是进气歧管真空压力 这也是一个非常有用的数据 能分析判断出汽车每个缸的工作状态 怠速的时候 进气歧管压力应该是一个稳定值 对于福克斯来说 这个值是28KPA 如果起伏不定 基本上就能说明某个缸工作不好了 对这个数值有兴趣的TX可以百度学习一下用进气歧管负压诊断故障的方法
这个是实时数据图表,怠速时踩了油门,不然看到的都是直线。
故障码,这个设备具有清除故障码的功能:

这里没有故障码。顺便多补充一些关于DTC的知识:
目前汽车的智能化程度很高,如果遇到故障灯亮,应该及时通过车载电脑读出故障码DTC了解故障的大致原因(就是在车载电脑的工程模式下,有一项就是DTC # XXXX)。自己可以学会识别DTC故障码,这样有助于快速判断故障根源,避免走弯路。
每个故障码都有特定含义,知道了大概问题所在,基本不会被忽悠,也能避免少走弯路(本来是排气系统一个小传感器的问题,有维修人员可能让你进排气系统都换)。
然而,一部车的故障码成千上万,怎么能记得住?其实故障码的编码是有规则的,掌握了规则就不难了。
下面看一下标准的DTC编码规则,例如这个故障码为P0420.
第一个字母表示故障类别:
P-动力系统
B-车身
C-底盘
U-网络或通信
第二位的数字分两类,国际标准(0)或者厂方自定义(1)。
第三位的数字表示子系统:
1-燃油和进气测量
2-燃油和进气测量
3-点火系统或引擎点火相关
4-辅助排放控制
5-车辆速度控制和怠速控制
6-车载电脑和输出信号
7-传动系统控制
8-传动系统控制
9-控制模块、输入输出信号等

更多的数据读取和显示:



可以选择第二个ECUL
第二个ECU的数据,和ECU1的数据结合起来才完整:
选取其中四个实时监测:



原来的HUD系统都需要把仪表板打开在后面接线,非常麻烦,而且容易导致4S店以此拒绝保修,不可靠。
通过上面的介绍,大家知道了HUD和OBD是什么,就应该有想法了——把两者结合起来多好。如果有了OBD版本的HUD就方便了,本想自己做,试着搜索了一下,发现这东西早就有了。在淘宝搜索OBD + HUD。
淘宝上OBD的解决方案有以下几种
1)液晶显示+OBD:就是带一块小液晶屏幕,还需要自己接OBD接口的车速线地线等:

2)OBD线:已经有一条OBD线,可以连接到车载电脑用软件读出相关信息,但查看要扭头(上面介绍的EL327就是一种);

3)OBD+HUD:拿这两个关键字搜索,便宜那种功能比较单一。
淘宝上的OBD接口HUD品种稀缺,质量比较稳定功能强大的产品是台湾省生产的,优点是可以提供瞬间油耗显示和百公里油耗显示:

功能说明:

连接方法:

台湾的比较贵,还发现一个上海的朋友开发了类似产品:



主要功能特点:
1.OBD接口HUD,即插即用,安装简单,免破线。
2.显示车速,转速,水温,电瓶电压功能。
3.精确大屏幕显示,易于阅读。
4.超速警告:四段式超速警告,可分別设定4个值,当车速超过时会以DD声提示。
5.最高速度显示记录:可记录这段行车所行驶过的最高速度。
6.水温过高报警,阀值可设,默认超过100度报警。
7.自动调节亮度:投射亮度随环境光线亮度自动改变。
8.可以正反显示。
9.带有USB接口,便于产品软件的无限升级。
价格我觉得很经济,不到300元,含运费。不是广告,这里就不说明具体店家了。自己可以搜到。
按照说明进行安装,连接方法和台湾版差不多,再温习一下台湾版的说明书:

福克斯的OBD接口位置:

接好后,把显示器放在仪表后方,要按下面的方式放,投射在前风挡的字才是正的:

启动车辆、打开HUD开关进行轮胎的参数设置,轮胎宽度,扁平比,轮辋直径(为了精确计算车速)。
调整按钮会显示不同内容:
效果图,走在上海的街道上:

如果夜间效果会更好。
和上面的EL327类似,此设备为只读设备,也就是说只可以读取OBD的信息,并将OBD代码显示为驾驶者能够看懂的信息,比如,车速、油耗、电压、温度等;不会修改ECU的控制数据,应该比较安全,同时由于采用OBD接口直插,没有破坏任何线路,4S也不会有任何接口拒绝保修。
最后再强调一下:
HUD只有眼睛聚焦到那里的时候才会注意到它,这和风挡上有污点或者落了一只虫子有本质区别。
HUD显示不会在行驶中干扰司机视线,正常驾驶眼睛注意观察路况就行了,这时候人的眼睛看不到HUD内容,HUD处于“隐形状态”,这也正是HUD的安全性所在。