17款君威增加车内后备箱开关
君威车内没有后备箱开关实在不方便,有时候车上的人去后备箱拿东西,都要说一下按车标下面,有的人说了也听不懂,依旧不懂怎么开。虽然钥匙也能开,但是坐在位置上掏钥匙实在麻烦。于是查找君威的电路图接了个后备箱开关。
完成效果

教程

首先准备一个后备箱开关,只要是负极输出的都行

后备箱开关接线示意:白色搭铁,红色接ACC,这两根是开关的灯。黑色接后备箱触发线

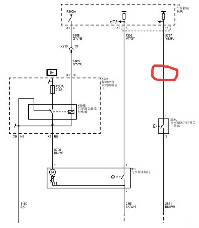
开关有了,现在就是要找后备箱开关的信号线。如果之前有装过升窗器,那位置就很好找了,就是K9车身控制模块的粉色插头,拔下来

拔出粉色插头后,找到第15号线,与后备箱开关黑色线并联


有装升窗器的,可以直接接到升窗器的线上,更方便。

并线位置与车外后备箱开关作用一样,锁车状态按无效,防止行车误触,解锁即可打开后备箱
打开汽车之家 阅读体验更好
举报/纠错