德赛MIB280C更换TDA7563B功放IC教程
原生态280C音质一般般,低音不足并发硬,高音不清晰。本打算更换TDA7850,网传有爆音并不完美。本次更换多数车友使用的TDA7563B。从车上拆下车机,此处省略一万字。。。。
材料成本 约50大洋
功放IC TDA7563B 1块(要买MLT生产的)
耦合电容 威马 0.22uf 4个
滤波电容 红宝石 10000uf 1个
材料成本 约50大洋
功放IC TDA7563B 1块(要买MLT生产的)
耦合电容 威马 0.22uf 4个
滤波电容 红宝石 10000uf 1个

拆下的车机,等待改装。


去下背面5个螺丝,FM天线处有一个螺丝也要去下,280C电路后盖板即可去下。

原功放IC TDA75610

国产 TDA75610LV。拆这个功放芯片最好用热风拆焊台。如果没有热风拆焊台,可直接剪断TDA75610LV的所有针脚,并用烙铁加热取下残留针脚。

TDA75610典型应用电路,功率输出 4*25W/4Ω喇叭

更换后的TDA7563B

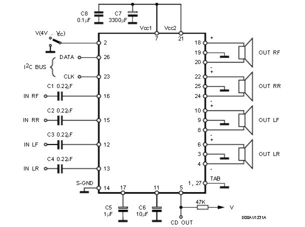
TDA7563B典型应用电路,功率输出 4*50W/4Ω喇叭

原电容2200uf ,更换红宝石 10000uf 电容,增大低音瞬间输出电流,解决低音无力,声音发硬。

电容比较大,更换后存在一定的空隙,用热熔胶填充,固定好。

图中4个是声道的耦合电容,操作空间较小。需要小心焊接。

取下电路板4个耦合电容,更换威马0.22uf电容,空间较小注意不要短路。

焊接好测试没有短路的情况下,用热熔胶固定。

最后上一个郊区油耗。到此更换TDA7563B完成。
更换TDA7563B音质提升一个档次,但不能以加独立功放和丹拿套装的对比。对音质要求不是太高的,可以考虑更换功放芯片。
更换TDA7563B音质提升一个档次,但不能以加独立功放和丹拿套装的对比。对音质要求不是太高的,可以考虑更换功放芯片。
打开汽车之家 阅读体验更好
举报/纠错