14款T600安装原车胎压监测作业

闲来无事某鱼入手众泰原厂胎压监测一套,价格合适果断入手,卖家称众泰全系通用,全新库存原厂件,已匹配好,到手直接装车。

到手如图,一个接收模块,4个发射模块,外加线束一条,此线束颜色与原厂有区别,红色电源正极,黑色负极,黄色CAN-H,绿色CAN-L,四个传感器上卖家标好了位置,安装时别弄错。另外看了下生产日期,一个15年11月的,3个16年3月的。内置胎压监测无法更换电池,理论上能用5年,实际要打折扣,所以打算入手的同学尽量购买日期新一些的。

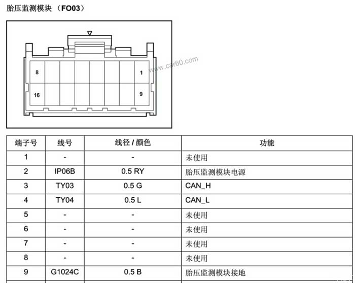
这是原厂电路图,一定要搞清楚两根CAN线的颜色和位置,记性不好的拍照,或者用纸记下,千万不能接反了。

拿出3块钱的汽车专用胶带准备包线,尽量模仿原车线束,图中模块自带的线束稍微有点短,再长60里面就好了,具体情况后文有介绍。

线束包好的样子,放到一边备用。

因为胎压监测要接到CAN线上,最方便且无损的地方就是OBD接口,准备一公一母两只OBD接口和对应的接线端子,准备做转接线,接口加端子2块6一只。背景为打印好的OBD接口图。

另外准备4条不同颜色的线,最好是红黑绿蓝,我没有绿色的,用白色代替。

一公一母做一个对插头,也就是延长线,怎么出来的怎么进去,这个应该都会,不多解释,区别就是从3号和11号分别引出CAN-H和CAN-L线,黑色任意接一根,红色不接,因为OBD是长电,有朋友反应长期通电容易造成电瓶亏电,所以正极我们最后再接。

同样的方法,用专用胶布把做好的线束包起来,注意红色的电源线稍微留长一点到时候接保险丝方便。这四根线做大约60厘米长,目的是弥补前面那条线束短的部分,当然各位要根据自己实际的情况来做线束,卖家的线不一定都是统一长度的,随机应变。

既然是原厂胎压,那就一定要装到原车位置。不在意的同学可以任意放在合适的位置,无所谓,不影响使用。翻出拆车手册,找到模块放置的位置。

一番周折后,拆开C柱下内饰板,终于看到了原厂胎压监测安装位置,图中2个正方形孔就是固定螺丝位置,可惜不仅线束省了,连塑料螺丝扣都省了。晚上作业,手机闪光灯拍摄,各位同学将就看下。

翻出几年前买的8块钱一包的混装卡扣,找出几个看起来差不多的,去车上比划下那种最好。

这两个貌似差不多,塞进去,准备装模块。

两个大圆头自攻螺丝把模块牢牢固定在自己的位置上,螺丝是挪用后备箱内饰板的,回头再配2个装上。

把卖家带的线束插上,整理好,线束跟着原车线束一路往下走,沿着门槛,内饰板,往离合器方向走。跟原车线束一样的布局。模块就完成了,恢复所有拆下的内饰板。

拆下原车OBD接口,把自己做的第二条线束对插上去,自己做的OBD头卡到原车的OBD接口位置,线束整理好,同样跟着原车线路由门槛下饰板往后门方向走。

如图所示,与原车线束用专用胶布缠到一起,看起来像不像原装的?哈哈。

两条线束刚好在主驾驶门中间位置会合,按照前面的电路图把他们接起来吧,正对正,负对负,CAN-H对CAN-H,CAN-L与CAN-L,千万别弄错,最好用防水插接件对接,方便维护,我手上刚好差一个母头,所以干脆用双层热缩管+防水胶布+专用胶布,4层保护。再次吐槽下卖家短60厘米的线束。。。。。。

就差接电源正极了,开始预留的稍微长一点的红色线还记得吗?参考电路图,原车是由IF02负责供电的。

打开OBD旁边的保险丝储物盒,背面有详细说明。

没有拍照片,上张图也能说明清楚,图中画圈的保险丝拔出来,红线接上去。讲究点的可以用保险丝取电线从IF02处取电。至此硬件安装告一段落,接下来随便找个汽修店,把四个胎压传感器装到轮子里去,我这边四轮安装加动平衡收费100元。中午送过去,下午下班去取车,没拍到照片。

拿到车后用电脑设置,进仪表系统,把TPMS状态改为存在。

同理,进BCM系统把TPMS系统也设为存在。

可以进到胎压系统了,顺便看一下版本,虽然看不出啥


上路奔跑吧,开出几百米胎压温度就都出来了,至此大功告成,本次作业结束。
特别鸣谢@安徽浩宇 同学在本次作业过程中的热心指导。特别注意:精英版只有一组CAN线,接上就行,尊贵版有2组CAN线,一定要接到第一组才能正常,接到2上是无法使用的,跟原车图示有所不同。
打开汽车之家 阅读体验更好
举报/纠错