胜达论坛
打开App查看
新胜达原车进口导航主机和功放接线
朋友车卖了送我了一套13款新胜达原车进口导航主机,和原车功放,问题是在离开原车的情况下把导航主机和功放按接线定义和外接电源连接好后没有声音。是不是导航主机和功放在离开原车的情况下都得各自加上协议盒才能发声。求大神指教!
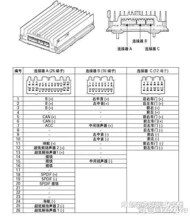
新胜达功放
进口导航主机数字同轴音频输出
后部接线面板
功放接头
这个接线定义不知对不对,
我把导航主机的CAN+和CAN-线对接了功放上的CAN+和CAN-不知道这样接对不对。请指教!
打开汽车之家 阅读体验更好
举报/纠错
2025/12/14 23:51:36