空调1、2、3档无风的车主有福了,手把手教你修电阻——六子作品
关于大家担心的安全问题,大家可以用时注意下,长时间开空调的情况下,隔段时间开下4档风速,给电阻降降温,这个焊接点只是个过热防护装置(为什么4档可以直通呢?),因为这个电阻使用中发热量很大,是最原始的一种限流装置,接下来我会想搞个AC-AC,这样接完全解决了这个问题,而且使用不发热,不费电,不赌风道,空调出来的风也可凉快那么一点点,都是优点
我的车没清洗空调,也出现了烧电阻的问题(1、2、3档无风),上个星期2去4S索赔,一个女的接待的,和她说1、2、3挡无风,她马上知道是烧电阻了,看样子这问题去修车的人还挺多的,然后她说要订货,电话通知你。我问道,这个应该是在索赔范围之内的吧,她说只要在3年10W公里内都能索赔(她没查我车辆保养信息)。我就一溜烟回家了。昨天电话打来说,我订的电阻和鼓风机到了(当时我要求她连鼓风机一起换了),吃完饭马上过去,结果是个男的接待我的,我和他说了事情的经过,他帮车开到修理间,然后去查我的车信息。说你的车1.5W后就没来保养了,这样的话不能索赔,总公司上交不上,如果少个几次可以帮你索赔,可现在都快6W公里了,所以抱歉。我说这个应该和保养应该没问题吧,应该是质量问题吧,他还是那句话,那修修要多少钱。风机890+电阻430+100工时,靠要1400多,你还是留着自己用吧,既然不能索赔,好的以后出险也不来你们4S了,88,说完我就一溜烟回家了。之前看了看电路图,电阻其实很简单的东西怎么会出问题呢,所以今天决定拆开看看,好了接下来看图说话。
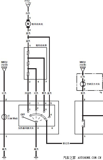
先看看电路图,看多简单的电路图

那就动手开拆吧,查了相关资料确定电阻在手套箱后面,从这开始拆

用力把下挡板拆了

拿下

准备好工具,可伸缩螺丝刀

断螺丝刀

打开手套箱,好家伙,果然在后面

上面的螺丝用长螺丝刀从手套箱拆

下面的螺丝用短螺丝刀从下面拆

卸掉螺丝,轻轻一拿下来了

拔掉插线拿回家

这东西既然是日本产的,难怪价格不菲,下面还有几个不知道是中文字还是日本字,反正读法和我们中国不一样,直接无视“修理再使用禁止”这几个字

轻轻地拿掉屁股盖,用老虎钳把这几个扣打开了,拿掉那铁罩
果然问题就出现这,这里脱焊了,估计温度高就弹开了,接下去该做什么可想而知

焊好它


装回去

然后就是上车了,整个过程很简单


看看这就是鼓风机,要拆他也很容易,只要拆开红圈的螺丝就下来了,还有一颗没拍到。等下次再挂了,去TB买个自己换上,TB好像200多一个,4S太黑了要贵4倍