207驭乐,Diagbox、装导航,定速限速、音乐手柄、车顶灯、胎压等
我的207 2010款1.4手动驭乐版,现在满2年了,过保了,开始折腾。
开始加装东东
一、改装必备工具。
a、标致雪铁龙诊断仪 360元

淘宝买的

配光盘的PP2000。 PP2000只能安装在XP上。
PP2000安装教程
引用老包修车的安装教程。
1修改语言。
进入控制面板中,找到区域和语言选项

2选择高级菜单,语言为中文中国

3修改语言为英语美国

4继续

5重新启动计算机
打开PP2000安装文件的文件夹

并且双击这个图标。

进行语言的选择,按OK键进行确认。

然后按F3进行确认。
PP2000程序安装完毕之后。
打开我的电脑。进入C盘。找到文件夹APP

找到LCTPC文件夹,并且打开。
右键狮子图标,把这个快捷方式发送到桌面。

然后在桌面可以看到这个PP2000的快捷方式图标
Diagbox 安装教程
由于现在PP2000不更新了,从网上下载了,最新版本为DiagBox 7.19,并且支持win7及以上系统。
下面就以6.01安装为例。(引用高密鲁GD帖子)并做了相应补充
使用虚拟光驱工具将diagbox v6.01.iso做成虚拟光盘







虚拟光驱安装完毕。




非UNICODE程序默认语言改成英语美国。
安装程序并重启电脑
打开虚拟光驱。

第一次运行可能需要在空白处单击右键,选择添加映像
然后找到下载的diagbox v6.01.iso,点击打开
这样就可以再映像上面单击右键选择载入
然后在我的电脑里额外的光驱就会变成这个样子

双击进入之后选择diagbox_setup.exe

然后选择简化字
进入安装界面,这个界面基本不需要自己动,也不需要改什么设置,一键开始安装

进入安装界面,这个界面基本不需要自己动,也不需要改什么设置,一键开始安装
完成后会自己弹出程序,这时候需要选择X,然后右上角的X,选择对勾关掉程序

根目录的找到方式很简单,只哟右键桌面上的diagbox图标选择属性,然后点打开文件位置

运行patchV6.exe,点Patch,如果提示Error!!!表示破解失败,显示Successful!表示成功

这时候再双击桌面上的diagbox图标

显示界面

进入激活界面,选择第三个手动激活


这里输入代码1234567点对勾

这里输入12345678901234567890123456789011和20FFF000或者02FFF000或者02FFFFFF都可以

然后会出现软件已激活的提示

成功后会弹出lexia和PP2000的解压缩界面,持续几分钟

接着就进入diagbox的正式界面了


记得备份 C:AWRootin iAPPDIAG.SYS
免得升级软件后,再激活
b、T20改锥 (五金店有卖的)不说了。
c、电压表 (五金店有卖的)不说了。
d、电烙铁。

e、电胶枪

二、加装行车电脑显示屏,温度显示。
从淘宝淘个多功能显示屏




及室外温度探头 显示屏专用线束及插接、雨刷杆顶端功能切换按钮及弹簧。

安装过程其他车友已经发表了,我就不再重复了
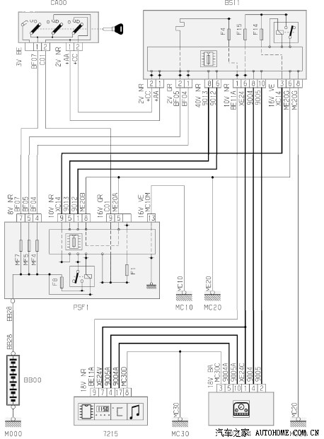
我想说的是关键问题,接线,我按照论坛车友发表的贴,连线后发现不对,于是找来了电路图,自己分析接线。

7220是时钟,时钟只有1234条线。对应BSI中是147.



多功能显示屏一共有478917 五条线
时钟的1,给显示屏的9.
时钟的2,给显示屏的8。
仪表盘的5,给显示屏的17.
仪表盘的10,给显示屏的4.
仪表盘的1,给显示屏的7.



温度探头接头



接线后的效果,相机不好,不要喷我。
温度探头接线论坛有,我就不重复了。
装好后用pp2000开通一下就行了,把显示屏改成 A或B或C屏, 把行车电脑改为存在,温度传感器存在。


用了一段时间感觉还是不方便,我有个便携式导航4S 送的,卡在显示屏前面。使用不方便。于是又在汽配城买了索菱H055高配DVD导航。1600元(含摄像头带蓝牙)。不含安装费。买回去自己安装。

因为是无损安装,接头对应接上就行,在用塑包布包好就行。
这个是显示屏的接头,和导航的协议盒接头对接,就可以实现行车信息了。其实最后只有2个线,传输信息,4和17 两条线。

安装好的效果。
拆下多功能显示屏及收音机。有要的可以给我留言,可以支付宝交易。
三、巡航定速限速手柄。135元
自己买的手柄,插上后,用软件开通一下就行,定速用206的开通,限速用307的开通就行了。
引用老包修车的教程开通巡航和定速。(PP2000)
第一步骤:修改组合仪表的显示功能
选择206车型,进入智能服务器,修改组合仪表的型号




返回主菜单,进入组合仪表选项,修改巡航显示。




第二步:修改发动机电脑系统的巡航控制
选择206车型,按照ECU进行测试







第三步:选择307的车型
修改智能服务器的巡航选项












第四步:搞定组合仪表的显示乱码问题。
断电10分钟,然后从新接好蓄电池就可以试车啦。
或者把仪表盘插头拔了,断电也可以。
我的没断电,也没乱码。
最后关于限速功能:
需要在发动机和BSI里面这样开通

进206设置
进307里设置。
就OK了。

四、音乐控制手柄。188元








五、电子狗(12v)。700元





取2V NR 的1线(+12V),和16V VE 的8线(- 接地)

16V VE 红色的钳子,往上推。就能拆下来

将两个卡片拨开,拔出8线。


将黑线(-)和8线连接,焊好。装回原位。
将2V NR 的1线和红线连接,焊好放回原位。
上面这张图我的16V VE 接地差错了,应该插入8线,各位注意了。
电子狗的接线就接好了。(我的电子狗输入电压是12V 的不用转换,直接接),其他的要注意电压问题。
六、行车记录仪(双摄像头) 480元
从淘宝买的转换线12V转5V


先将顶拆除,需要接线

前踏步灯中2线是(+)白色的,4线是(-)黄绿色

拨开钳子,将线拔出

红色的接白线(2线、+),黑色的接(4线 、-),焊好。

将其复位。

将多余的线放在里面。
接上踏步灯。
在装好就行了。取点方便,最短的走线、我的行车记录仪就在后视镜和顶灯之间。
又从淘宝买了视频输入线准备把行车记录仪和DVD导航连起来,在DVD里显示记录视频

走的是左前A柱。


更新中。。。。。
七、车内顶灯 28元。



敲一下
安一下,就下来了

是胶水占得,用小刀敲吧


在用胶水占好。
真的很亮。比原装的强多了。
八、真皮方向盘。 50元。

已安装,手感不错
九、储物盒灯。10元。

已到货,等待更新吧
十、门槛条 68元。







十一、机盖隔音棉 99元。
已到货,等待更新吧
十二、挡泥板及雨挡
已安装,等到更新吧
十三、密封条 102元
已安装,灰尘少多了,等到更新吧
十四、发动机护板260元
已安装, 这个不说了。
十五、胎压监测系统
更新中。。。。。