蓝鸟三代改装dvd导航及方控折腾作业,供各位鸟友参考。
自从开上三代鸟儿,就有了改装dvd导航的想法,于是乎查遍了购物网,号称真正专车专用的几乎没有,即使有也是多少年前的老版本,而且都是6.5寸屏,不是专车专用,就意味着原有方控不能用,心里那个凉呀!!!!!此处省略若干个字。


一、收货安装
16pin原车插头


方控插头是黄色的,也是16pin的













难道是电阻有问题吗,又发帖询问,没有结果,连续又调试了几天,依然不能使用,到底怎么回事?这个疑问整天充斥在脑海中,一有空就在想,始终不肯放弃。别人能用为何我不能用,于是有了找专家的念头,到宏达汽配城2期看到一个专门修理汽车音响的门市正在挂喷绘的宣传栏,问了老板,说是还没开张,正月二十五才开张,让我等几天过去,一定帮我弄好,人家说专门就是干这个的。还有好几天,等不及了,正好今天下午无事,坐在车上思考,难道是按键坏了还是接收器坏了,拆开了方向盘音响控制按键,当时没有小螺丝刀,又原样装了回去。于是又把捣鼓的这个方控插座拿出来再调试故障依旧,又拿起插座仔细端详,突然发现地线和插头的地线不在一条线上,恍然大悟,怪不得有两个按键没反应呢,回家,重新焊接,下楼,再试,哈哈,终于成功了,功夫不负有心人呀,接错线让我绕了这么大一个弯路,今天晚上喝一杯小酒庆贺一下。













五、总结

去年12月份,在某宝搜索的时候,眼前一亮,搜到一个路特仕7寸屏的,型号为80220A,上官网查了原来是骐达专用的,问导购小姐蓝鸟可否用,回答可以,问是否可以支持方控,肯定回答支持,还说专车专线,给我发日产帕拉丁的尾线和三代的是一样的,保证能用,最大的亮点吸引我的是屏幕为7寸,80平台,于是就果断拍了,就有了以下的折腾经历。


一、收货安装
二天后,盼望已久的导航很快就收到了,开箱一看,怎么和图片上的不一样,型号变成了80220H,也是骐达专用,箱子上写着的,打电话问,回答说这是新款,支持虚拟10碟,和80007D尾部接口是一样的,后部成了黑色的,更加干净整洁(心中一阵狂喜),不能再等啦,赶紧拉上导航到单位定点修理厂旁边的一家装具店,老板说安装200元,加装摄像头200元,迫不及待想安装,只好答应了,师傅很熟练的拆开了前面板,插尾线,一看尾线不对,和原有的插头不是一类,又给导购打电话,说明情况,让我把插头照片发给他看,之后确定再给我发一条尾线,说是菱悦V3的尾线可以使用,为了不破线,让师傅就这样装上了,没接线,只好又等尾线,在一个天快黑的下午终于从快递门市上拿到了,又到了原来的装具店,老板在忙,说明天把,我说不急,等你忙完了再装也不迟,天黑终于让师傅装上了,由于天黑没有拍照,调试后视摄像头正常、dvd正常,但大灯开启按键灯不亮,方控不能使用,师傅说这是通用机不支持原车方控(真是心不甘呀),可能是不支持,于是打道回府,路上堵车1个小时才回到家。
由于安装过于急躁,许多问题没有解决,最主要的是一是收音机收不到台,只有手动到某个频率才能收到;二是方控不能使用,习惯用方控了,这项功能绝不能少呀,寒心中;三是按键灯不亮,不能随大灯开启而点亮,只能手动开启,但开启后一直点亮,不管白天还是黑夜,按理说不应该这样,于是下决心自己动手解决。
二、原车音响图片及接口图片
原车主机,分体的,下面是音响主机,上面是vcd主机,不好意思,拍照的时候上方的vcd显示屏放反了。

16pin原车插头


方控插头是黄色的,也是16pin的

三、收集资料
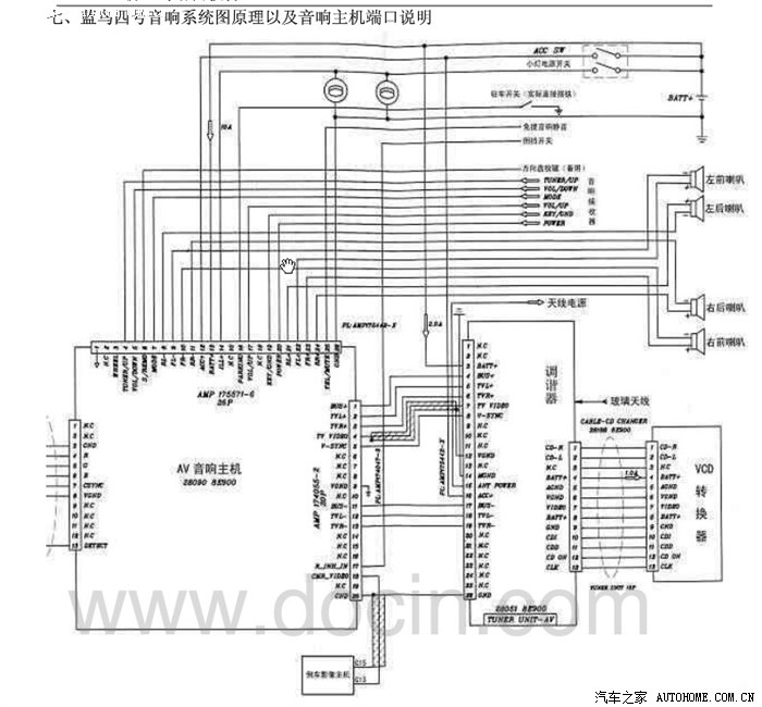
为了彻底弄明白原车音箱背部接口的含义,网上搜到了蓝鸟081音响系统线路图和方控原理,图如下:

J3插头线插定义














四、自己折腾
1、第一次自己拆装解决按键灯不亮问题。
地点石家庄,时间,2013年2月春节前腊月二十四,天上飘着鹅毛大雪,由于送孩子考试,孩子进考场后我也闲来无事,按照师傅拆的顺序拆开了中控台,自己之前也看了网上拆的有关帖子,拆开它很顺利,拆下导航,检查尾线,对照之前下载的线路图和接口图,发现有好几根线师傅都给接错了,导航的功放控制接到了原插头的天线控制上,小灯检测线接空了,反复看图纸,接口图上没有小灯线,反复排查,终于发现了原插头第九端口还有一根线,是粉色的,跟大灯自动开启上的检测线是相同的颜色,于是将导航上的小灯检测线接到了第九端口上,调试,终于成功了,橘黄色的夜灯甚是好看,不由充满了成就感。但是,收音机天线控制线没敢接,因为天线已经接上了,原来认为收音机天线控制线是控制拉杆天线用的,就没有接上。
2、第二次解决收音机控制线的问题。
收音机问题没有解决,心有不甘,网上查收音机控制线应该接上才对,他是天线功放的电源线,提供12伏电源用的,明白之后再一次拆开发现这个配的菱悦尾线天线控制端的线竟然是空的,也就是没有插针,于是又接了一根延长线塞到了原车插头的天线控制的那个插孔里了,再一搜台,自动保存,哎呀真是太好了,还是自己细心呀!!!!以上两项虽然解决了,可最重要的方控问题还没有解决,于是将导航方控信号线的地线塞到原车方控插头的地线插孔内,信号线插到任意一个插孔内(共五条信号线),发现竟然导航可以识别到,再将其他几条并在一起试,只能识别一个,看来有门,由于不知该如何解决,于是放弃。但是,想到一直拆方控也不是个事儿,就把方控线两根接了出来,放到了手套箱下面,原车黄色的方孔插头也从里面用手掏了出来,备用。
3、第三次解决方向盘音响控制问题,最为曲折。
蓝鸟论坛网上发帖许久,终于有一鸟友角落男孩回复说他分别在每根信号线上串联了一个电阻,然后并联起来形成一根信号线,就行了,在此表示感谢。于是,年后又买了万用表,从不用的电路板上查下了30多个电阻,一一测量,最终确定了五个电阻,阻值分别为199欧、990欧、1.9k、4.66k、9.95k,焊接到一个方形电路板上,由于不想破线,又将原vcd屏主机线路板上的一个插座焊了下来(以前是电子爱好者,有电烙铁,现在很多年不玩了),按照接线图接上,胶布包好,实现对插,满心欢喜地回到车上测试,结果只能识别三个,而且还有一个不用按按键就能认出来,音量加减没反应,郁闷中。。。。。。。。。
大家先看一下我捣鼓的方控插座和接线板吧,歇会儿。












难道是电阻有问题吗,又发帖询问,没有结果,连续又调试了几天,依然不能使用,到底怎么回事?这个疑问整天充斥在脑海中,一有空就在想,始终不肯放弃。别人能用为何我不能用,于是有了找专家的念头,到宏达汽配城2期看到一个专门修理汽车音响的门市正在挂喷绘的宣传栏,问了老板,说是还没开张,正月二十五才开张,让我等几天过去,一定帮我弄好,人家说专门就是干这个的。还有好几天,等不及了,正好今天下午无事,坐在车上思考,难道是按键坏了还是接收器坏了,拆开了方向盘音响控制按键,当时没有小螺丝刀,又原样装了回去。于是又把捣鼓的这个方控插座拿出来再调试故障依旧,又拿起插座仔细端详,突然发现地线和插头的地线不在一条线上,恍然大悟,怪不得有两个按键没反应呢,回家,重新焊接,下楼,再试,哈哈,终于成功了,功夫不负有心人呀,接错线让我绕了这么大一个弯路,今天晚上喝一杯小酒庆贺一下。














五、总结
机器优点与不足之处:
1、优点:7寸大屏比6.5寸可视面积大了不少,触屏灵敏,正版凯立德,支持16G内存卡,支持1080Prmvb播放,支持虚拟12碟,不用整天带一大推光盘了,ce6.0系统,搜星很快,播放速度很快不卡,流畅,支持导航时背景播放音乐或收音机,性能不错,比较稳定。还支持av输入输出,可接头枕显示屏。2套系统风格随意转换。
2、不足:外边框和铁皮有些软,稍微用些力就变形,特别是外边框上方的光盘进出口上方的边框,向下压很软,建议厂家能够改进,让导航硬朗起来。上下有缝隙,因不是原车原装,回头需要找框补上,机头略微向外凸,不好看,不过勉强用吧,真讲究的话还要改支架,重新打眼固定。音质方面表现一般,比原车的功率小一些,音质不如原车。系统风格还不尽如人意,图标设计还应再下功夫,跟卡仕达、飞歌等导航的系统桌面不在一个档次,不支持歌词调用。看来又要折腾一机多图了,折腾无止境啊!
愿方控没有弄好的鸟友参考一下本篇***,物尽其用才是折腾的最终目标啊!如果没有插座就直接用线接好了,都一样。
附:方控接线图

求版主加精,祝各位鸟友折腾快乐!!!!!!!!!!!!!!!!!!!!!!!!!!
打开汽车之家 阅读体验更好
举报/纠错