自由光加装磷酸铁锂电池副电瓶再升级
前言,2020年在论坛发表过《自由光加装磷酸铁锂电池副电瓶》一文,根据多年使用情况,谈谈使用经验及升级。
一、升级原因:
1、由于JEEP自由光有电源控制系统,锂电池电压比铅酸电池(主电瓶)电压高,控制系统总认为电池充满电降低了充电电流,造成副电瓶充电慢(最高10几安培,充不了多长时间就降到了5安培以下,拔了电瓶传感器后,过一段时间充电电流还是会下降),充不满副电瓶。
2、由于上述原因,我采用一个旧的500瓦逆变器(实际功率250瓦)外加一个三段式恒压恒流充电器(30A),这样汽车电源控制器把充电器按照用电器对待,充电电流可以达到16A,使用了4年,效果不错。
3、最近,想出门旅游,嫌弃500W逆变器太小,想升级至500瓦实际功率,达到充电器满功率充电。为此重新设计电路,利用原3000瓦放电逆变器,既可以充电,又可以放电输出220V电源,一个逆变器两用。
二、升级电路原理图(详见附图):
一、升级原因:
1、由于JEEP自由光有电源控制系统,锂电池电压比铅酸电池(主电瓶)电压高,控制系统总认为电池充满电降低了充电电流,造成副电瓶充电慢(最高10几安培,充不了多长时间就降到了5安培以下,拔了电瓶传感器后,过一段时间充电电流还是会下降),充不满副电瓶。
2、由于上述原因,我采用一个旧的500瓦逆变器(实际功率250瓦)外加一个三段式恒压恒流充电器(30A),这样汽车电源控制器把充电器按照用电器对待,充电电流可以达到16A,使用了4年,效果不错。
3、最近,想出门旅游,嫌弃500W逆变器太小,想升级至500瓦实际功率,达到充电器满功率充电。为此重新设计电路,利用原3000瓦放电逆变器,既可以充电,又可以放电输出220V电源,一个逆变器两用。
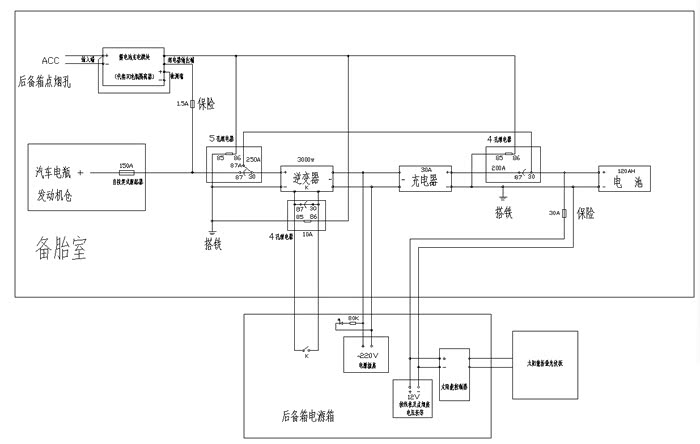
二、升级电路原理图(详见附图):

电路原理图
1、增加主要材料
(1)用蓄电池充电模块,代替双电瓶控制器。模块设置为U-3模式,监测到汽车电瓶电压高于13.8伏,模块输出接点闭合,低于12.8伏断开接点。
(1)用蓄电池充电模块,代替双电瓶控制器。模块设置为U-3模式,监测到汽车电瓶电压高于13.8伏,模块输出接点闭合,低于12.8伏断开接点。

充电模块

充电模块设置
(2)增加一个5脚继电器(250A),一个4脚继电器(200A),一个4脚继电器(10A),用来切换充电与放电回路。
2、一台三段式恒压恒流充电器(30A),3000瓦逆变器,120AH磷酸铁锂电池等不变。
2、一台三段式恒压恒流充电器(30A),3000瓦逆变器,120AH磷酸铁锂电池等不变。

4脚(200A)和5脚继电器(250A)

4脚继电器(10A)
2、一台三段式恒压恒流充电器(30A),3000瓦逆变器,120AH磷酸铁锂电池等不变。
三、电路原理
1、发动机启动,ACC供电,蓄电池充电模块(双电瓶隔离器)启动后(有几秒延时),检测汽车主电瓶电压高于13.8伏,模块输出端常开接点闭合,电路中三个继电器接通常开接点,250A和200A继电器接通充电回路,断开放电回路,10A继电器接通逆变器开关,逆变器输出220伏电给充电器,充电器满负荷给副电瓶充电,充电电流可达26A左右。
2、发动机熄火,ACC断电,蓄电池模块输出接点断开,三个继电器恢复常态,断开充电回路,250A继电器利用常闭接点,接通放电回路,手动接通电源箱逆变器开关,副电瓶电池给逆变器供电,逆变器输出220伏电压(满负荷可达1000瓦左右,副电瓶12伏端电流可达70A左右)。
3、在行车过程中,电池处在充电状态,要在220伏输出端使用电器,需等副电瓶充满电,否则,电器功率与充电功率叠加,容易使发电机过载(取决于逆变器功率及线径)。
4、升级改造后,充电时间快了不少,使用效果不错,值得给车友推荐。
四、注意事项
1、副电瓶使用安全第一,安装完成一定要满功率测试,测试时间按照正常使用过程完成,包括充电测试。测试过程中要观察电池及各个安装接点端子,端子接点不能有发热情况,切记、切记。
2、使用过程中,如果不能满功率使用,包括充电过程,一定要停止使用,检查原因。有一次,使用中发现电池放电电流不能按照800瓦功率输出,只能用400瓦电器,电池放电电流只有40A左右,怀疑是逆变器有问题,也就没在意,使用一段时间后,拆下设备检查,发现是电池内部接点螺丝未紧固发热,导致保险盒都燒溶了一部分,很危险,一定要注意。
3、电池一定要装一个带蓝牙的库仑计,开车充电、正常使用电器时,能够通过手机随时观察电池充电电流、放电电流、电压、温度等,如有异常,立即停止使用,检查原因,养成良好的使用副电瓶的习惯,保证副电瓶安全。
4、要注意逆变器是否适用充电器,有的逆变器不适用充电器,安装前需要测试后能用再安装。购买逆变器时,多咨询店家,将自己的充电器功率大小、用电器功率大小告知店家,选择适合的逆变器(尽量选择功率大一些)。
5、自制磷酸铁锂电池参看2020年《自由光加装磷酸铁锂电池副电瓶》一文。
6、副电瓶使用是有安全隐患,将安全放在可控状态下使用,其便利性还是很爽的,旅游自驾是个好帮手,野外做饭、吃个火锅经常遭围观,很有成就感^_^^_^,值得给车友推荐,祝大家使用副电瓶愉快。
三、电路原理
1、发动机启动,ACC供电,蓄电池充电模块(双电瓶隔离器)启动后(有几秒延时),检测汽车主电瓶电压高于13.8伏,模块输出端常开接点闭合,电路中三个继电器接通常开接点,250A和200A继电器接通充电回路,断开放电回路,10A继电器接通逆变器开关,逆变器输出220伏电给充电器,充电器满负荷给副电瓶充电,充电电流可达26A左右。
2、发动机熄火,ACC断电,蓄电池模块输出接点断开,三个继电器恢复常态,断开充电回路,250A继电器利用常闭接点,接通放电回路,手动接通电源箱逆变器开关,副电瓶电池给逆变器供电,逆变器输出220伏电压(满负荷可达1000瓦左右,副电瓶12伏端电流可达70A左右)。
3、在行车过程中,电池处在充电状态,要在220伏输出端使用电器,需等副电瓶充满电,否则,电器功率与充电功率叠加,容易使发电机过载(取决于逆变器功率及线径)。
4、升级改造后,充电时间快了不少,使用效果不错,值得给车友推荐。
四、注意事项
1、副电瓶使用安全第一,安装完成一定要满功率测试,测试时间按照正常使用过程完成,包括充电测试。测试过程中要观察电池及各个安装接点端子,端子接点不能有发热情况,切记、切记。
2、使用过程中,如果不能满功率使用,包括充电过程,一定要停止使用,检查原因。有一次,使用中发现电池放电电流不能按照800瓦功率输出,只能用400瓦电器,电池放电电流只有40A左右,怀疑是逆变器有问题,也就没在意,使用一段时间后,拆下设备检查,发现是电池内部接点螺丝未紧固发热,导致保险盒都燒溶了一部分,很危险,一定要注意。
3、电池一定要装一个带蓝牙的库仑计,开车充电、正常使用电器时,能够通过手机随时观察电池充电电流、放电电流、电压、温度等,如有异常,立即停止使用,检查原因,养成良好的使用副电瓶的习惯,保证副电瓶安全。
4、要注意逆变器是否适用充电器,有的逆变器不适用充电器,安装前需要测试后能用再安装。购买逆变器时,多咨询店家,将自己的充电器功率大小、用电器功率大小告知店家,选择适合的逆变器(尽量选择功率大一些)。
5、自制磷酸铁锂电池参看2020年《自由光加装磷酸铁锂电池副电瓶》一文。
6、副电瓶使用是有安全隐患,将安全放在可控状态下使用,其便利性还是很爽的,旅游自驾是个好帮手,野外做饭、吃个火锅经常遭围观,很有成就感^_^^_^,值得给车友推荐,祝大家使用副电瓶愉快。

后备箱电源箱

整体电路板布局

放电功率测试

车载测试

充电手机显示(库仑计)
打开汽车之家 阅读体验更好
举报/纠错