发个开锁,解锁,都可以响一下喇叭的教程
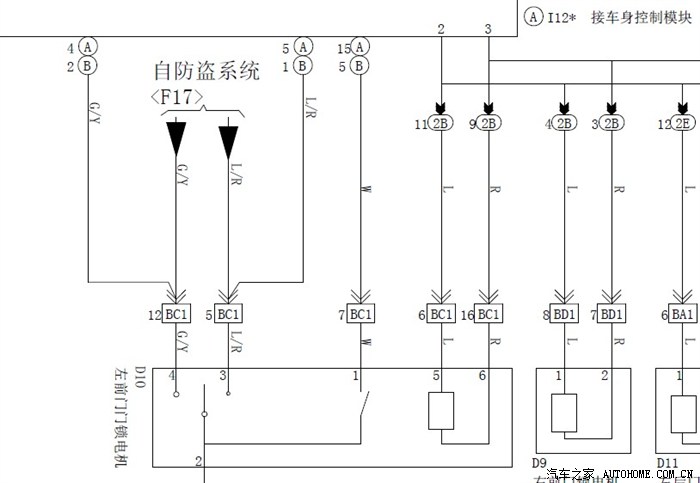
懒得拆了,纸上谈兵 一下吧,要需要改装的参考一下。
这图就是防盗器控制开锁和闭锁的原理图

要改装的话先把这两条线剪断,再串入二极管,作用就是分隔遥控信号和车上的按键信号!


然后再接人两只二极管,接线触发喇叭继电器!

接线插座BC1 就在离合踏板左边的饰板里面,接线就在这里可以找到!

打开汽车之家 阅读体验更好
举报/纠错懒得拆了,纸上谈兵 一下吧,要需要改装的参考一下。
这图就是防盗器控制开锁和闭锁的原理图

要改装的话先把这两条线剪断,再串入二极管,作用就是分隔遥控信号和车上的按键信号!


然后再接人两只二极管,接线触发喇叭继电器!

接线插座BC1 就在离合踏板左边的饰板里面,接线就在这里可以找到!
