【个性篇】#最酷改装#2016款智享舒适5053刷隐藏
从上个月提车之前就开始关注迈腾论坛,前些天看见了有车友用5053刷隐藏功能,便一发不可收拾。正好一哥们儿那里有一条5053线,网上下载VCDS,数据线连电脑,因为之前功课没做足就着急试验,结果——线的固件版本太低,一下就锁了,当然开始是不知道线烧了,各种版本的程序轮番下载安装,什么11.11,12.12,16.83,17.13全部试过,惭愧啊!之后就开始上网查资料学习,想把5053线的固件升级修复,又是看教程,又是看图片,又是接线,把各个版本的固件又都折腾一遍,最终还是以失败告终。看来我是高估自己了,没办法,求助某宝吧,搜到一家销量不错的下单16.83版本,据说在2016款迈腾上可以匹配,昨天收到货天色已晚,今天一大早就迫不及待的拿过来研究。现在上作业,光线问题图片不是很清楚,我这也不是教程,因为我也不太懂,我是根据卖家给的教程结合坛子里的车友作业弄的,还别说,小有成就!折腾无止境,欢迎大家顶!
话不多说,看图说话!
话不多说,看图说话!

多番尝试均告失败

网上看资料学教程,开始折腾5053线,期待着奇迹出现。。。

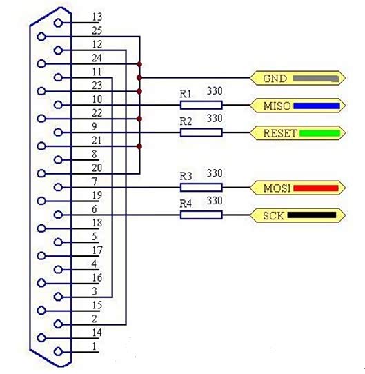
网上找的5053固件烧录教程,这是接线的图

这是电脑并口与5053电路板的接线图

过程那叫一个艰辛啊,说多了都是泪啊

尾部是数据线,前端是12V供电

烧录5053固件需要连接windows XP SP3 并口,为此还特意找了一台老电脑

5053线在烧录固件的时候需要12V供电

固件烧录中。。。。。。

都显示正常,就是接头测试失败,唉!希望——失望——希望——失望,精疲力尽啊!

能力有限折腾不了了,所以,干脆还是买吧。某宝110米,16.83版本5053线,光盘一看就是自己刻录的。

昨晚先在台式机上测试一下,成功!

光盘里的程序和资料

今早在笔记本上安装,又成功!

程序已激活

上车测试,指示灯亮起

3闪变5闪——这是我网上截的图(下面我拍的照片都有笔记本屏幕的反光,没有反光的都是我的截图,为的就是让大家看的清楚些)
选择模块——09中央电气系统——匹配10
选择模块——09中央电气系统——匹配10

原来存储的数据是3,改成5保存即可

3闪变5闪,实测完成!
之前有车友在坛子里放了详细教程,我在这里就不把全部图片发出来了,光线问题,图片不是很清楚,各位见谅。
之前有车友在坛子里放了详细教程,我在这里就不把全部图片发出来了,光线问题,图片不是很清楚,各位见谅。

自动落锁:
46中央舒适系统——匹配10——下拉菜单——自动锁
46中央舒适系统——匹配10——下拉菜单——自动锁

车速15km/h自动上锁

车速15km/h自动上锁,实测完成!

锁车音:
46中央舒适系统——07编码控制——长编码帮助——找到字节1bit2打钩(或者移动字节找到“车门锁控制上锁确定打钩”)(若还是不行进去46或者09找到车门打开后电动车窗/天窗未激活打钩)
46中央舒适系统——07编码控制——长编码帮助——找到字节1bit2打钩(或者移动字节找到“车门锁控制上锁确定打钩”)(若还是不行进去46或者09找到车门打开后电动车窗/天窗未激活打钩)

解锁喇叭响,车上没喇叭,有个发声器发出“啾啾”两声,也算是实测完成了。

锁车喇叭响,“啾”一声,实测完成!以后再看能不能加装喇叭。车友们有装过的话,麻烦私信给个链接。

单门解锁:
46中央舒适系统——匹配10——下拉菜单——选择 车门锁
46中央舒适系统——匹配10——下拉菜单——选择 车门锁

雾灯转向辅助:——这个功能我原车就有,也放上来分享一下
09中央电气系统——编码控制07——长编码帮助
09中央电气系统——编码控制07——长编码帮助

倒车后视镜下翻,这个我没改,因为后面括号里告诉你了——仅用于记忆座椅,这个不知道其他车友刷出来没有,若是刷出来了麻烦告诉我 一声啊!

关闭安全带提醒:
进入17仪表单元,装原来的代码0019103改成0017103好了 OK!当你按下执行后。仪表上的安全带警报灯熄灭了,世界从此安静了,这个灯永远不会亮了,那个一分钟之久的声音也不会响起了
进入17仪表单元,装原来的代码0019103改成0017103好了 OK!当你按下执行后。仪表上的安全带警报灯熄灭了,世界从此安静了,这个灯永远不会亮了,那个一分钟之久的声音也不会响起了

取消安全带报警,实测完成!
那个背着长剑的剑客不见了,哈哈!也不再有烦人的报警音了,不过非短途时我会记得系安全带的。
那个背着长剑的剑客不见了,哈哈!也不再有烦人的报警音了,不过非短途时我会记得系安全带的。

仪表板显示需要补充油量
方法:5053选择模块—17仪表板—匹配—通道里选择“要补充的量”—新的数据选择“是”—执行
效果:完成后,仪表盘里就有“补充量”显示,在续航里程后面,显示当前你应该加多少升油可以加满。
方法:5053选择模块—17仪表板—匹配—通道里选择“要补充的量”—新的数据选择“是”—执行
效果:完成后,仪表盘里就有“补充量”显示,在续航里程后面,显示当前你应该加多少升油可以加满。

仪表显示需要加注燃油的量,实测完成!
仪表显示加注量20L
仪表显示加注量20L

遥控一键长按升窗:
46中央便利系统-重新编码bit6舒适功能自动关闭(或者进去46找到下图打钩)
我没刷之前必须要按住锁车键直到车窗升到顶,中途若松开车窗也停止上升,刷完之后按住锁车键,车窗开始上升后即可松开,车窗继续升到顶。锁车后按住解锁键,四门车窗可以下降,中途松开车窗即停止下降。我记得是拍照了的,可是没找到图片。
顺便问下车友们,是不是可以刷按一下锁车键不必等车窗动作才松开就能升窗啊?
46中央便利系统-重新编码bit6舒适功能自动关闭(或者进去46找到下图打钩)
我没刷之前必须要按住锁车键直到车窗升到顶,中途若松开车窗也停止上升,刷完之后按住锁车键,车窗开始上升后即可松开,车窗继续升到顶。锁车后按住解锁键,四门车窗可以下降,中途松开车窗即停止下降。我记得是拍照了的,可是没找到图片。
顺便问下车友们,是不是可以刷按一下锁车键不必等车窗动作才松开就能升窗啊?

开后备箱室内灯不点亮,这个没有修改成功,开启后备箱依然点亮,有成功的车友请指教!我有空再试试!
放上教程:
开后备厢,车内灯不亮
方法:模块--09-中央电气系统”→“编码控制-07”→“长编码帮助”-在一个一个选小框框,应该是第20个,去掉勾选bit1(开启后备箱不打开车内灯),这里要说明的是,查看的时候是没有勾选的,但开启后备箱后车内灯还是会亮,只好打勾后退出执行,然后再取消打勾,退出执行,搞定。
效果:单独开启后备箱,车内灯不亮,据说比较安全。
放上教程:
开后备厢,车内灯不亮
方法:模块--09-中央电气系统”→“编码控制-07”→“长编码帮助”-在一个一个选小框框,应该是第20个,去掉勾选bit1(开启后备箱不打开车内灯),这里要说明的是,查看的时候是没有勾选的,但开启后备箱后车内灯还是会亮,只好打勾后退出执行,然后再取消打勾,退出执行,搞定。
效果:单独开启后备箱,车内灯不亮,据说比较安全。

这个叫运动仪表,我点进去的时候就是激活的。
17仪表盘——然后点,【匹配功能(A)10】进去以后选通道【indicator_celebration】出厂为断开,然后点开,保存以后就可以啦(或者是找到分级点激活)
17仪表盘——然后点,【匹配功能(A)10】进去以后选通道【indicator_celebration】出厂为断开,然后点开,保存以后就可以啦(或者是找到分级点激活)
另外车友的帖子里还有几个功能,我原车就有,不需要再刷。包括:转弯辅助照明、单门解锁以及我上面说的运动仪表。
附上卖家给的资料里所列出的迈腾隐藏功能:
1.日间行车灯开关
2、迈腾倒车雷达音量调整
3、锁车音
4、自动落锁
5、单门解锁
6、迎宾座椅
7、3闪变5闪
8、离家功能
9、回家功能
10、启用光线传感器
11、保养提示
12、更改总里程
13、遥控一键升窗
14、雾灯转向辅助
15、下雨自动关窗
16、激活双后雾灯
17、关闭安全带提醒
18、自动解锁
19、防盗报警功能
20、胎压监控的开启
21、360度ops
22、雨天自动关窗
23、自动大灯灵敏度调节
24、急刹车双闪
25、LED亮度
26、北美版行车灯功能
27、免费胎压监测
28、仪表板显示需要补充油量
29、仪表盘现实歌曲名和道路名汉字现实
30、开后备厢,车内灯不亮
31、运动仪表
32、换刹车片匹配
有些功能是需要硬件的,比如自动大灯、感应雨刷、记忆座椅、前后各6雷达等等,以后慢慢详细研究研究,也欢迎车友们多多指教!
THE END.
附上卖家给的资料里所列出的迈腾隐藏功能:
1.日间行车灯开关
2、迈腾倒车雷达音量调整
3、锁车音
4、自动落锁
5、单门解锁
6、迎宾座椅
7、3闪变5闪
8、离家功能
9、回家功能
10、启用光线传感器
11、保养提示
12、更改总里程
13、遥控一键升窗
14、雾灯转向辅助
15、下雨自动关窗
16、激活双后雾灯
17、关闭安全带提醒
18、自动解锁
19、防盗报警功能
20、胎压监控的开启
21、360度ops
22、雨天自动关窗
23、自动大灯灵敏度调节
24、急刹车双闪
25、LED亮度
26、北美版行车灯功能
27、免费胎压监测
28、仪表板显示需要补充油量
29、仪表盘现实歌曲名和道路名汉字现实
30、开后备厢,车内灯不亮
31、运动仪表
32、换刹车片匹配
有些功能是需要硬件的,比如自动大灯、感应雨刷、记忆座椅、前后各6雷达等等,以后慢慢详细研究研究,也欢迎车友们多多指教!
THE END.
打开汽车之家 阅读体验更好
举报/纠错