福睿斯论坛
去App查看
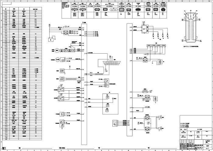
德尔福MT22.1电脑接口定义图
相比大家找了很久了,在此共享给大家http://pan.baidu.com/s/1jIdWdTk
打开汽车之家 阅读体验更好
举报/纠错
2026/4/17 14:44:48