改装房车终极教程
从小就有个心愿,就是娶一个热情奔放的吉普赛女郎,不过直到今天这个理想也没能实现,而 “她”却走进了我的生活,一辆属于我自己的大篷车。
房车文化,起源于美国,习惯度假的美国人选择了将汽车作为移动居住场所,在车上安装了生活设施,演变成今天的房车。美国发达的汽车工业和辽阔的国土为房车产业的发展奠定了基础,至今很多美国影视剧中还会经常会出现房车的身影。
改革开放40年国人的生活发生了巨大的变化,除了泰国普吉街道上晃悠的中国人已经遍大街了外,在华夏大地的公路上,房车正在悄无声息的多了起来,开房车度假再也不是美国人的专利。驾着房车穿过晨雾,迎着朝阳驶向远方的路。行至天涯山穷处,坐看海角浪起时,那情景想着就让人心潮澎湃。
选房车就像找老婆一样,肯定要选一个适合自己的。什么样的房车适合呢?那先要确定你的用途。你可以驾着她带着亲朋好友,驰骋在大江南北雪域高原。也可以把她停在三亚的椰子树下,和家人共享烧烤晚餐。作为临时办公场所也是不错的选择,应该比待在工地的彩钢房里舒服吧。汶川地震的时候有一辆房车那你肯定招人恨。房车游客走到哪都招人烦,因为他们不消费。房车貌似是有钱人的玩具,只要你会利用她,其实是一个投资回报率很高的项目。我经常出差,每次入住酒店前台服务员都会热情的招呼我,拉着我要给我拍照。开始我还以为自己长的好看,后来发现不是那么回事。为了尊严、为了保留最后的一块私密空间,也为了和我的家人,在假日能够远离雾霾喧嚣的城市、回归大自然,决心一定要娶一辆房车回家。
北京房车展会上厂商带来的房车玲琅满目,各种改装方案简直让人眼花缭乱,挑来选去的,除了看上了展会上的女Model外没相中一辆房车。从我的角度看,这些房车普遍颜值很高,但缺乏内涵,也许我的眼光比较特别吧。
在我眼里,房车的内涵在于几平米的移动空间内,尽可能的发挥住宅里的功能,这就要求房车里的设施尽可能的多功能、小型化、模块化,智能化,最好还有拓展功能,这才是房车设计的方向。毕竟中国国情和美国不一样,政策、路况、以及停车问题都制约着你的选择。因此,B型和C型房车,更受国内用户的青睐。
满足基本的生活居住要求不是那些华而不实的装饰,而是基础设施。基础设施指什么?如果给你一个豪华装修过家电齐全的别墅,没有水电空调,再给你一个毛坯房,水电空调完备,你愿意住哪?因此,在我眼里,房车改装厂家普遍在内饰装修上下功夫,作为向客户推销的卖点,解决基础设施的方案简单粗暴,拿来主义,没人去研究房车的基础设施,只喜欢在面子工程上做文章,去迎合土豪的需要。他们的价值就是帮你整合了资源,把你也能买到的产品安装到车上去,然后再向你输出观点,把你带入他们描绘的童话世界里,基本都是这个套路。展会上有辆金杯,装了一张折叠床安了几盏灯,贴上房车的标签了就敢叫价九万八,难道就因为拿了旅居车的身份证?其实房车的门槛真没你想的那么高,成本的大半都用在木工活上,实在无法说服自己为了这几平米的装修给你拿几十万。房车改装的最高境界在于新技术的应用和设计创意,你的技术被人一眼看透,成本也给你估个八九不离十,用不了几年房车普及了,你不拿出点有技术含量的东西来还玩什么玩。当前多数房车厂家还不具备设计开发的能力,在我眼里这就是缺乏内涵的表现。
我一贯追求完美,看到瑕疵强迫症就发作,为了解决这些问题,我亲手打造了一辆房车,解决了基础设施的细节问题,现在和各位亲分享改装历程。
先从房车供电说起,电力短缺是房车普遍存在的问题,房车厂家提供的供电解决方式一般为这几种,都是市场上的舶来货,一是给你配台能带动空调的发电机;
房车文化,起源于美国,习惯度假的美国人选择了将汽车作为移动居住场所,在车上安装了生活设施,演变成今天的房车。美国发达的汽车工业和辽阔的国土为房车产业的发展奠定了基础,至今很多美国影视剧中还会经常会出现房车的身影。
改革开放40年国人的生活发生了巨大的变化,除了泰国普吉街道上晃悠的中国人已经遍大街了外,在华夏大地的公路上,房车正在悄无声息的多了起来,开房车度假再也不是美国人的专利。驾着房车穿过晨雾,迎着朝阳驶向远方的路。行至天涯山穷处,坐看海角浪起时,那情景想着就让人心潮澎湃。
选房车就像找老婆一样,肯定要选一个适合自己的。什么样的房车适合呢?那先要确定你的用途。你可以驾着她带着亲朋好友,驰骋在大江南北雪域高原。也可以把她停在三亚的椰子树下,和家人共享烧烤晚餐。作为临时办公场所也是不错的选择,应该比待在工地的彩钢房里舒服吧。汶川地震的时候有一辆房车那你肯定招人恨。房车游客走到哪都招人烦,因为他们不消费。房车貌似是有钱人的玩具,只要你会利用她,其实是一个投资回报率很高的项目。我经常出差,每次入住酒店前台服务员都会热情的招呼我,拉着我要给我拍照。开始我还以为自己长的好看,后来发现不是那么回事。为了尊严、为了保留最后的一块私密空间,也为了和我的家人,在假日能够远离雾霾喧嚣的城市、回归大自然,决心一定要娶一辆房车回家。
北京房车展会上厂商带来的房车玲琅满目,各种改装方案简直让人眼花缭乱,挑来选去的,除了看上了展会上的女Model外没相中一辆房车。从我的角度看,这些房车普遍颜值很高,但缺乏内涵,也许我的眼光比较特别吧。
在我眼里,房车的内涵在于几平米的移动空间内,尽可能的发挥住宅里的功能,这就要求房车里的设施尽可能的多功能、小型化、模块化,智能化,最好还有拓展功能,这才是房车设计的方向。毕竟中国国情和美国不一样,政策、路况、以及停车问题都制约着你的选择。因此,B型和C型房车,更受国内用户的青睐。
满足基本的生活居住要求不是那些华而不实的装饰,而是基础设施。基础设施指什么?如果给你一个豪华装修过家电齐全的别墅,没有水电空调,再给你一个毛坯房,水电空调完备,你愿意住哪?因此,在我眼里,房车改装厂家普遍在内饰装修上下功夫,作为向客户推销的卖点,解决基础设施的方案简单粗暴,拿来主义,没人去研究房车的基础设施,只喜欢在面子工程上做文章,去迎合土豪的需要。他们的价值就是帮你整合了资源,把你也能买到的产品安装到车上去,然后再向你输出观点,把你带入他们描绘的童话世界里,基本都是这个套路。展会上有辆金杯,装了一张折叠床安了几盏灯,贴上房车的标签了就敢叫价九万八,难道就因为拿了旅居车的身份证?其实房车的门槛真没你想的那么高,成本的大半都用在木工活上,实在无法说服自己为了这几平米的装修给你拿几十万。房车改装的最高境界在于新技术的应用和设计创意,你的技术被人一眼看透,成本也给你估个八九不离十,用不了几年房车普及了,你不拿出点有技术含量的东西来还玩什么玩。当前多数房车厂家还不具备设计开发的能力,在我眼里这就是缺乏内涵的表现。
我一贯追求完美,看到瑕疵强迫症就发作,为了解决这些问题,我亲手打造了一辆房车,解决了基础设施的细节问题,现在和各位亲分享改装历程。
先从房车供电说起,电力短缺是房车普遍存在的问题,房车厂家提供的供电解决方式一般为这几种,都是市场上的舶来货,一是给你配台能带动空调的发电机;

用的时候把发电机从发电机仓里拉出来,回收时候用绞盘拉回去。这种方案的优点是可以提供持久的电力供应,缺点是除了污染外、噪音让人无法忍受。先不说这个发电机仓就占了车内很大的空间,用起来也不方便,如果你敢用这玩应儿是人都躲着你,你就有机会体验到人嫌狗不待见的乐趣了。知道你是来度假的,不知道还以为你来施工的。因此房车厂家的销售认为你人傻钱多,向你推荐进口静音发电机。

第二种方式是厂家给你装个电瓶隔离器,外接一块备用电瓶,装个能带动空调的逆变器,剩下的靠你自己了。一块电瓶能干什么?一顿火锅都不够更不要说带空调了。你问他电用完了咋办?他说柴油发电机是选配。

你说我自己解决,多加几块电池并联增加备用电池容量,只要你不怕烧发电机就试试吧。我一个朋友烧了几台发电机了,教训深刻啊。汽车发电机功率厂家都经过严格计算匹配的,发电机怠速时的输出功率约为满负荷的80%,这时候你开启全车所有电器包括音响、空调、大灯电瓶也不会亏电的。20%是富余功率,但并不等于仅有20%能用来充电。以依维柯为例,我原来的发电机是110A的,如果不使用汽车电器的话,富余功率可能会超过50安,行车时一个多小时就能充满一块12v100A电池。我换装了台150A发电机,有900瓦富余功率,理论上行车2个小时就能充满两块12v100A电池。要了解汽车发电机负荷的参数,只能在今后的使用过程中监测发电机励磁电流,才能掌握规律。无论如何,汽车发电机决不能直接给并联的大容量备用电池组充电的,千万不可让发电机满负荷长时间工作。
第三种方式是房车厂家建议你购买锂电池组和充电器,靠市电插座或充电桩补充电能。你问他户外在哪充电,他说你可以找营地。心说我去哪玩还得听你的,我去索马里,你给我找个营地我就买你车。锂电池组算是绿色能源,属于人畜无害的供电方式,但你没觉得你的活动范围被极大的压缩了吗?虽然现在房车营地已经遍地开花,而我想往的目的地是那油菜花盛开的地方、充满异域风情的边陲小镇、毫无商业气息的自然景区,那才是房车停靠的港湾。
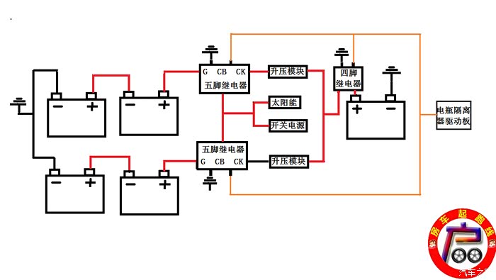
我的房车供电是这样解决的,取名房车综合电力系统,由内能源(汽车发电机)、外能源(市电或充电桩)、光辅助能源(太阳能电池板)及24v备用电池组构成。首先升级了大功率发电机,安装电瓶隔离器,购买DC_DC直流升压模块组成内能源充电装置。光辅助充电装置由4块太阳能电池板,太阳能充电控制器组成。外能源充电装置由工业防水连接器插座、24v开关电源构成。太阳能充电控制器除了控制太阳能充电外、还要担任外能源充电的充电管理和信息采集。
第三种方式是房车厂家建议你购买锂电池组和充电器,靠市电插座或充电桩补充电能。你问他户外在哪充电,他说你可以找营地。心说我去哪玩还得听你的,我去索马里,你给我找个营地我就买你车。锂电池组算是绿色能源,属于人畜无害的供电方式,但你没觉得你的活动范围被极大的压缩了吗?虽然现在房车营地已经遍地开花,而我想往的目的地是那油菜花盛开的地方、充满异域风情的边陲小镇、毫无商业气息的自然景区,那才是房车停靠的港湾。
我的房车供电是这样解决的,取名房车综合电力系统,由内能源(汽车发电机)、外能源(市电或充电桩)、光辅助能源(太阳能电池板)及24v备用电池组构成。首先升级了大功率发电机,安装电瓶隔离器,购买DC_DC直流升压模块组成内能源充电装置。光辅助充电装置由4块太阳能电池板,太阳能充电控制器组成。外能源充电装置由工业防水连接器插座、24v开关电源构成。太阳能充电控制器除了控制太阳能充电外、还要担任外能源充电的充电管理和信息采集。

安装内能源充电装置,我准备了两个方案。先说第一个方案;
首先我自己做了一个电瓶隔离器,由电压控制板,触发延时模块,和120A继电器组成。我做这个电瓶隔离器要比买一个现成的成本高,因为自己做能符合我的要求。其工作模式是当汽车电瓶电压高于13.5v时2分钟后接通继电器,开始给备用电瓶充电。低于12.5v时两分钟后断开继电器,工作原理与市场上的电瓶隔离器一致。区别是我的隔离器是分体式的,还有外接充电指示灯接口,让我随时了解充电状态。我用的是3个120安继电器,因为我的主电瓶并不直接给备用电瓶充电,而是给DC_DC升压模块供电,升压模块将主电瓶直流12v电压升为29v给24v电池组充电。当然升压模块也可以调到48v电压给锂电池组充电。使用升压模块的好处一是可以限流,防止发电机长时间大负荷工作,二是可提升备用电池组电压,因为24v或48v备用电池组的逆变转换效率比12v高的多,线径也小很多,关键是这个电压要留给我后面要装的神器用。
首先我自己做了一个电瓶隔离器,由电压控制板,触发延时模块,和120A继电器组成。我做这个电瓶隔离器要比买一个现成的成本高,因为自己做能符合我的要求。其工作模式是当汽车电瓶电压高于13.5v时2分钟后接通继电器,开始给备用电瓶充电。低于12.5v时两分钟后断开继电器,工作原理与市场上的电瓶隔离器一致。区别是我的隔离器是分体式的,还有外接充电指示灯接口,让我随时了解充电状态。我用的是3个120安继电器,因为我的主电瓶并不直接给备用电瓶充电,而是给DC_DC升压模块供电,升压模块将主电瓶直流12v电压升为29v给24v电池组充电。当然升压模块也可以调到48v电压给锂电池组充电。使用升压模块的好处一是可以限流,防止发电机长时间大负荷工作,二是可提升备用电池组电压,因为24v或48v备用电池组的逆变转换效率比12v高的多,线径也小很多,关键是这个电压要留给我后面要装的神器用。


这是我选用的升压板,可恒流,输出电流最大22A,带散热风扇,我将电压调整到29v输出,单块充电功率可达600W。我的备用电池组是4块12v100AH的胶体动力电瓶,我的发电机富余功率大,我用了两块升压板,按照我设计的电路分两路给电池组充电;

这样做的好处是充电效率高,单路电流小,行车时充电功率最高可达1200W。这意味着什么?开4个小时车晒会儿太阳电池就充满了。使用这个升压板时不能直接装车,必须做技术处理,不然装车就烧保险,到时候别怪我没跟你说。
所以在建立24v/48v备用电池组的时候,最好先升级原车发电机,根据发电机的富余功率和电池类型,来选择升压板的数量,做到合理匹配,旧发电机可以放在车里备用。
内能源充电装置的第二套方案,是直接把原车12v发电机更换为大功率24v发电机、发电机优先充备用电池组、再通过降压模块返充主电瓶的技术方案。这样做的优势在于充电效率极高,充电速度快,先紧着能吃的喂,而升压充电是吃不了才喂能吃的。用这种方式充电即使发电机坏了都不怕,备用电池组的能量能让你的车跑的很远。我先将原车的12v110安发电机更换为依维柯2046的24v105安发电机,这样功率大了一倍,而且还是原装位。如果你的车系没有24v发电机也不是问题,就用铣床加工一个发电机过渡支架,这样你可以选择用大客车上装的24v150安发电机, 4000w的功率用它直接给备用电池组充电没有任何负担。
所以在建立24v/48v备用电池组的时候,最好先升级原车发电机,根据发电机的富余功率和电池类型,来选择升压板的数量,做到合理匹配,旧发电机可以放在车里备用。
内能源充电装置的第二套方案,是直接把原车12v发电机更换为大功率24v发电机、发电机优先充备用电池组、再通过降压模块返充主电瓶的技术方案。这样做的优势在于充电效率极高,充电速度快,先紧着能吃的喂,而升压充电是吃不了才喂能吃的。用这种方式充电即使发电机坏了都不怕,备用电池组的能量能让你的车跑的很远。我先将原车的12v110安发电机更换为依维柯2046的24v105安发电机,这样功率大了一倍,而且还是原装位。如果你的车系没有24v发电机也不是问题,就用铣床加工一个发电机过渡支架,这样你可以选择用大客车上装的24v150安发电机, 4000w的功率用它直接给备用电池组充电没有任何负担。

但是这样改有个问题,24v大功率发电机满负荷状态下发动机怠速能不能承受?空调启动怠速都会提高,当然车子跑起来是没问题的。大家都知道发动机怠速马达都是双速的,有的甚至三速。水温低时发动机怠速是1100转,水温上来了怠速才恢复900转。我就用一个电流控制器,把霍尔传感器焊下来,加了一根延长线,把发电机励磁线穿过霍尔传感器监测电流。励磁电流大,说明发电机负荷大。我把接到怠速马达低速的电源线接到控制器继电器公共上,常闭接怠速马达高速,常开接怠速马达低速。设定参数,励磁电流大时控制器会一直把低速线接通怠速马达高速,励磁电流下来继电器才切换常开,怠速恢复900转。
这么改有一个前提,你的车如果是外置发电机调节器的,就不要尝试换发电机了,对原车电路改动有点大,不好恢复,自励磁的发电机都可以换。下一步我买了一个24v转12v80安的直流降压模块,用来给主电瓶供电,确保汽车行驶供电。打开车钥匙,继电器接通降压模块与主电瓶,还没来得及笑降压模块就烧了。又买了一个降压模块,12v输出端加了一个100安二极管防回流,这时出现一个问题,启动发动机后发电机故障灯一直在亮,原因是降压模块的输出电压为12v,低于主电瓶电压。目前市场上还没有这么大功率的可调恒流降压模块 ,在后来测试过程中,我的主电瓶一直处于吃不饱状态,用了一段时间降压模块烧了,分析应该是过流的原因,我被迫放弃原先的方案,改为12v150安发电机加恒流升压板形式、来解决内能源充电问题。如果今后市场上出现稳定可靠的、60v降14.5v100安的恒流降压模块,我还是青睐这种方式。

其实还有一个内能源充电方案,就是外挂第二发电机,这样可以不改任何原车电路一劳永逸的解决房车供电问题,有个厂家已生产出48v60安的房车外挂发电机。对于这种方案我持观望态度。要知道买一个发电机没有多少钱,可把它装车上要花多少钱想过吗?首先你的发动机仓要有足够的空间,第二要做一个符合发动机仓结构、可涨紧的发电机挂架,第三,要想外挂发电机就要把曲轴主动轮盘多做出一个槽,曲轴轮盘要按照出厂标准重新加工,还要有合适长度的传动皮带,厂家不提供安装套件没有一个客户可以自行安装,反正我的依维柯是没有空间安装的,这个方案理想很饱满,现实很骨感,厂家必须做出多种主流车型的安装套件,那投入可比开发一台发电机高多了。
内能源充电装置准备完成,下一步安装光辅助充电装置。各位亲千万不要指望光辅助充电装置能够解决房车用电问题,4块100瓦太阳能电池板光照条件好的情况下一天最多给你带来2度电的收益,一顿火锅的事,但对于房车来说,获取电能的手段不多,太阳能发电是必不可少的选项。关键一点是太阳能可以对房车的备用电池组进行浮充,延长电池使用寿命。
安装时先将两块太阳能板用30角铝固定为一组,先打胶再上铆钉。其中一组前面加了个30R半圆铝材,这样既美观又可降低风阻。
内能源充电装置准备完成,下一步安装光辅助充电装置。各位亲千万不要指望光辅助充电装置能够解决房车用电问题,4块100瓦太阳能电池板光照条件好的情况下一天最多给你带来2度电的收益,一顿火锅的事,但对于房车来说,获取电能的手段不多,太阳能发电是必不可少的选项。关键一点是太阳能可以对房车的备用电池组进行浮充,延长电池使用寿命。
安装时先将两块太阳能板用30角铝固定为一组,先打胶再上铆钉。其中一组前面加了个30R半圆铝材,这样既美观又可降低风阻。

4块太阳能板一串一并形成24v电压。安装的时候先将太阳能板摆正位置,用6mm的钻头在角铝上打眼连车顶一起打透,然后将车顶的孔用钻头扩至10mm,将内外牙螺丝插入车顶,在车内上螺母,将内外牙螺丝在车顶固定好后再上6mm的螺丝将太阳能板压实。记住一定要打胶密封,再上内外牙螺母,螺丝要上橡胶垫片,不然漏水,我已经领教了。这样做的好处是拆卸方便。也可以用平齐螺母,我没有压铆机就用这个代替。没有这道程序将来维修的时候你是不是要拆内饰顶子?如果你的车没有房车公告的话,验车时拆也方便。最后用接线柱穿过车顶,正负极一目了然。


光辅助充电装置安装完毕,接着安装外能源充电装置,买一套工业防水插头连接器用来接市电作为借电插座,开孔将连接器插座固定好,引两路线分别接到24V开关电源和继电器。为什么要接到继电器上,这是我的用途问题。逆变器是房车必备,我的逆变器输出接到车内3个电源插座上, 有一种情形,如果附近有市电,我在车里用电磁炉涮火锅,就没必要通过逆变器转换了,直接拉个接线板到车里来太没品位了吧,大家都是有身份证的人。逆变输出和市电直接并的话会有安全隐患,开逆变器市电借电插头会带电。为了避免误操作,我就用一个大功率继电器,把市电和逆变器输出进行了强制隔离

这样一来逆变输出和市电完全隔离,只要一接市电,继电器就把逆变器交流输出切断,市电可以直接与我车内3个插座接通,同时开关电源还可以给备用电池组充电。遇到充电桩怎么办?买一个充电桩借电插座就行了,你也可以把充电桩借电插座直接安装在车上。我以市电插座优先为原则,用工业防水插头连接器作为借电接口,毕竟在户外市电插座更容易找到。旅途中你找个饭馆吃顿饭,向老板借个接线板充电没人会拒绝,如果附近有充电桩,充电桩插座可以用来过度。


这是我的房车借电插座,上面的插座是公头,20安电流,借电用的。下面的插座是母的,取电用的,10安电流,开逆变器就有电。我这两个插座外观小巧精致,不锈钢材料,由于是标准件价格合理还便于安装,用开孔器开孔就行。安装取电插座我是准备电鱼用的,用来摆地摊也是不错的选择,在我手里房车的用途很广泛。你也可以带个投影仪和车友们在山坳里开个大PATY,来一首“唱支酸歌给党听”送给你的女神。然后拿起鞭子,不用去抽敌人了,想抽谁我就不管了。
我为啥用开关电源而非充电器给备用电池组充电?这又涉及到我的用途问题,咱们先来了解开关电源与充电器的工作原理。充电器就是专门为电瓶服务的,可以恒压恒流,但问题是充电电流太小,很少有超过15安的,其实也没必要太大,能满足电瓶充电就够了。但如果你边充电,边在使用大功率直流电器比如直流驻车空调,显然充电器是不能满足要求的,充的电跑不过放的电。开关电源是给直流设备供电用的,持续电流大,但过流就保护了。一旦你的备用电池组亏电,电压低,接通后瞬间的大电流会导致开关电源过载保护。这是我的另一辆车,后面装了一块100A的备用电瓶,有次当备用电瓶严重亏电的时候,电瓶隔离器接通主电瓶和备用电瓶,瞬间的大电流将6方电缆烧化,内饰板都给烤焦了。为什么电瓶隔离器都用200A以上继电器?为什么充电器都有恒流功能?就是这个道理。
我为啥用开关电源而非充电器给备用电池组充电?这又涉及到我的用途问题,咱们先来了解开关电源与充电器的工作原理。充电器就是专门为电瓶服务的,可以恒压恒流,但问题是充电电流太小,很少有超过15安的,其实也没必要太大,能满足电瓶充电就够了。但如果你边充电,边在使用大功率直流电器比如直流驻车空调,显然充电器是不能满足要求的,充的电跑不过放的电。开关电源是给直流设备供电用的,持续电流大,但过流就保护了。一旦你的备用电池组亏电,电压低,接通后瞬间的大电流会导致开关电源过载保护。这是我的另一辆车,后面装了一块100A的备用电瓶,有次当备用电瓶严重亏电的时候,电瓶隔离器接通主电瓶和备用电瓶,瞬间的大电流将6方电缆烧化,内饰板都给烤焦了。为什么电瓶隔离器都用200A以上继电器?为什么充电器都有恒流功能?就是这个道理。

所以没人用开关电源给电池充电,而充电器就没这问题。我准备了两套解决方案,一是用电焊机充,那玩应儿电流大,就是输出电压是30伏,要控制充电电压,达到29v时切断。但电流不好控制,要知道最小的电焊机都有100多安的电流,会一直处于强充状态,我怕这么充影响电池寿命,就自己动手做了一个辅助充电器,辅助充电器可以恒流,啥叫恒流?用电负荷上去了电压就下来了电流不变,目的是可以跟我的开关电源互切。万一开关电源过载保护,自动切换辅助充电器干活,等备用电池组电压升高了开关电源自动恢复工作。我自己做的充电器样子不好看,但是它可以满足我的使用要求。如果你不具备这能力就买大功率的开关电源呗,越大越好,这样一来你可一边享受空调一边用电磁炉烧水煮咖啡,充电也不耽误,这个功能非常适合在有市电补给的情况下长期驻扎。

开关电源要买30v输出的,输出电压可以通过电位器上下调节10%,将电压调整至29v就可以给24v电池组充电。为了最大程度上防止开关电源过载保护,我在直流输出端加了3个35V2200uF的电容进行补偿。在使用时应先打开开关电源,让电容充电,再切换外能源充电档位。

由三路充电装置构成了多元化的房车综合电力系统基本满足了我的需要,用途广泛,根据状态切换到不同的档位,没有闲着的时候。电池组可以选择600安的,够空调用一晚问题不大。如果你发电机富余功率够的话,开几个小时车晒一天太阳就能充满备用电池组,彻底摆脱对市电的依赖,让你的脚步可以迈的更远。
备用电池组的充电装置虽然完成,对于我这个强迫症病危患者来说总觉得还有纰漏。
市场上的电瓶隔离器都有一个借电开关,功能是可强制接通主电瓶和备用电瓶,目的是一旦主电瓶亏电,备用电瓶帮助主电瓶启动发动机。天冷电瓶亏电打不着发动机是常见的现象,而24v电池组又不能跟12v主电瓶接通,咋办?我的系统不能有这个短板,我设计了一个备用电池组返充主电瓶装置,
备用电池组的充电装置虽然完成,对于我这个强迫症病危患者来说总觉得还有纰漏。
市场上的电瓶隔离器都有一个借电开关,功能是可强制接通主电瓶和备用电瓶,目的是一旦主电瓶亏电,备用电瓶帮助主电瓶启动发动机。天冷电瓶亏电打不着发动机是常见的现象,而24v电池组又不能跟12v主电瓶接通,咋办?我的系统不能有这个短板,我设计了一个备用电池组返充主电瓶装置,

24v备用电池组正极先接到1号继电器接常闭,线圈接钥匙门信号,这样做的目的是打开钥匙门就切断返充主电瓶电路,总不能让主电瓶一边给备用电池组充电再返充自己吧,为了避免误操作必须强制隔离。2号继电器接常开,线圈接开关,目的是拔下车钥匙后,就能打开返充主电瓶电路,使24v电源接通降压模块开始给主电瓶充电。所以,我的车不会存在主电瓶亏电现现象,主电瓶电压总是足足的,一打就着。太阳能充完备用电瓶再充主电瓶,充分利用自身优势互补。降压模块我选用的是太阳能充电上用的30安恒流降压板,就是说功率可达400w以上,为啥用那么大功率的?这其实是一个行车应急保障措施。众所周知,汽油车发动机是火花塞点燃,柴油车发动机是压燃。如果不开空调大灯和音响设备,柴油车就行车电脑、各种传感器和油泵需要供电,很省电的。不像汽油车,点火还要消耗电能。一旦发电机故障咋办?房车发电机负担重啊,电池组的电可不是大风刮来的,寿命不能跟正常使用比。这时我就可以依靠电瓶返充装置,将转换开关切到太阳能档位,利用备用电池组能量和太阳能,行车时给主电瓶供电。

因此我又增加了一个返充主电瓶应急开关,我用了一个按键式的转换开关,即使你钥匙门有电,我用转换开关把切断返充电路信号、给你旁通到指示灯上去了。小装置解决大问题,相当实用,多一个保障心里踏实,省得在外地修车挨刀。

在搭建综合电力系统的时候,要注意几个细节。所有输入端都要加保险,输出端都要加二极管和电容,一是防回流,二是吸收尖峰电流,三是可以在二极管前端接指示灯,便于判断故障。最好用理想二极管,效率高。备用电池组和太阳能要有空开,12V和24V共地要加共模电感。市电是稳定的,房车的直流电路波动大,我已经烧了三块板子了,我不能保证硬件不出问题,但在电路设计上一定要杜绝问题的发生。
电解决了下面来解决房车供水的问题,有人会说,做个清水箱装个水泵不就行了,没错,是这么简单,你是洗车用吗?对于那些想洗个热水澡,然后在车里做没羞没臊事情的野鸳鸯来说显然满足不了他们的需求。追求情趣不丢人,能让人分享你糜烂的生活更是你的价值体现。把水烧热方法很多,用电、燃油加热器、发动机尾气以及发动机冷却水都可行,有些房车厂家,竟把煤气罐和家用燃气热水器搬到房车里来,就差把浴缸给你搬进来了,有时这些专业厂家真不如业余选手高明。
汽车在行驶中发动机余热要靠水箱和电子扇释放,这是一个基本常识,利用发动机余热加热生活用水,既不占空间,也不浪费能源是两全其美的方案。我注意到有人在利用板式换热器也叫过水热提取发动机余热(板式换热器的原理不懂的可以去百度)给生活水箱加温,这是个不错的方案。这个方案的原理是发动机内循环冷却水接入板换一侧,生活水接入板换另一侧,靠循环水泵进行热交换,能获得相当不错的热交换效果。但操作起来麻烦点,还容易形成二次污染。我的方案也是利用发动机余热给生活用水加热,更省空间,不用装水泵强制热交换,少一个故障点和耗电装置。
电解决了下面来解决房车供水的问题,有人会说,做个清水箱装个水泵不就行了,没错,是这么简单,你是洗车用吗?对于那些想洗个热水澡,然后在车里做没羞没臊事情的野鸳鸯来说显然满足不了他们的需求。追求情趣不丢人,能让人分享你糜烂的生活更是你的价值体现。把水烧热方法很多,用电、燃油加热器、发动机尾气以及发动机冷却水都可行,有些房车厂家,竟把煤气罐和家用燃气热水器搬到房车里来,就差把浴缸给你搬进来了,有时这些专业厂家真不如业余选手高明。
汽车在行驶中发动机余热要靠水箱和电子扇释放,这是一个基本常识,利用发动机余热加热生活用水,既不占空间,也不浪费能源是两全其美的方案。我注意到有人在利用板式换热器也叫过水热提取发动机余热(板式换热器的原理不懂的可以去百度)给生活水箱加温,这是个不错的方案。这个方案的原理是发动机内循环冷却水接入板换一侧,生活水接入板换另一侧,靠循环水泵进行热交换,能获得相当不错的热交换效果。但操作起来麻烦点,还容易形成二次污染。我的方案也是利用发动机余热给生活用水加热,更省空间,不用装水泵强制热交换,少一个故障点和耗电装置。

首先制作一个合适的生活水箱,304不锈钢材质。水箱上要开9个孔,其中盘管热交换孔两个,生活水出水孔一个,生活水注水孔一个,进排气孔一个,电热加热棒孔一个,测温孔一个,水位孔一个,排污孔一个。零件包括电动三通球阀一个,四通及管件若干,进排气阀一个、电子水温表一个,水箱温度传感器一根,水位表一个、盘管换热器一个,70度常开热敏开关一个,70度常闭热敏开关一个, 2000w电热加热棒一根,温度控制器一个, 24v带压力开关隔膜泵一个。



这个盘管热交换器由18米Φ9.52紫铜管制成,按照每米300w的发热量算60度水温时换热量可达5000w以上。
首先将换热盘管固定在生活水箱内,在水箱换热盘管进水孔安装电动三通阀,换热盘管出水孔安装四通。四通一侧连接电动三通阀,一侧接换热盘管回水,一侧接暖风水箱,一侧接热敏电阻开关。生活水注水孔通过波纹管延伸到车外,水箱出水口上安装隔膜泵,用来供生活用水。水箱上还分别安装了进排气阀、水温表,水位表、2000w电加热棒还有温度控制器。
首先将换热盘管固定在生活水箱内,在水箱换热盘管进水孔安装电动三通阀,换热盘管出水孔安装四通。四通一侧连接电动三通阀,一侧接换热盘管回水,一侧接暖风水箱,一侧接热敏电阻开关。生活水注水孔通过波纹管延伸到车外,水箱出水口上安装隔膜泵,用来供生活用水。水箱上还分别安装了进排气阀、水温表,水位表、2000w电加热棒还有温度控制器。


电动三通阀不能随便用,我这个是车辆专用的,宽幅电压输入,12v到36v都可以适应,一般的直流阀门都是开关电源供电,用在车上容易烧。阀门采用7线制,红线和黑线是电源,接24v电瓶,两根黄线是控制,接通后阀门就转向,断开后复位。蓝线是反馈信号公共,绿线接开阀指示灯,橙线接闭阀指示灯,只有执行器开到位水阀完全打开指示灯才亮。

装车之前先要找到汽车冷却水装置内循环和外循环管路,内循环水管是要接到空调换热水箱上去的,内循环水管一般是内经16mm的细管,外循环水管是接发动机散热水箱的粗管。空调暖风水箱都有一个可调流量的阀门,当你把空调旋钮调到加热,阀门打开,热水进入空调暖风水箱,旋钮越向右拧热水流量越大,相反则关闭阀门。

找到这个阀门后,你就找到了空调暖风水箱出水管。把进出水管拆下来,通过宝塔对丝接头,延长至生活水箱。
开启发动机余热加热生活水装置是有条件的,为了保证发动机正常运行,我先在发动机冷却水内循环管路里加了一个常开热敏电阻温度开关,只有水温达到70度满足条件时,热敏开关闭合才能接通阀门控制信号,低于70度断开信号。当你看到仪表盘水温上来后,就可以启动电动三通阀开关,这时候冷却水转向,进入生活水箱换热盘管(不满足条件也能启动,反正阀门不工作),此时开空调暖风热量就很低了,用此功能时暖风阀门必须打开!!!通过温度表获得生活水箱水温信息后,可关闭电动三通阀停止热交换,进入原始状态,这时候空调暖风恢复,不受影响。有人会问为啥不用外循环水管,节温器打开后热水直接可以给换热盘管用。发动机余热就那么多,看你怎么用。可持续的高温冷却水只有内循环可以提供,容易控制。外循环冷却水是间歇性的,而且水管都是一寸半的粗管,不是什么东西都越粗越好,不算其它管件,一个DN32的电动三通阀门多少钱,可操作性太差。我在控制电路上安装了热敏电阻温控开关,等同于节温器。节温器是热了自动打开,我是凉了自动关闭,都起到保护发动机的作用,效果一样。
采用发动机余热方式加热生活用水,优点太多,缺点是启动发动机才能用,所以最好安装辅助加热装置,我用了个2000w的电加热棒,作为辅助加热手段,但只有在有市电的情况下才能使用。以后准备装一个24v驻车燃油加热器辅助加热,适合户外使用。那玩意儿体积也不大,自带离心泵,安装到内循环水路上就可以了,热量比电加热棒大的多,是北方的房车车主必备的驻车取暖设备。装上后可加热生活水箱、空调暖风水箱。房车除了度假用,也是日常通勤工具,冬季出门前先用驻车燃油加热器把车暖了,我的返充装置已经把主电瓶充的足足的,不一打就着开着就走。
开启发动机余热加热生活水装置是有条件的,为了保证发动机正常运行,我先在发动机冷却水内循环管路里加了一个常开热敏电阻温度开关,只有水温达到70度满足条件时,热敏开关闭合才能接通阀门控制信号,低于70度断开信号。当你看到仪表盘水温上来后,就可以启动电动三通阀开关,这时候冷却水转向,进入生活水箱换热盘管(不满足条件也能启动,反正阀门不工作),此时开空调暖风热量就很低了,用此功能时暖风阀门必须打开!!!通过温度表获得生活水箱水温信息后,可关闭电动三通阀停止热交换,进入原始状态,这时候空调暖风恢复,不受影响。有人会问为啥不用外循环水管,节温器打开后热水直接可以给换热盘管用。发动机余热就那么多,看你怎么用。可持续的高温冷却水只有内循环可以提供,容易控制。外循环冷却水是间歇性的,而且水管都是一寸半的粗管,不是什么东西都越粗越好,不算其它管件,一个DN32的电动三通阀门多少钱,可操作性太差。我在控制电路上安装了热敏电阻温控开关,等同于节温器。节温器是热了自动打开,我是凉了自动关闭,都起到保护发动机的作用,效果一样。
采用发动机余热方式加热生活用水,优点太多,缺点是启动发动机才能用,所以最好安装辅助加热装置,我用了个2000w的电加热棒,作为辅助加热手段,但只有在有市电的情况下才能使用。以后准备装一个24v驻车燃油加热器辅助加热,适合户外使用。那玩意儿体积也不大,自带离心泵,安装到内循环水路上就可以了,热量比电加热棒大的多,是北方的房车车主必备的驻车取暖设备。装上后可加热生活水箱、空调暖风水箱。房车除了度假用,也是日常通勤工具,冬季出门前先用驻车燃油加热器把车暖了,我的返充装置已经把主电瓶充的足足的,不一打就着开着就走。

水系统的使用控制采用4个带指示灯的不锈钢自锁开关,以及一个4路可编程继电模组构成,分别安装在3个86盒上,虽然没有房车专用的控制面板显得有档次,可我的原则是节省空间见缝插针。


刚才提到过我买了两个热敏电阻温度开关,其中70度常开热敏电阻开关控制发动机水温,70度常闭热敏开关我是给燃油加热器准备的,内循环水温达到70度自动关闭燃油加热器。将燃油加热器安装在内循环水管进入生活水箱换热盘管前,控制线接编程模组继电器常闭,热敏电阻开关接编程模组信号输入,这样可保证内循环水温达到70度后自动关闭。
上面两个开关分别控制电动三通阀和2000w电热棒,打开三通阀开关后阀门执行器开到位指示灯才亮。打开电加热棒开关后指示灯就亮,然后由温控器接管,没温控器这道程序,就怕你忘了这事水烧开了都不知道。下面两个开关分别控制生活水泵和驻车燃油加热器,编程模组上的四个继电器分别控制电动三通阀、2000w电热棒、驻车燃油加热器和隔膜泵,根据预先设定的程序根据在不同状态下对水系统进行控制。
有了生活用水卫生间是要装的,我是用来沐浴的,玩了一天不洗个澡轻松一下怎么睡觉。灰水箱和黑水箱我就不考虑了,多准备点塑料袋应急,实在不想拉着有机肥满街跑。那两件装备最适合高速堵车用,使用起来代价太大,有懒癌和洁癖的慎用,户外其实就是最大的公厕。
水电就绪,下一步就是安装驻车空调了。常见的驻车空调是置顶式驻车空调,安装简单,在车顶开个方孔,接上220v电源就行了。在我眼里置顶式驻车空调就是一个踩扁的窗机,使用中暴露很多缺陷。首先要在你车顶开孔,破坏结构,搞不好就漏水。
上面两个开关分别控制电动三通阀和2000w电热棒,打开三通阀开关后阀门执行器开到位指示灯才亮。打开电加热棒开关后指示灯就亮,然后由温控器接管,没温控器这道程序,就怕你忘了这事水烧开了都不知道。下面两个开关分别控制生活水泵和驻车燃油加热器,编程模组上的四个继电器分别控制电动三通阀、2000w电热棒、驻车燃油加热器和隔膜泵,根据预先设定的程序根据在不同状态下对水系统进行控制。
有了生活用水卫生间是要装的,我是用来沐浴的,玩了一天不洗个澡轻松一下怎么睡觉。灰水箱和黑水箱我就不考虑了,多准备点塑料袋应急,实在不想拉着有机肥满街跑。那两件装备最适合高速堵车用,使用起来代价太大,有懒癌和洁癖的慎用,户外其实就是最大的公厕。
水电就绪,下一步就是安装驻车空调了。常见的驻车空调是置顶式驻车空调,安装简单,在车顶开个方孔,接上220v电源就行了。在我眼里置顶式驻车空调就是一个踩扁的窗机,使用中暴露很多缺陷。首先要在你车顶开孔,破坏结构,搞不好就漏水。

其次是增加了风阻和高度,让你老得注意限高;

并且挤占了太阳能板的安装位置,由于窗机改的,噪音问题也很突出,而且费电。所以,几乎有一半的房车改装厂给你安装家用变频空调。安装家用空调的代价是很大的,不是价钱的问题,而是其他成本。首先家用空调的外机不能挂在车外面,警察叔叔看见会不高兴的, 就要在车内做一个隔热隔噪的室外机仓,占了一个灶台的位置,内机也要占空间,对于B型房车来说实在有点难以接受。挤占了寸土寸金的房车内部空间不说,室外机仓要在车底盘开一个长方形进气口,车身上要开一个圆孔排热,在你的爱车上大动干戈即使你的心在流血也得忍着。虽然家用变频空调好用,但都是按照住宅标准设计生产的,没有减震措施,冷媒管路都是铜管连接,铜管接口要做喇叭口,靠铜纳子锁紧。汽车空调都是胶管连接,接口都是带胶圈的压板接头,不拍振动,长期跑低等级公路家用空调难免会出现问题。这些改装厂是不会跟你说的,兴许他们根本就不知道。


还有一种驻车空调,叫底置式驻车空调,外型犹如一台窗机。底置式空调是安装在车辆地板上的,不增加车辆高度和风阻力,噪音问题也得到改善,但存在以下缺陷;一,安装需要有内部隔仓,还得挤占房车内部空间。二,送风是通过3根送风管道来实现,管道需要包裹,施工成本高,装饰成本高。三,底盘需要开散热口,又牵扯到破坏结构问题。而且这些使用交流电的驻车空调,都需要一个大功率的逆变器来供电,不提配套设备的成本,逆变损耗也是不可忽视的问题。

除了上述3种形式还有没有更理想的空调方案呢?我的要求是,既不占用房车宝贵的空间,也不破坏原车结构做到无损安装,分体式、低噪、变频、热泵制热、最好不用逆变器电瓶直供,有没有这种驻车空调?也许你还没听说,这种产品已经问世了。
这是一种市场上从未出现过的驻车空调,名曰《植入式驻车空调》。顾名思义,这不是一台独立的空调系统总成,而是需要植入到你原车空调系统内,借助原车空调管路以及蒸发器、冷凝器完成制冷循环的,由控制器对汽车空调电路进行智能管理。貌似这种形式的驻车空调在解放J6卡车上也在使用,原理是通过两个三通和两个气体单向阀进行电动压缩机和机械压缩机切换。原理并不复杂,不过空调系统的组成部分,压缩机、冷凝器、膨胀阀、蒸发器的匹配需要经过严格计算的。冷凝器大了,高压上不来,蒸发器大了会产生小马拉大车的现象,回气温度过高会导致压缩机热保护,甚至于烧毁。但是,货车的驾驶仓空间很小所需冷量也就小,空调子系统的匹配相对容易。所以,解放J6的驻车空调子系统匹配肯定是经过精心调校的,并不适合用在房车上。一般房车底盘的空调多大冷量?看看说明书就知道了,10千瓦。你问相当于几匹空调,一说到匹我就一脸无奈。匹是电功率,一匹等于735瓦输入功率。买空调看能效比,一般一级能效的变频空调能效比在3.6以上,我家的三菱定频是2.78。用735瓦乘3.6是2600瓦冷量,乘2.78是2000瓦挂零。无论参照哪个标准,房车空调至少也相当于4匹空调,比货车空调冷量大的多。
汽车空调原理与家用空调原理大致相当,区别是空调压缩机形式、控制方式还有制冷剂。汽车空调大多数是活塞式压缩机,效率是最低的。家用空调是转子式,高档的用涡旋式。家用空调调节冷量是以环境温度为准,电脑根据室温传感器反馈的参数控制压缩机的转速或启停。汽车空调调节冷量是以蒸发温度为准,温控开关根据蒸发器温度控制压缩机电磁离合器的吸合。所以,汽车空调的环境温度传感器是皮肤,热你就把空调开大点,冷就开小点,不过现在有很多豪车也是自动恒温空调。家用空调跟汽车空调还有一个区别是制冷剂,现在家用空调普遍用R410,是一种高压制冷剂,汽车空调用R134A。这两种制冷剂有什么不同?相比R410制冷剂,R134A热传导效率低、工作压力低、沸点低、只有-25度,但非常环保,适合用在汽车上。其实冷藏车用的也是R410制冷剂, R410沸点-50度,不然拉不到零下18度,和路雪不让你进场装货。134A-25度的沸点怎么可能拉到-18度。扯远了,不过不了解这些基础原理知识,就很难判断这型驻车空调能否适应房车的使用工况。
植入式驻车空调共有三款,先看看样本了解下性能参数,
这是一种市场上从未出现过的驻车空调,名曰《植入式驻车空调》。顾名思义,这不是一台独立的空调系统总成,而是需要植入到你原车空调系统内,借助原车空调管路以及蒸发器、冷凝器完成制冷循环的,由控制器对汽车空调电路进行智能管理。貌似这种形式的驻车空调在解放J6卡车上也在使用,原理是通过两个三通和两个气体单向阀进行电动压缩机和机械压缩机切换。原理并不复杂,不过空调系统的组成部分,压缩机、冷凝器、膨胀阀、蒸发器的匹配需要经过严格计算的。冷凝器大了,高压上不来,蒸发器大了会产生小马拉大车的现象,回气温度过高会导致压缩机热保护,甚至于烧毁。但是,货车的驾驶仓空间很小所需冷量也就小,空调子系统的匹配相对容易。所以,解放J6的驻车空调子系统匹配肯定是经过精心调校的,并不适合用在房车上。一般房车底盘的空调多大冷量?看看说明书就知道了,10千瓦。你问相当于几匹空调,一说到匹我就一脸无奈。匹是电功率,一匹等于735瓦输入功率。买空调看能效比,一般一级能效的变频空调能效比在3.6以上,我家的三菱定频是2.78。用735瓦乘3.6是2600瓦冷量,乘2.78是2000瓦挂零。无论参照哪个标准,房车空调至少也相当于4匹空调,比货车空调冷量大的多。
汽车空调原理与家用空调原理大致相当,区别是空调压缩机形式、控制方式还有制冷剂。汽车空调大多数是活塞式压缩机,效率是最低的。家用空调是转子式,高档的用涡旋式。家用空调调节冷量是以环境温度为准,电脑根据室温传感器反馈的参数控制压缩机的转速或启停。汽车空调调节冷量是以蒸发温度为准,温控开关根据蒸发器温度控制压缩机电磁离合器的吸合。所以,汽车空调的环境温度传感器是皮肤,热你就把空调开大点,冷就开小点,不过现在有很多豪车也是自动恒温空调。家用空调跟汽车空调还有一个区别是制冷剂,现在家用空调普遍用R410,是一种高压制冷剂,汽车空调用R134A。这两种制冷剂有什么不同?相比R410制冷剂,R134A热传导效率低、工作压力低、沸点低、只有-25度,但非常环保,适合用在汽车上。其实冷藏车用的也是R410制冷剂, R410沸点-50度,不然拉不到零下18度,和路雪不让你进场装货。134A-25度的沸点怎么可能拉到-18度。扯远了,不过不了解这些基础原理知识,就很难判断这型驻车空调能否适应房车的使用工况。
植入式驻车空调共有三款,先看看样本了解下性能参数,

可以说,这个参数并不咋样,用2000w冷量除以800w的输入功率,能效比仅仅大于2.5,比家用变频空调动则大于3.5的能效差的远。不过这个参数倒很客观,总比那些靠参数造假出来混的厂家强。有些二流空调厂家,能效比标的比格力还高,要知道格力有近万研发人员,国家空调实验室都建立在格力。选型看厂家有什么样的生产设备,多少研发人员,产品上都运用了哪些新技术。24v直流空调怎么可能跟220v交流比能效,电流差9倍。刨去逆变损耗,能效比应该和使用交流电的空调差不了多少,要相信能量守恒定律,不要总纠结那点电,房车空调能用几天?我更在乎的是适用性和安装优势。我只看效果,不看参数,用实践来检验我的选择。
包装箱里面有五件设备;为驻车空调主机,电子膨胀阀,温控器,气体截止阀,压力开关,外加4根线束,没有蒸发器和冷凝器。驻车空调主机上前后各有2个气体接头,前面有4个航空插座,一对直流电接线柱。
包装箱里面有五件设备;为驻车空调主机,电子膨胀阀,温控器,气体截止阀,压力开关,外加4根线束,没有蒸发器和冷凝器。驻车空调主机上前后各有2个气体接头,前面有4个航空插座,一对直流电接线柱。


4个气体接头接汽车压缩机高低压管进气和出气,4个航空插头座对应四套线束,分别接到汽车钥匙门线、汽车压缩机电磁离合器控制线、触发启动开关、温控器、电子膨胀阀、蒸发温度传感器、冷凝器电机、冷凝温度传感器、和气体截止阀。直流接线柱接备用电池组,这回明白我为啥哭着喊着要用开关电源充电了吧。一般房车底盘如依维柯和全顺,客版的都有前区空调和后区空调,货版的仅有前区空调。如果你的车是货版的可以加装一台后区蒸发器,要先把制冷管路搞清楚再下手,下面我就把这个神器安装到车上。
在底盘找好位置,先将植入式驻车空调主机用4根吊杆悬吊在底盘下,主机高度仅仅190mm,比油箱还薄,长度450mm,宽度280mm,体积与一块150AH电瓶类似。绝大部分房车甚至非承载底盘的商务车都可以安装。
在底盘找好位置,先将植入式驻车空调主机用4根吊杆悬吊在底盘下,主机高度仅仅190mm,比油箱还薄,长度450mm,宽度280mm,体积与一块150AH电瓶类似。绝大部分房车甚至非承载底盘的商务车都可以安装。


在底盘下固定好驻车空调主机,这个高度非常合适,然后开始连接气体管路。

先将汽车空调压缩机高压管在进入冷凝器前截断(4分管),压上两个接头,分别与驻车空调主机高压进气口、出气口对接。将汽车空调压缩机通往空调蒸发器的低压回气管截断(5分或6分),压上两个接头分别接驻车空调主机低压进气口和出气口。


驻车空调主机出气口通过4分管连接冷凝器进气口。

将冷凝器高压出气管(3分管)接上三通,气体分别通往前区空调蒸发器和后区空调蒸发器。前后空调蒸发器回气管(5分或6分)接上三通,接驻车空调主机回气口。

将通往前区空调蒸发器的高压管截断,压上两个3分的空调接头,将气体截止阀安装在中间。

至此空调管路的安装完成。如果你的车有后区空调,就省去了装两个三通的步骤。
下面进行植入式驻车空调电路安装,首先将4根线束依次插在相应的航空插座上,顺序不对插不进去的。其中第一根线束为4根线,按照标识,将第一根线接钥匙门火线(就是打开钥匙门就有电的那根)。
下面进行植入式驻车空调电路安装,首先将4根线束依次插在相应的航空插座上,顺序不对插不进去的。其中第一根线束为4根线,按照标识,将第一根线接钥匙门火线(就是打开钥匙门就有电的那根)。

然后再找到压缩机电磁离合器那根控制线,有的车是一根火线,有的是两根分正负极。剪断其中一根,然后按照线束标识两头接到第二根和第三根。

最后一根线按照线束标接气体截止阀的电源线(不分正负极),截止阀负极接地即可。

第二根线束为4根线,2根电源线2个是传感器。找到冷凝器的出气口,按照标识,将温度传感器用保温胶泥包裹在冷凝器接头铝管上。

找到冷凝风机的电源火线,拨出铜丝,按照线束标识和驻车空调接冷凝器的两根电源线焊接在一起。如果你的冷凝器是一个风机,并在一起焊就可以。

第三条控制线束是电子膨胀阀驱动,拆掉蒸发器上原来的膨胀阀,换上电子膨胀阀,按照线束标识,将蒸发温度传感器用保温胶泥包裹在膨胀阀出气管上即可。


说到电子膨胀阀让我想起一件往事,十几年前去山东德州出差,一下高速就看见一家店铺挂着大大的招牌,名曰“德州扒鸡总店”,心说德州扒鸡挺会做生意啊,店都开到高速口来了。结果没走两百米又见一家德州扒鸡总店,一路上都是德州扒鸡总店。所以,今天的变频空调已经是一种概念了,不挂变频招牌的空调不好卖。变频空调的显著特征就是电子膨胀阀,它可以根据冷媒的流量进行过热度调节,调节范围10~100%。定频空调焊几根毛细管就能节流了,汽车空调节流是通过定流量膨胀阀,因为汽车蒸发器都是铝的,没法焊毛细管。汽车空调膨胀阀分单尾阀和双尾阀,单尾阀过热度调节靠包在回气管上的感温包驱动针阀,双尾阀除了回气管上的感温包,在进气管上也有一个感温包,还有一个旁通毛细管,将多余的冷媒旁通到低压管里,调节范围大一点。因此,今后再看到谁买到不带电子膨胀阀的变频空调时,呵呵就行了。
第四条线束分别连接空调触发启动开关和温控器,按照标识将火线、制冷、制热压在温控器端子上。温控器高速、中速、低速端子压三根线接后区空调蒸发器电机的高中低速,地线接车壳即可,
第四条线束分别连接空调触发启动开关和温控器,按照标识将火线、制冷、制热压在温控器端子上。温控器高速、中速、低速端子压三根线接后区空调蒸发器电机的高中低速,地线接车壳即可,


至此空调系统安装完毕,下面看下厂家的样本熟悉一下植入式驻车空调在不同状态下的工作原理。

汽车行驶过程中驻车空调主机无法启动,开启行车空调后,汽车空调压缩机进排气仅仅是通过驻车空调主机。此时驻车空调电脑不干预汽车空调系统电路,仅支配后区空调电子膨胀阀工作,此刻前后区空调都处于行车制冷模式,驻车空调温控器是两用的,在汽车行驶中也可控制后区空调工作。
停车拔下车钥匙后,才能启动植入式驻车空调。先按触发开关启动驻车空调,此刻驻车空调主机隔离汽车空调压缩机、接通电动空调压缩机气体管路,气体截止阀阻断通往前区空调蒸发器的高压气体,温控器显示车内温度。按温控器制冷键,电动涡旋压缩机开始运转,后区空调工作。冷凝器、蒸发器由驻车空调电脑接管控制,使用备用电池组能量,冷媒沿顺时针流动,进入驻车制冷模式。按温控器制热健,空调转向四通阀启动,冷媒沿逆时针流动,后区空调工作,进入驻车制热模式。
水、电、驻车空调安装就绪,功能强大的、你花钱也买不到的房车在我手中诞生了,这回总算可以过上颠沛流离的生活了。再瞧我的车内,看看都增加了什么?去验车谁看得出你这是改装过的。驻车空调吊底盘,备用电池组吊底盘,生活水箱本想吊底盘,结果底盘下实在找不到位置,就做成长方形的,专门设计个折叠沙发床放下面。综合电力系统由一个设备盘,两个控制面板组成。设备盘被我安装在后区蒸发器后面的顶棚内,虽然安装位置有点拥挤,但省了空间不说,空调还能帮助充电装置散热。三路直流充电装置输出分别压在接线端子上,再接到充电控制面板上的3路转换开关,由转换开关分配由哪路给太阳能充电控制器,充电控制面板上还安装有应急返充开关和指示灯。总控制面板安装在右前门旁,方便驾驶员时时阅读各种参数,包括室内温度、室外温度、主电瓶电压。指示灯包括电瓶隔离器指示灯、太阳能充电指示灯、市电充电指示灯、返充主电瓶指示灯和交流电指示灯(开启逆变器和接入市电指示灯都会亮)。总控面板上的按键开关可以开启逆变器、返充主电瓶装置、灯光1和灯光2,温控器可以在行车时控制汽车空调后蒸发器,停车后控制驻车空调。水系统控制被集中安装在车后部的盖板上,车内安装有3个电源插座,太阳能充电控制器上还有两个USB接口,主电瓶电压表上也有USB接口,方便乘客玩手机。
停车拔下车钥匙后,才能启动植入式驻车空调。先按触发开关启动驻车空调,此刻驻车空调主机隔离汽车空调压缩机、接通电动空调压缩机气体管路,气体截止阀阻断通往前区空调蒸发器的高压气体,温控器显示车内温度。按温控器制冷键,电动涡旋压缩机开始运转,后区空调工作。冷凝器、蒸发器由驻车空调电脑接管控制,使用备用电池组能量,冷媒沿顺时针流动,进入驻车制冷模式。按温控器制热健,空调转向四通阀启动,冷媒沿逆时针流动,后区空调工作,进入驻车制热模式。
水、电、驻车空调安装就绪,功能强大的、你花钱也买不到的房车在我手中诞生了,这回总算可以过上颠沛流离的生活了。再瞧我的车内,看看都增加了什么?去验车谁看得出你这是改装过的。驻车空调吊底盘,备用电池组吊底盘,生活水箱本想吊底盘,结果底盘下实在找不到位置,就做成长方形的,专门设计个折叠沙发床放下面。综合电力系统由一个设备盘,两个控制面板组成。设备盘被我安装在后区蒸发器后面的顶棚内,虽然安装位置有点拥挤,但省了空间不说,空调还能帮助充电装置散热。三路直流充电装置输出分别压在接线端子上,再接到充电控制面板上的3路转换开关,由转换开关分配由哪路给太阳能充电控制器,充电控制面板上还安装有应急返充开关和指示灯。总控制面板安装在右前门旁,方便驾驶员时时阅读各种参数,包括室内温度、室外温度、主电瓶电压。指示灯包括电瓶隔离器指示灯、太阳能充电指示灯、市电充电指示灯、返充主电瓶指示灯和交流电指示灯(开启逆变器和接入市电指示灯都会亮)。总控面板上的按键开关可以开启逆变器、返充主电瓶装置、灯光1和灯光2,温控器可以在行车时控制汽车空调后蒸发器,停车后控制驻车空调。水系统控制被集中安装在车后部的盖板上,车内安装有3个电源插座,太阳能充电控制器上还有两个USB接口,主电瓶电压表上也有USB接口,方便乘客玩手机。




现在,可以给新家添置生活用品了。旋转座椅准备好了,多功能的沙发床已经设计完成,正在购买材料制作中。

座椅这样配置可提供三种姿态模式;一是行驶模式,后排可坐三人,中排做两人,正向坐姿。二是休闲模式,对向坐姿。三是展开沙发床,形成上下铺,将旋转座椅拉近沙发床,靠背放倒,下面可纵向睡两个大人,上面横向睡一个孩子,形成2+1的睡眠模式,充分体现了多功能的设计理念。房车侧装的遮阳篷我就不装了,准备在车尾挂一个类似于房车遮阳篷可展开的帐篷,可不是遮阳篷是帐篷,方便沐浴,这是一次拓展功能的尝试,等外观专利下来再露面。接下来准备添置车用电器;
成品房车安装的电器控制面板类似于酒店的床头柜,作用是好卖。而我设计的电器控制装置的作用是用逻辑电路、智能管理车载电器的使用阶段,避免误操作,就一个按键更贴心。原理图自己分析吧,我说下作用。
成品房车安装的电器控制面板类似于酒店的床头柜,作用是好卖。而我设计的电器控制装置的作用是用逻辑电路、智能管理车载电器的使用阶段,避免误操作,就一个按键更贴心。原理图自己分析吧,我说下作用。


停车拔下车钥匙后,才可打开直流电源总开关,绿色指示灯亮起,逆变器直流输入接通,逆变器主要供驻车空调和电磁炉微波炉以及车内灯光用的,所以只有在驻车时才能启动直流总开关,开启逆变器。一旦打开钥匙门逆变输入就切断了,用于控制水系统的可编程继电模组收到信号后,驻车燃油加热器电路和水泵的电路被切断,接通用于生活水箱加热的电动三通阀电路,可以打开三通阀加热生活水箱。直流冰箱、直流热水壶、移动影音设备默认是驻车时才能使用,打开钥匙门后,这路24v直流电并没有被切断,而是红色指示灯亮起,你可以继续享受这些设备,不想用按下直流总开关键关闭就行了,指示灯熄灭。买一个带双色指示灯的自复开关和一个大功率中间继电器,两个12V电磁继电器一个24V电磁继电器和一个24V磁保持继电器,按照图纸在端子排上接线就搞定,这样你就不用操心你的电器哪个忘记关了。

我改装的侧重点在于合理利用房车内每一寸空间,在基础工程上广泛应用新技术,挖掘房车的潜力。每个开关,每件设备,都突出实用功能。没有那些华而不实的装备,除了空调你找不到一件房车专用零件。如果客户都像我这样以后房车改装厂的生意还怎么做^O^,你直接去买房车底盘就行了。其实成品房车的故障率远比房车底盘高的多,配套设备的可靠性还在成长过程中,老一辈车主们基本都“宝宝心里苦啊”,又不好意思说出来那不打自己脸嘛,逼急了才在群里吐吐槽。这些故障主要集中在电器上面,汽车的使用环境和住宅是不一样的,风吹日晒加上颠簸,电路上的尖峰电流及浪涌,想不坏都难,当初都是被厂家忽悠的。你要吸取他们的经验教训,摸着他们的老婆过河。
此时此刻回想起当初,多少个日日夜夜,为了设计安装这些装备,遇到了想象不到的困难,想尽办法解决了各种问题,那一幕幕场景、一个个瞬间,将成为宝贵的精神财富,也是茶余饭后和朋友们吹牛的资本。
此时此刻回想起当初,多少个日日夜夜,为了设计安装这些装备,遇到了想象不到的困难,想尽办法解决了各种问题,那一幕幕场景、一个个瞬间,将成为宝贵的精神财富,也是茶余饭后和朋友们吹牛的资本。





接下来的工作是测试,即将迎来检验真理的时刻。先测试综合电力系统,将转换开关拨到一档选择内能源充电,启动发动机,两分钟后电瓶隔离器接通,总控制盘上行车充电指示灯亮起。如果用一个升压板给电池组充电,可以通过三档转换开关接到太阳能充电控制器上,可监测充电状态。我的发电机功率大,用了两块升压板,绕开了太阳能充电控制器,所以仅能看到电瓶隔离器指示灯亮起,没有测电流的点。转换开关切换一档会有一个信号给继电器,接通内能源充电线路。

将转换开关拨到二档选择光辅助充电,太阳能充电控制器显示电压24.5V,电流表显示10.17 安,4块太阳能板在光照好的情况下贡献出245W的电能,总控制盘上光辅助充电指示灯亮起。


将转换开关拨到三档选择外能源充电,接上市电,太阳能充电控制器显示充电电压27.2V,电流表显示18.75 安,总控制盘上外能源充电指示灯亮起。


打开逆变器,控制盘上220v交流电指示灯亮起,各插座和外部取电插座显示都有电,打开前后顶灯开关后射灯亮起。


拔下车钥匙,按主电瓶返充装置开关,指示灯亮。打开钥匙门,电瓶返充装置指示灯熄灭,再按应急返充键,指示灯都亮,充电正常。

经测试综合电力系统运行稳定,达到设计指标,下一步测试房车水箱的加热功能,把水加满,启动发动机出去跑一圈,等发动机水温升到大约80度打开电动三通阀门。现在生活水箱内水温为 9.4度。

30分钟后升至27.4度,

1小时40分钟后升至54.6度,满足要求。

以后还可以把这个铜管换热器做大点,升温更快。这个水箱体积是310mm×300mm×1000mm的,能容纳90多升水,够我这样的人洗几个澡了。我洗澡好比涮羊肉,如果你洗澡好比煲老鸭汤建议你还是住酒店吧。
最后测试驻车空调系统,趁着上午天凉快,先测试制热功能。拔出车钥匙,触发启动植入式驻车空调。
最后测试驻车空调系统,趁着上午天凉快,先测试制热功能。拔出车钥匙,触发启动植入式驻车空调。

此刻温控器液晶面板显示车内温度为23.2度。车外温度表显示23.5度。按模式键切换到制热,将温度设置为33度,低风速档运行;

此时车内仅能听到蒸发器微弱的风机声,非常安静。温控器还是触屏的,整个一车用中央空调,出风口温度为30.2度。

大概30分钟的样子,温度提升至26.1度,出风口温度35.5度。


电流表显示电流为24.64安,太阳能控制器显示电压25.8伏。这个能耗能够接受,再维持车内温度就用不了多少电了,就像冰箱一样,所以房车保温一定要做到位,关系到空调能耗。

中午测试制冷功能,拔出车钥匙,触发启动植入式驻车空调。此刻温控器液晶面板显示车内温度为25.9度。车外温度表显示25.4度。

按模式键切换到制冷,将温度设置为18度,低风速档运行;


空调启动后出风口温度为17.3度。电流表显示空调运行电流仅为15.13安,太阳能充电控制器显示电瓶电压为23.6伏,等于运行功率才357w;


不会吧这么省电?厂家解释此刻空调系统已经进入变频状态。家用变频空调调节压缩机转速,是根据环境空气温度调节,植入式驻车空调是根据释放的能量来调节压缩机转速,压缩机低压回气温度越高转速越高。现在是3月份,车内外温差很低,冷凝器排热效率也高,电脑根据冷凝和蒸发温度传感器的参数,运算后调节释放的能量少,运行电流自然低。如果蒸发器用高风速档电子膨胀阀释放的能量就多了,电流就上来了。家用变频空调与植入式驻车空调的区别相当于开环控制与闭环控制。
大概20多分钟,温控器显示车内温度为 23.8度,车外温度表显示26度,出风口温度为4.8度。
大概20多分钟,温控器显示车内温度为 23.8度,车外温度表显示26度,出风口温度为4.8度。


4.8度,冷藏车呀!想把乘客变成速冻水饺?其实这是蒸发器表面温度,并不是空气温度。汽车温控开关就是靠蒸发器表面温度调节冷量的。
最后测试下行车制冷模式,打开钥匙门液晶面板通电后点亮,显示车内温度25.3度,车外25.9度,设置温度18度,启动发动机同时开启前后空调。两分钟后电瓶隔离器接通指示灯亮起,这并不等于已经开始给电瓶充电,行车充电要把转换开关切到内能源充电档位。
最后测试下行车制冷模式,打开钥匙门液晶面板通电后点亮,显示车内温度25.3度,车外25.9度,设置温度18度,启动发动机同时开启前后空调。两分钟后电瓶隔离器接通指示灯亮起,这并不等于已经开始给电瓶充电,行车充电要把转换开关切到内能源充电档位。

此刻后区空调出风口温度15.8度,而且是高速档,还是汽车空调压缩机有劲;

一根烟的功夫车内温度已降至22.8度。

房车改装是一个庞大的系统工程,是一个团队的工作,没有坚实的理论基础、工程经验和动手能力不要轻易尝试,确定了符合自己要求的方案最好还是交给房车改装厂去做。一定要把基础工程做好,剩下的房车内部装饰,对我来说就是请个木匠和裁缝的事情了。当然,你也可以自己动手,把改装当做乐趣、当做一次锻炼自己的人生经历。未来,我们可以发挥想象力,在你熟悉的领域围绕着房车的发展方向,去设计制作多功能、小型化、模块化,智能化,具有拓展功能的房车构件,施展你的专业技能和我一起打造高品质的房车生活。相信有一天,你会梦想成真,开着属于自己的超级房车,带上妻儿、还有年迈的父母,让他们也感受到时代的精彩,抒写一首你自己导演的房车故事。
我的改装工作完成,明天就可以开着她继续寻找梦中的吉普赛女郎。
我的改装工作完成,明天就可以开着她继续寻找梦中的吉普赛女郎。

本文献给热爱生活,热爱家庭,不懈追逐房车梦的房车人。
作者;艳茶 2019.3
作者;艳茶 2019.3
打开汽车之家 阅读体验更好
举报/纠错