DVD导航另类磨机:更换TDA7850-增加前置放大-接入低通滤波信号
汽车音响由于其听音环境狭窄,车辆行驶噪声和发动机噪声大,扬声器音圈行程和口径不能太大,低音共鸣箱体受到局限不能达到等效容积,功放电源只能是+12V直流,无法提供25~!30V的±双电源等诸多原因制约,改装制作成本比室内音响高很多。
很多汽车音响的改装,基本上是名牌CD、大功率功放、比较高档的主声场喇叭,再加上强力推动的大功率低音炮,有的还配上等等高端的解码器等等。整体投入与产出很多时候不成正比,改装效果往往是事倍功半。
对于要求不是很高的车友,只是追求相对过得去,尽量在不更换或是少更换原车配件的条件下提升音质,那就基本上靠走磨机的路子。
关于DVD导航一体机磨机的作业,网上比比皆是。很多都是采用更换更好的运放、更换功放集成块为TDA7850,WIMA电容耦合,10000μF电容滤波等等。其效果众说纷纭,有的声称达到了天籁之音,有的反映并没有多大作用。
本人手头一台DVD导航,整体没有什么力度,低音基本出不来,中高频比较单薄而浑浊。因为深知汽车音响发烧的难度,觉得原车CD声音在要求不是很高的情况下还算过得去。所以觉考虑先从磨机入手,等效果提升到接近或超过原厂效果后,再根据需要升级喇叭或加装功放。下面请看磨机三部曲:
第一部:更换功放集成块为TDA7850
原厂功放集成块为东芝的TB2929AHQ,这是一块45瓦×4通道的BTL音频功率IC,谈不上音质好坏。网上查了一下,可以直接用TDA7850 50w×4替代。
这是拆下来的TB2929AHQ,本想把引脚清理整齐,说不定什么时候还可以用,谁知反而弄断了一个脚。

换上TDA7850,据说MLT的假货比较多,国产的几乎没有人假冒,于是就CHN吧。网上借用一张图片:

同样加装了10000μF的红宝石电容。由于专门想试试TDA7850究竟有多大不同,所以没有更换WIMA之类的东西。
最后的结果让人失望,45w和50w听起来悬殊并不很大,中高频似乎有一点胆味,也许要圆润一些但确实不敢肯定,至于低频,那是同样的绝对没有什么感觉。
究竟是什么原因呢?问商家TDA7850是不是假货,他说这个早就国产了想买一大堆,犯不着作假。至于CHN与MLT相差有多大,网上也有很多车友改装以后大呼效果出色。
无奈之下,还得对电路进行认真分析。
第二部:增加前置放大电路
1、完整的音频电路分析
这是DVD碟机的侍服电路和解码电路,收音头、mp4播放板音视频信号从右下边两个接口引入,统一从左下部排线传输到主板进行放大处理。

DVD电路板上面有两个小八角,样子长得像运放,实际上都不是。其中,LM393 是双电压比较器集成电路,中间那个被胶皮粘住的大家伙就不用说了,多半是SPHE8202TQ之类的DVD音视频解码器。

ATMLH232是视频电源芯片。其余的25L3206E是驱动存储器,W9812G6GH是内存芯片,左面那个字迹模糊的是SA5888,马达驱动芯片。最终没有找到一般碟机板子上的那只运放。

下面这是主板全图,首先找找它的音频放大部分。末级是已经换上去的TDA7850,DVD信号输入排线处有个小八角集成块,看起来和想起来都绝对是一只运放。

面板控制排线旁边也有一个小八脚集成块,结果放大一看是ATMLH206,正宗的液晶电源芯片。排线输入接口处那只想当然的“运放”更让人失望:ZL6287,典型的马达驱动。

剩下的中间那个大的芯片就不要想了,它是TMP91FU62FG带蓝牙模块的主控MCU。再看看TDA7850附近的电路:BD37534FV。

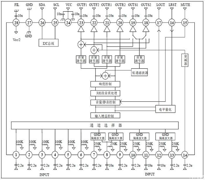
网上搜索:BD37534FV是一款汽车音响用3 波段音频信号处理电路。其中包括立体声输入端选择模块,准差分输入选择模式及全差分输入选择模式;内置输入增益控制模块,主音量控制模块,响度控制,5 通道音量调节器,为重低音通道设置低通滤波器,内置混合信号输入端。

其中,“内置输入增益控制模块,主音量控制模块”的意思,就是说这台主机没有使用独立运放的前置放大电路,而是用这个集成块的全部搞定了。难怪出来的声音这么虚幻而软弱,原来是如此的高度集成!
基于这个现实,看来要提升输出功率,首先得考虑增加前置放大电路,并通过更换运放提升音质。
2、嵌入前置放大板作业
这是tb上面典型的双运放前置版,使用单12v直流供电,放大倍数可以选择5、10倍。带运放插座,可以随时更换喜欢的运放。堪称价廉物美,性价比很高。

买来两块这样的前置放大板,嵌入到BD37534FV和TDA7850之间。去掉四只耦合电容,前、后声场分别按如下方式接线。

将前置放大版合理固定在机箱内,为不影响DVD碟机安装空间和散热,在主板空白处垫上海绵垫,分别用热熔胶固定。

然后上机试听,力度一下就出来了。高频变得干净、透明,中频变得厚实有力,但低频仍然明显欠缺。接下来进行运放升级,经过反复测试,发现在没有对外围元件进行打磨的条件下,声音偏冷的NE5532大S反而比其他带胆味的运放效果更好。

但是,但是的但是,缺乏低音的问题依然存在。贝司的声音基本没有,低音鼓的声音像敲梆子一样单薄而生硬。尼玛,真是邪了门儿了! 不管原车喇叭如何低劣、CHN的TDA7850如何假冒,在增加了5倍放大输入的情况下,不可能没有一点的低频量感。
第三部:接入低通滤波信号
看来还得从基本电路来分析,再调出BD37534FV的内部结构图来看看。

问题就出在电路设计方面:混合音频信号在进入音量调节器之前,低频部分就被低通滤波器引走了,没有进入TDA7850进行放大,而是输出到低音炮输出端去了。这就意味着,凡是不使用低音炮的车友,是永远听不到合适的低频的。尼玛,真是太坑爹了!

被引走的是后声场的低频信号,还有一路前声场的低频信号根本就没有使用,这就是BD37534FV的第19脚OUTS1。对低音炮比较排斥的我,自然不愿意被这坑爹的设计绑架而被动地加装个低音炮。鉴于低频对声道分隔效果影响不大,打算将低频信号还原到主声道进行放大。为了保证前声场的定位效果,决定直接引入到后声场去。

用两只1μF的Rubycon电容,从BD37534FV的第18脚OUTS2引入低频信号,接入后声场前置放大版的左右声道,用热熔胶将引脚封牢以免脱落。
上机试听,久违的低频终于出现了。整个声场有了贝司垫底缠绕,低沉的鼓声终于有了绵绵的弹性,由此烘托出淳厚圆润的人声和清澈亮丽的高音,一首首曲子开始有了CD般的味道。
不用低音炮,不换喇叭,不加后级功放,在导航一体机上重新找回CD的感觉。
磨机三部曲基本完成,到此,算是获得了预想中的收获。