12款H6更换TDA7850成功了!天籁之音原来如此!
先从脚下开始,工具要T字形的外六角,十字螺丝批,塑料撬车工具。
这里有2个膨胀塑料螺丝的。
下面这里这3个扣蛮难撬开的,在里面也很难撬开,我打开后就从右上角那里暴力打开才行,塑料还真的耐用,就算暴力也没事!
打开之后就用到T字形的工具了,

从下面看准慢慢顶起来。

一遍用手和工具慢慢撬开,最好买一套撬车工具,很方便,千万别省钱,用螺丝刀伤车的。
打开之后就是这样了,这里有4颗大螺丝的,万千要拿大型的螺丝刀去扭,别拿小的螺丝刀,不然螺丝滑了就麻烦。
记住背后的接口顺序。千万别接错哦。
机头就是这样了。很容易就可以拆开。
按照论坛的车友方法吧独石电容焊好了,很挤,需要技巧啊,实在不行的车友可以到外面去让师傅搞。
下面是上车试听。中间出现蛮多问题的,可是都是自己一个人慢慢摸索。上网去看资料来搞,来来去去就是接地一定要接好,芯片的脚千万千万别虚焊和连焊。
芯片我第一次装没声音,然后重新检查没地方错误又不行,我连芯片都拆下来了,居然断脚了,搞得我又重新一子买了2颗预防,收到2颗新的国产7850芯片,比拆机的芯片好,其实大家都一样的,我量过脚了,都是2.94左右,都是一样的,何必买拆机的,拆机的脚很脆弱,然后就是装芯片,测试没声音,重新焊接,搞来搞去,我的芯片脚垫已经被高温焊掉了,所以剩下第三块芯片我只好飞线了,我怕第二块被我焊坏,所以重新看着电路图来自己花个图
这是我已经拆机子很多次了都熟悉了,对了兄弟们,如果拆机头的话,拆到拿机头出来记得拿张毛巾垫住空调的按键那块,我之前就是没注意,空调按键的面板有点花了,心痛啊。
这就是我按照TDA7850和电路板上的孔做的图,毕竟孔基本模糊了,唉,一言难尽啊。
这就是我的电脑桌,工具都在了。
这张是TB2929HQ的电路图。
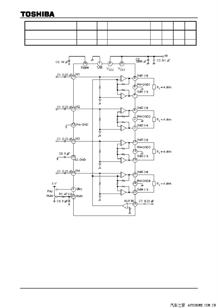
这张是TDA7850的电路图。
这里有2个膨胀塑料螺丝的。
下面这里这3个扣蛮难撬开的,在里面也很难撬开,我打开后就从右上角那里暴力打开才行,塑料还真的耐用,就算暴力也没事!

打开之后就用到T字形的工具了,


从下面看准慢慢顶起来。

一遍用手和工具慢慢撬开,最好买一套撬车工具,很方便,千万别省钱,用螺丝刀伤车的。

打开之后就是这样了,这里有4颗大螺丝的,万千要拿大型的螺丝刀去扭,别拿小的螺丝刀,不然螺丝滑了就麻烦。

记住背后的接口顺序。千万别接错哦。

机头就是这样了。很容易就可以拆开。

按照论坛的车友方法吧独石电容焊好了,很挤,需要技巧啊,实在不行的车友可以到外面去让师傅搞。

下面是上车试听。中间出现蛮多问题的,可是都是自己一个人慢慢摸索。上网去看资料来搞,来来去去就是接地一定要接好,芯片的脚千万千万别虚焊和连焊。

芯片我第一次装没声音,然后重新检查没地方错误又不行,我连芯片都拆下来了,居然断脚了,搞得我又重新一子买了2颗预防,收到2颗新的国产7850芯片,比拆机的芯片好,其实大家都一样的,我量过脚了,都是2.94左右,都是一样的,何必买拆机的,拆机的脚很脆弱,然后就是装芯片,测试没声音,重新焊接,搞来搞去,我的芯片脚垫已经被高温焊掉了,所以剩下第三块芯片我只好飞线了,我怕第二块被我焊坏,所以重新看着电路图来自己花个图

这是我已经拆机子很多次了都熟悉了,对了兄弟们,如果拆机头的话,拆到拿机头出来记得拿张毛巾垫住空调的按键那块,我之前就是没注意,空调按键的面板有点花了,心痛啊。

这就是我按照TDA7850和电路板上的孔做的图,毕竟孔基本模糊了,唉,一言难尽啊。
这就是我的电脑桌,工具都在了。
这张是TB2929HQ的电路图。
这张是TDA7850的电路图。
更换芯片总结:真的累人啊,我住5楼,电脑工具也在5楼,我测试需要跑到1楼车库去装上,不行又跑回5楼慢慢摸索。终于换好成功了,没有其他车友更换的那么的顺利和流畅,我最求一步到位,往往都是出小问题,总之更换芯片这么多脚的功夫,真的是没有热风枪和技巧是不能一次成功的,而且需要非常的细心,有耐心,千万别半途而废,我曾想过买个原厂的导航,上TB一搜,二手成新很高的,999元!贵啊,一个芯片才25元加上邮费和独石那些东西,成本也就70元左右,如果车友你真的手痒想装,可以让外面的师傅帮装,或者直接买功放换喇叭,我的喇叭也是换了的,没有那么好的效果才想升级IC,在这里特别交代下,一般装好后有电流声的,基本都是有哪个地方是连焊了的,或者虚焊,我尝试很多遍了,而且接错的话,机头背后插模块那里的保险丝会闪断掉保护的,我也断掉了,我塞了段焊锡进去照样正常,更换好后的感觉,真的振奋人心,因为效果真的比没换好很多,真的听出了层次感,高音太清晰了,低音走的够,中音别超过高音,我设置是 高+3 中+2 低+5 比以前加满低音的效果都好得多,特别是放CD碟,我之前网购了蛮多的黑胶碟,现在放来听听,效果比放USB的强很多!USB最好的音质都没CD的好,我今晚装完,放着我USB里面的郑少秋唱的《从不放弃》层次分明,高音突出,diyin时间一共6天才装好,呵呵,从失败到成功都是慢慢来摸索的,所以自己觉得值了。
打开汽车之家 阅读体验更好
举报/纠错