全新一代君威实现换挡拨片,新增加简单方法看我新的帖子
全新一代君威加装GS方向盘实现换挡拨片,前几天网上买了一个GS方向盘,早就想改了,因为新款君威还没有人改过吧,网上买齐配件,开工搞好,看着挺简单,其实还是挺复杂的,加两条线和一个模块才能实现!下面放图,有想改的车友可以借鉴一下

方向盘到货,感觉比普通的粗一点

先把气囊拆掉,找准方法,卡扣找到其实还简单,先拆掉左右的铁丝

两边一样的方法

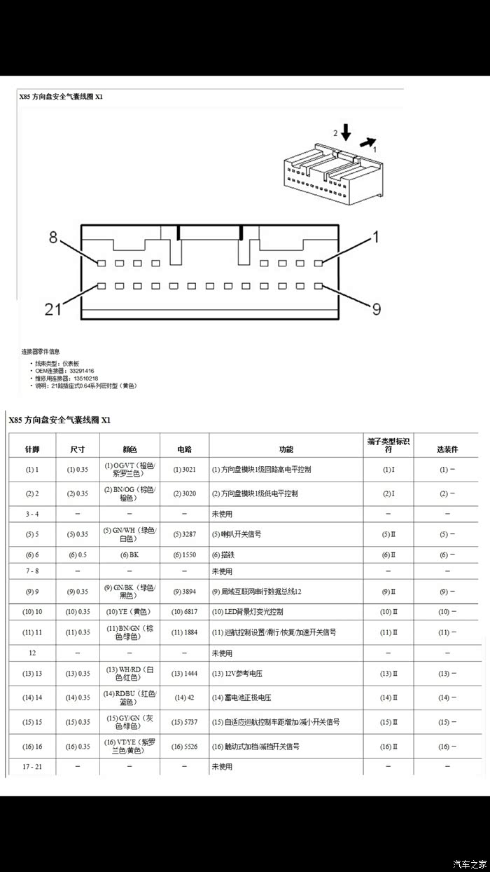
这个是游丝下面插头编号,加了两条线道空位17和18号

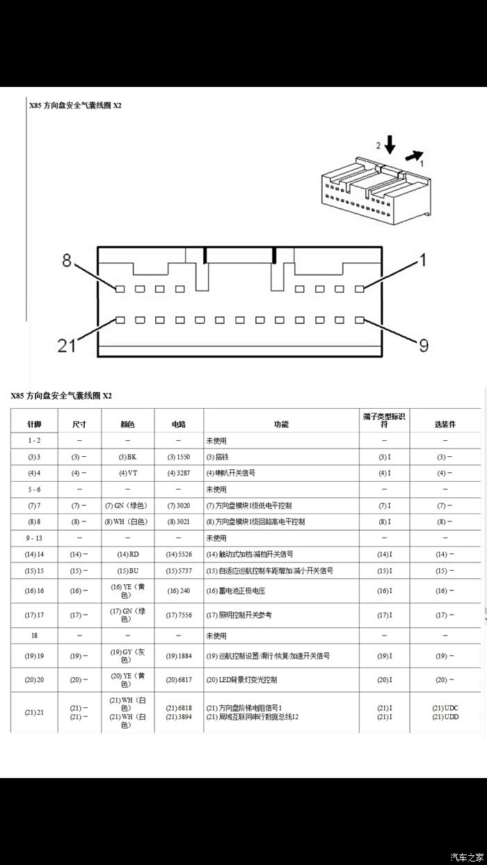
这是游丝上面插头定义加到12和13号与下面对应的导通

网上买的插针做好准备插到游丝对应插孔

GS左边的按键里面需要拆出来改一下

如图上面电阻短接,下面电阻去掉

这是换挡杆下面的自带模块

焊接三条线出来,这个还是借鉴老款君威的方法,其实这个模块是一模一样的

网上买的模块,可以实现D档模式下按加减档可以自己切换到M档位,设置7-16秒时间不操作拨片自动又换成D档的

接好线

再来一张

用胶布包好

用扎带固定好

附带简单电路图一张

完美,左边减档

右边加档

整体效果完美

再来一张

最后美图结尾
应该是第一个全新君威实现拨片换挡的吧,希望版主申精,希望能帮到大家!
打开汽车之家 阅读体验更好
举报/纠错