激活逸动原车定速巡航(一)激活原车巡航并换CS35定速巡航按键
激活逸动原车定速巡航(一)激活原车巡航并换CS35定速巡航按键
http://club.autohome.com.cn/bbs/thread-c-2429-59036496-1.html
激活逸动原车定速巡航(二)点亮仪表盘中的巡航指示灯
http://club.autohome.com.cn/bbs/thread-c-2429-59412821-1.html
激活逸动原车定速巡航(三)换17款CS35方向盘总成
http://club.autohome.com.cn/bbs/thread-c-2429-62374264-1.html
首先感谢“旗云20120528” 和“肖尊哲”以及群里(514054258)的其他车友的无私分享和热心帮助。
试车视频
http://m.youku.com/video/id_XMTg4NDk1ODk4OA==.html?x=sharefrom=androidfrom=message
介于很多车友问自己车型是否可以改,我在这里统一说下,12~15款1.6L排量的不分高低配,不分手动自动,不分2厢3厢都可以改,且都有人试车成功。16款手动风尚可以改,且有人试车成功,16款自动风尚,暂无人成功。1.5T车型和16款GDI车型不能改,因为ECU不是MT22.1的。
另外问改装费用,这里用到的材料除了CS35按键180元买的,其他都是几毛钱,所以成本取决你用什么按键,简易按键成本最低,CS35方控按键成本最高。总体成本在5元~250元之间。
先上完成后的图,怎么样,有木有原车的赶脚。

完成图,按键用的CS35按键改的,逸动按键和CS35长的一样,有木有原厂的赶脚。
二、激活原车巡航电路原理图
在来说下激活原车巡航的的原理,明白原理了,我们再来动手。
1.ECU上有2个线是来接受定速巡航控制信号的,它就是26号线和76号线,其中76号线是5v地线,26号是5v正极线。
2.当按下巡航按键时,26和76线接通,因为各个按键按下时的电阻阻值不一样,产生不一样的电压,ECU判断不同电压来分别进行不同的处理。
3.所以我们只要保证按键按下时,电路中的电阻为指定阻值,就能激活巡航了。
下面是电路原理图,
左图为尊哲提供,当任意按键按下时,4个电阻是串联起来的,同时起作用的。
有图为旗云提供,当任意按键按下时,只有1个电阻是在电路中起作用的,也就是4个电阻是并联的。
在来说下激活原车巡航的的原理,明白原理了,我们再来动手。
1.ECU上有2个线是来接受定速巡航控制信号的,它就是26号线和76号线,其中76号线是5v地线,26号是5v正极线。
2.当按下巡航按键时,26和76线接通,因为各个按键按下时的电阻阻值不一样,产生不一样的电压,ECU判断不同电压来分别进行不同的处理。
3.所以我们只要保证按键按下时,电路中的电阻为指定阻值,就能激活巡航了。
下面是电路原理图,
左图为尊哲提供,当任意按键按下时,4个电阻是串联起来的,同时起作用的。
有图为旗云提供,当任意按键按下时,只有1个电阻是在电路中起作用的,也就是4个电阻是并联的。

定速巡航原理图,左图为 尊哲提供,右图为 旗云 提供。猛的一看,电阻怎么不一样啊,其实是一样的,为什么呢,左侧电阻为串联,右侧电阻为并联,最终按下按键时,每个按键对应的阻值是一样的。电阻不分正负极
一、定速巡航使用说明
来来,先来了解下定速巡航使用说明。
◆定速巡航的启用
1、当处于3档及以上档位,且在38km/h以上时巡航功能方可启用。
2、按下定按钮(ON/OFF),巡航控制系统工作,等待接受定速控制操作。
3、踩油门将车速提高到您所希望的巡航速度。
4、短按Set键,即可进入定速巡航(无需踩油门即可按设定的速度巡航)。
◆改变设定的车速
1、在定速巡航状态下,短按一次RES键,可以增加一定车速;持续按住RES键,车速会自动缓缓提升。
2、在定速巡航状态下,短按一次Set键,可以降低一定车速;持续按住Set键,车速会自动缓缓下降。
◆取消定速巡航控制:
1、踩下刹车或离合器。
2、短按CANCEL键,定速巡航取消。
3、按下按钮(ON/OFF)将彻底退出巡航系统。
◆ 定速巡航恢复:
如果短按CANCEL键取消巡航、踩下刹车或离合后,只要车速没有降到车速下限值以下,短按RES键然后放松,就可以恢复巡航控制。如果是短按按钮(ON/OFF)取消巡航,若要恢复巡航控制,必须重新设定

ECU端子视图,左下箭头指的那个是76,右上箭头指的为26
三、从ECU引定速巡航控制线
下面我们开始动手,先把需要用的26,和76引到驾驶室。
下面我们开始动手,先把需要用的26,和76引到驾驶室。

1.ECU在空气滤芯的背面,先拆开空气滤芯的盖子,好干活。

2.拔出来ECU的插头

3.插头拔出来的样子

4.将插头后保护盖打开,以便在26位置和76位置引线。注意,先撬下面那2个卡扣,最后再撬上面这个,否则卡扣会断,别问我怎么知道的!

5.打开插头保护盖的样子

6.插头下面有个扎带,剪断。否则插头后保护盖拿不下来

7.拿下后盖后的样子

8.将插头黄色卡子抽出,要不26号孔中的塑料端子弄不出来。

9.端子位置说明,26是巡航控制的端子,76是个5v地线,26位置没有线,里面有个塑料端子,需要把塑料端子拔出,插上端子引线到驾驶室。76有个绿白线,需要破线接线到驾驶室。

10.拔出来的塑料端子

11.在26的位置插上端子后的样子,要在这里能看到金属端子反光,说明插进去了,否则说明没有插好。

12,插头背面的线束,76绿白破线接线,26位置我接的线是黑色的

13,接好线后,把端头原样装回去,盖上空滤盖子,将线从 左侧翼子板 处引到驾驶室。

14.左门之类有个橡胶盖,里面是个洞,把线从翼子板传过来后,从这里进入驾驶室。

15,穿好线的样子。

16,穿好线后,把橡胶盖穿上,盖回去。防水防尘。
至此,已经将线从发动机舱的ECU,引到了驾驶室主驾位置,下面就可以开始接开关了。
想省事的,在这里接简易开关就可以了。类似这样的,借用下车友的图
想省事的,在这里接简易开关就可以了。类似这样的,借用下车友的图

简易按键
2017-4-12 更新线从驾驶舱穿到驾驶室的方式
在驾驶舱空滤后面有个椭圆的凸起,椭圆的正中间里面是空心的,是钢板上的预留洞,可以从这里进入驾驶室。
注意,一定要是正中间,别的地方是钢板,捅不动!
在驾驶舱空滤后面有个椭圆的凸起,椭圆的正中间里面是空心的,是钢板上的预留洞,可以从这里进入驾驶室。
注意,一定要是正中间,别的地方是钢板,捅不动!

椭圆的正中间里面是空心的,是钢板上的预留洞

椭圆的正中间里面是空心的,是钢板上的预留洞
想要美观点的,那么就继续往下看,看怎么用CS35的按键来改吧。
三、修改方向盘按键
改方向盘按键,我们用的是CS35高配按键,因为CS35高配按键上有巡航按键,另外它和逸动的按键长得一样,可以完美按在逸动的方向盘上。
从X宝上买来的CS35按键直接用是用不了的,因为他巡航按键的阻值跟我们要的按键阻值不一样,所以我们要修改CS35巡航按键的阻值
CS35巡航控制按钮都在右侧按键上,左侧按键为导航多媒体控制按键。
下面我们先来说下,修改巡航控制按键的电阻。
三、修改方向盘按键
改方向盘按键,我们用的是CS35高配按键,因为CS35高配按键上有巡航按键,另外它和逸动的按键长得一样,可以完美按在逸动的方向盘上。
从X宝上买来的CS35按键直接用是用不了的,因为他巡航按键的阻值跟我们要的按键阻值不一样,所以我们要修改CS35巡航按键的阻值
CS35巡航控制按钮都在右侧按键上,左侧按键为导航多媒体控制按键。
下面我们先来说下,修改巡航控制按键的电阻。

CS35按键右侧电路板原样

CS35按键右侧改完后的样子,电阻不用完全一样,误差不超过10%就行。我实际使用的依次是0.24K,0.39K,0.82K,1.5K.电阻不分正负极
好了,至此CS35右侧巡航按键的电阻我们就修改完毕了。
下面来说下CS35左侧按键电阻的事,如果导航为后装导航,左侧不需要修改,只要重新学习下方控按键就行了。
如果是原装导航,左侧就比较复杂,主要12,13,14,15,16原车左侧按键阻值不太一样。
其中,12,13,14,16这4款左侧相同按键的电阻是一样的,但是15款左侧相同按键的电阻给其他款不太一样。
下面来说下CS35左侧按键电阻的事,如果导航为后装导航,左侧不需要修改,只要重新学习下方控按键就行了。
如果是原装导航,左侧就比较复杂,主要12,13,14,15,16原车左侧按键阻值不太一样。
其中,12,13,14,16这4款左侧相同按键的电阻是一样的,但是15款左侧相同按键的电阻给其他款不太一样。
先说下12~14款改法:
CS35左侧电路改法,原车导航才需要改,后装导航不用改,后装导航重新学习按键即可。
注意此改法只有12,13,14款逸动可以用。
15款不可用,15款不可用,15款不可用.
15款按此改,按键功能会错位。随后我会补充我的15款左侧改法。

CS35左侧改完后的样子,12,13,14款逸动原车导航,可按此电路改。电阻不用完全一样,误差不超过10%就行。我实际使用的从小到大依次是1.2k,2k,3k,3.6k,5.6k。2k代替图例的1.8k,3.6k代替图例的3.8k,电阻不分正负极

CS35左侧改完后的样子,12,13,14款逸动原车导航,可按此电路改。
15款逸动,CS35左侧电路改法一:
原车导航才需要改,后装导航不用改,后装导航重新学习按键即可。
这个是我的改法,因为我蓝牙电话用的多,MODE用的少,所以把MODE改为了蓝牙电话的功能:
注意此改法只有15款逸动可以用。

CS35左侧改完后的样子,15款逸动原车导航,可按此电路改。
R10是右侧Mode键的电阻,我把Mode键改蓝牙电话接听键了。电阻是15K,并需要把R9和R10之间划断,R10飞线到上面新加的电阻那边。电阻不用完全一样,误差不超过10%就行。我实际使用的从小到大依次是1.2k,2k,3k,3.6k,5.6k,6.8k,15k。2k代替图例的1.8k,3.6k代替图例的3.8k,电阻不分正负极
R10是右侧Mode键的电阻,我把Mode键改蓝牙电话接听键了。电阻是15K,并需要把R9和R10之间划断,R10飞线到上面新加的电阻那边。电阻不用完全一样,误差不超过10%就行。我实际使用的从小到大依次是1.2k,2k,3k,3.6k,5.6k,6.8k,15k。2k代替图例的1.8k,3.6k代替图例的3.8k,电阻不分正负极

CS35左侧改完后的样子,15款逸动原车导航,可按此电路改。此改法MODE改为蓝牙电话接听键
15款逸动,CS35左侧电路改法二:
原车导航才需要改,后装导航不用改,后装导航重新学习按键即可。
此改法MODE键还是MODE的功能,没有蓝牙电话。
注意此改法只有15款逸动可以用。
原车导航才需要改,后装导航不用改,后装导航重新学习按键即可。
此改法MODE键还是MODE的功能,没有蓝牙电话。
注意此改法只有15款逸动可以用。

CS35左侧改完后的样子,15款逸动原车导航,可按此电路改。此改法MODE键还是MODE的功能,没有蓝牙电话。电阻不用完全一样,误差不超过10%就行。我实际使用的从小到大依次是1.2k,2k,3k,3.6k,5.6k。2k代替图例的1.8k,3.6k代替图例的3.8k,电阻不分正负极

CS35左侧改完后的样子,15款逸动原车导航,可按此电路改。此改法MODE键还是MODE的功能,没有蓝牙电话。
2017-1-17更新:
15款逸动,CS35左侧电路改法三:
原车导航才需要改,后装导航不用改,后装导航重新学习按键即可。
此改法MODE键还是MODE的功能,静音键是蓝牙电话。
注意此改法只有15款逸动可以用。
15款逸动,CS35左侧电路改法三:
原车导航才需要改,后装导航不用改,后装导航重新学习按键即可。
此改法MODE键还是MODE的功能,静音键是蓝牙电话。
注意此改法只有15款逸动可以用。

CS35左侧改完后的样子,15款逸动原车导航,可按此电路改。此改法MODE键还是MODE的功能,静音键是蓝牙电话。电阻不用完全一样,误差不超过10%就行。我实际使用的从小到大依次是1.2k,2k,3k,3.6k,12k。2k代替图例的1.8k,3.6k代替图例的3.8k,12k代替图例的13.8k。,电阻不分正负极

CS35左侧改完后的样子,15款逸动原车导航,可按此电路改。此改法MODE键还是MODE的功能,静音键是蓝牙电话。
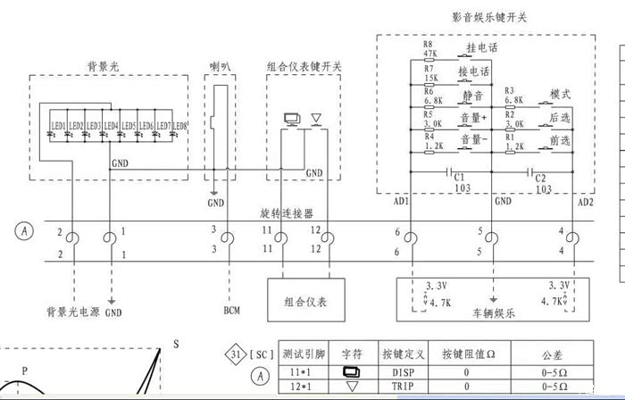
我把按键的电路图上传下,大家想把按键改成其他功能,可以参考下。

CS35按键电路图,只用看多媒体按键那块就可以了。

16款逸动按键电路图,12,13,14和他一样。

15款逸动左侧按键,左侧还是很和谐的,电阻阻值跟12~14,16都是一样的。

15款逸动右侧按键,右侧就不和谐了,电阻阻值跟12~14,16不一样。
说完按键电路板,我们再来说说按键插头的事,CS35按键插头大小以及插头里面的端子大小跟逸动都不一样,因此直接将CS35插头剪断,接上我们逸动的端子,换上我们逸动的插头。
拆逸动插头时注意,这里有个卡子
拆逸动插头时注意,这里有个卡子

先把卡子打开,然后就往里面加端子了。

上点过程图,注意,我接插针端子的时候,线的颜色跟原线不太一样

上点过程图

这是改好之后的样子,(还没插喇叭线)
按键OK后,我们要把他装上方向盘上去,那就要拆方向盘了。
拆方向盘的教程参考这个帖子,我就不在一一细说了。
http://club.autohome.com.cn/bbs/thread-c-2429-58566960-1.html
拆方向盘的教程参考这个帖子,我就不在一一细说了。
http://club.autohome.com.cn/bbs/thread-c-2429-58566960-1.html

拆开后的样子

拆开后的样子

喇叭地线

换上我们改好的按键的样子

这里从左数,一次为26号线,76号线,喇叭地线,右侧多媒体按键线,多媒体按键公用地线,左侧多媒体线。

把我们从ECU引到驾驶舱的26,76线,查到方向盘游丝下面那端对应的孔里,记得跟方向盘里面的端子位置对应即可。黑色粗粗的那个是原车的多媒体线,引向了导航,红色这个是我从ECU接来的线。全部用胶带固定好,避免跟方向盘壳摩擦,产生异响。
最后附上,所需要用的的材料:
cs35按键1套。
ECU插针1个母的。
按键插针7个母的,方向盘里面5个,方向盘外面2个。
0603贴片电阻。
电阻阻值:
按键:CANCEL,RES+,SET-,ON/OFF
并联:0.24k, 0.63k, 1.4k, 2.9k
串联:0.24k, 0.39k, 0.82k, 1.5k
注意:
按键的端子跟ECU端子不一样,
按键的端子跟ECU端子不一样,
按键的端子跟ECU端子不一样,
购买链接我就不放了,放了肯定被版主和谐。大家自己从X宝搜索吧,搜不到的可以加群看公告。
最后上几张 端子的照片,大家可以参考下。
cs35按键1套。
ECU插针1个母的。
按键插针7个母的,方向盘里面5个,方向盘外面2个。
0603贴片电阻。
电阻阻值:
按键:CANCEL,RES+,SET-,ON/OFF
并联:0.24k, 0.63k, 1.4k, 2.9k
串联:0.24k, 0.39k, 0.82k, 1.5k
注意:
按键的端子跟ECU端子不一样,
按键的端子跟ECU端子不一样,
按键的端子跟ECU端子不一样,
购买链接我就不放了,放了肯定被版主和谐。大家自己从X宝搜索吧,搜不到的可以加群看公告。
最后上几张 端子的照片,大家可以参考下。

黑色是ECU端子,红色是按键端子

黑色是ECU端子,红色是按键端子
参考的帖子:
旗云20120528 (13款逸动)的帖子:http://club.autohome.com.cn/bbs/thread-c-2429-56672379-1.html
尊哲 (14款逸动)的帖子:http://club.autohome.com.cn/bbs/thread-c-2429-58151611-1.html
拆方向盘参考帖子:http://club.autohome.com.cn/bbs/thread-c-2429-58566960-1.html
车友改成功的帖子:
5块钱实现的效果
http://club.autohome.com.cn/bbs/thread-c-2429-59144350-1.html
50块钱实现的效果
http://club.autohome.com.cn/bbs/thread-c-2429-59142048-1.html
250块钱实现的效果就是我这个帖子的了。
提前预告:
点亮仪表盘的定速巡航指示灯。目前已经成功,随后更新教程。
旗云20120528 (13款逸动)的帖子:http://club.autohome.com.cn/bbs/thread-c-2429-56672379-1.html
尊哲 (14款逸动)的帖子:http://club.autohome.com.cn/bbs/thread-c-2429-58151611-1.html
拆方向盘参考帖子:http://club.autohome.com.cn/bbs/thread-c-2429-58566960-1.html
车友改成功的帖子:
5块钱实现的效果
http://club.autohome.com.cn/bbs/thread-c-2429-59144350-1.html
50块钱实现的效果
http://club.autohome.com.cn/bbs/thread-c-2429-59142048-1.html
250块钱实现的效果就是我这个帖子的了。
提前预告:
点亮仪表盘的定速巡航指示灯。目前已经成功,随后更新教程。


所需材料马家地址
2016-12-26更新:
如何增加定速巡航指示灯,请参考我的下一帖:
激活逸动原车定速巡航(二)点亮仪表盘中的巡航指示灯
http://club.autohome.com.cn/bbs/thread-c-2429-59412821-1.html
2017-4-12新
用老款CS35按键要舍弃蓝牙电话功能对15,16款来说不完美
17款CS35方向盘总成所有功能都有,还有背光、小计里程切换、巡航按键变为拨片按键
先个图给家看看,随后发完整帖子

17款CS35方向盘总成改装 整体效果

17款CS35方向盘总成改装 左侧

17款CS35方向盘总成改装 右侧

17款CS35方向盘总成改装 晚上背光效果
打开汽车之家 阅读体验更好
举报/纠错