无损输出改装,bose,jbl等低电平输入福音,图多慎入
话不多说,折腾近三个月,图有点多,慎入!

一直以来最帅的那辆,无之一

自己加USB充电,开始飘了,然后……

忘了,是先改的烟缸变手机盒

折腾来了,中毒bose功放

研究插口,无损安装,黄色为4路前后左右喇叭接口,还有两个是电源±

插口蛮贵的加邮费要70

线别器,应该这么叫,就是能起开插口端子的工具,

斜口钳,这玩意买上当了,说世达的,就是印标假货

战场工具筹备

买了各种接线端子,各种电源,音频,喇叭线,整的不亦乐乎

试音,低音拳拳到肉,没白忙

试完音要完整装进车是两回事

做线开始

没压线钳非常痛苦,慢慢做

尖嘴钳慢慢夹,还能看

考虑过网线,八根带屏蔽的 。后来买了大众dsp线改一下就OK了

自己做的mib钥匙,老式电闸上面的,用斜口钳剪的再放水泥地上磨一下快口无毛刺扎手即可

多迷人的纯粹,把纯粹进行到底。其实够用就行,3寸有ops,EQ,超级蓝牙,USB,aux,FM,CD,sd……已经非常厉害了。要问导航怎么解决?志玲连接超级蓝牙加酷狗音乐,完美!

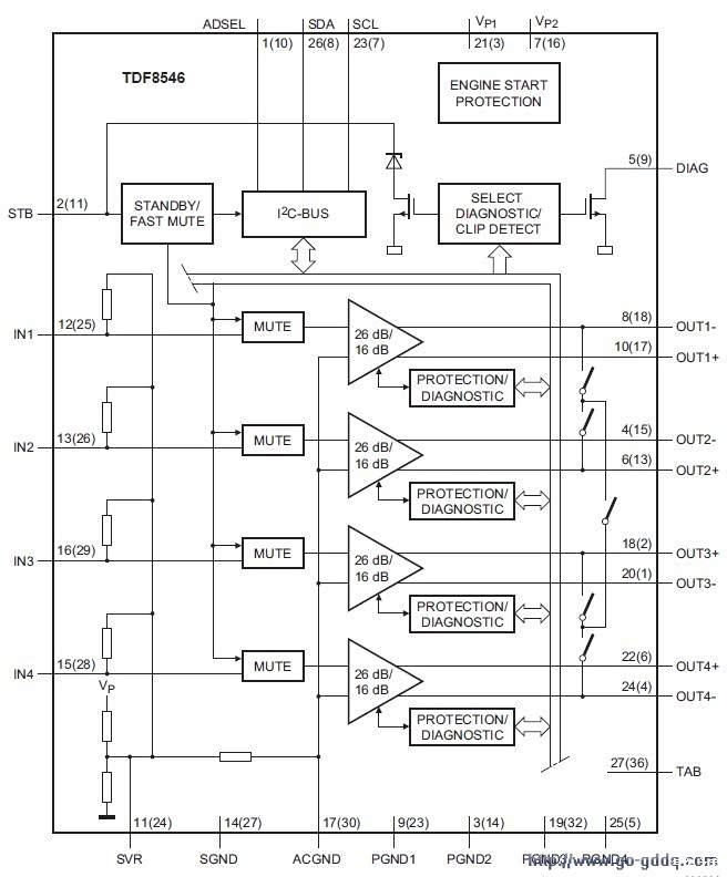
音质不好就是这个tdf8546j,45w功率不大不小,平淡如白水

板子很精简,减的连音频前级都没

神奇备上,开整

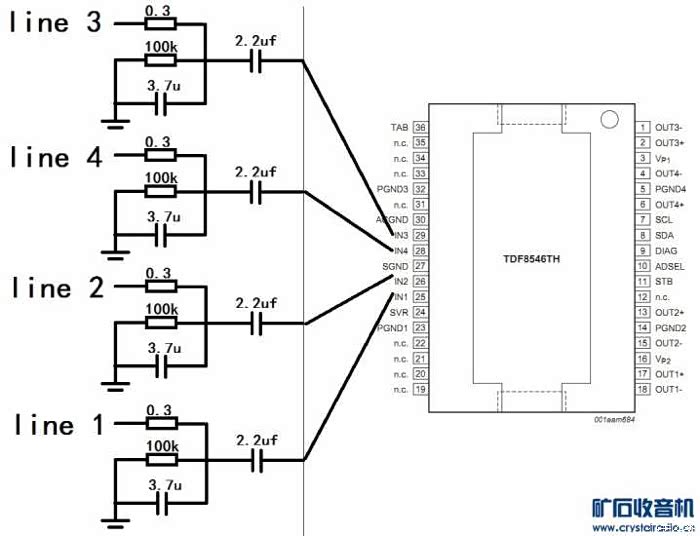
3寸屏音频功放模块接脚定义

原理图

改装方案

物理改装方案

再填神奇,开展工作方便

拆件,开整,上车,再拆再上车……20+

保护?疑惑,困惑

这块模块折腾我脑壳疼

越来越复杂,前面为什么有电阻电容?

无损音源这里吗?

就这样接

找到定义输出和输入直接板上接了,活糙将就看吧

开整前理想的样子,人家的作品

收了块板子,做备用,也不贵,一包烟钱

加前级在脑海里做怪,开始找前级板,加运放

神奇的电路,一知半解一下

最后还是纯粹的接上,结果声音连耳机都推不动听不清楚

把家里能拆的适配器拆了,做备料。两个爱立信充电器,一个摩托罗拉,那个年代的做工用料还是很讲究的

重新整思路,问题就这里,加前级运放都是商业炒作,tdf7850都几十块,还有5523一加就要四个,一起下来四五百,不行。冷静,再冷静,家里没矿,没矿!

这里找到不是无损,是有损,顺着往上找

这边才是无损

原来是这样的,懂得自然懂

下部计划加低音补偿

最后上一张得意鸭腿作品,长途养手神器
声明:所有图片等示意图不可作为商业用途,无偿分享支持!
本次音频改装:一块四进六出bose功放,前后左右门加一路中置和一路低音输出。初步问题,喇叭线高电平直接进入bose功放,因机载功放tdf8546j和外置博士功放音源两次放大造成底噪,开机爆音,发动机电流声,音量过大等问题,解决这个问题就是无损音源直接接出来进入外置bose功放,俗称改成哑巴机,也俗称丹拿模式或芬达模式。
改装前后体验,原车能听清楚,但低音浑浊,高音无解析,总之很平淡。
初步直接接喇叭线,声音提升了,解析度高了,低音拳拳到肉,没有拖泥带水的感觉,但底噪就像苍蝇一个,开机那个嘣一声的爆音能吓一跳,还有二次放大的音源,音量只能开到5里面的2,音量控制原车最高30,最痛苦的是FM天线一插上就有发动机电流声,还好我不经常听FM,有一个月FM线没插主机做测试。
再次改无损后声音通透,解析度很高,能听出左右喇叭乐器区别,低音拳拳到肉弱那么一丢丢,总体来说听人声和古典音乐还不错,FM音质最能提升明显,可能我的sd音乐源太低,最好是下载高音质音源。听DJ或是爆一点音乐需要做低音补偿。改装后同比分体机音质不分上下。
为什么这样改,1原车苏州上声八喇叭素质还可以,mib分体机能提升原车喇叭一级,按这个推理加个外置功放也能提升一级,这是最初想法。中途也想换功放模块7850苦于27脚和25区别只能放弃(自己技术还没够),也考虑加前级运放,也担心买回来搞不定,没有带示波仪的专家协同解决,放弃。2无损,不破坏原车线路,不拆门板,没有脱保风险,必要时可以恢复原车。3,一千预算,拆车功放加工具和一个三寸mib,一块三寸主板,其实我已经绕弯了,做试验买了很多接线和音频端接头,主机和主板也买多余。还好没做rca,否则又是一笔开销,其实买个dsp线把末端做成功放端接头就OK了
对于磨机界我只是把自己从小白变成菜鸟,也奉劝大家改装就是潘多拉魔盒,一旦进入不可自拔。当然改装成功的乐趣只有改的人懂
谢谢观赏!
本次音频改装:一块四进六出bose功放,前后左右门加一路中置和一路低音输出。初步问题,喇叭线高电平直接进入bose功放,因机载功放tdf8546j和外置博士功放音源两次放大造成底噪,开机爆音,发动机电流声,音量过大等问题,解决这个问题就是无损音源直接接出来进入外置bose功放,俗称改成哑巴机,也俗称丹拿模式或芬达模式。
改装前后体验,原车能听清楚,但低音浑浊,高音无解析,总之很平淡。
初步直接接喇叭线,声音提升了,解析度高了,低音拳拳到肉,没有拖泥带水的感觉,但底噪就像苍蝇一个,开机那个嘣一声的爆音能吓一跳,还有二次放大的音源,音量只能开到5里面的2,音量控制原车最高30,最痛苦的是FM天线一插上就有发动机电流声,还好我不经常听FM,有一个月FM线没插主机做测试。
再次改无损后声音通透,解析度很高,能听出左右喇叭乐器区别,低音拳拳到肉弱那么一丢丢,总体来说听人声和古典音乐还不错,FM音质最能提升明显,可能我的sd音乐源太低,最好是下载高音质音源。听DJ或是爆一点音乐需要做低音补偿。改装后同比分体机音质不分上下。
为什么这样改,1原车苏州上声八喇叭素质还可以,mib分体机能提升原车喇叭一级,按这个推理加个外置功放也能提升一级,这是最初想法。中途也想换功放模块7850苦于27脚和25区别只能放弃(自己技术还没够),也考虑加前级运放,也担心买回来搞不定,没有带示波仪的专家协同解决,放弃。2无损,不破坏原车线路,不拆门板,没有脱保风险,必要时可以恢复原车。3,一千预算,拆车功放加工具和一个三寸mib,一块三寸主板,其实我已经绕弯了,做试验买了很多接线和音频端接头,主机和主板也买多余。还好没做rca,否则又是一笔开销,其实买个dsp线把末端做成功放端接头就OK了
对于磨机界我只是把自己从小白变成菜鸟,也奉劝大家改装就是潘多拉魔盒,一旦进入不可自拔。当然改装成功的乐趣只有改的人懂
谢谢观赏!
打开汽车之家 阅读体验更好
举报/纠错