关于2020版48V轻混沃兰多 起动机,发电机,启动发电机的初步认知
近几日,在本论坛内看了车友的帖子,也回复了自己的想法,在这款48V轻混车型中电机与发电机的问题上,本来很有把握的我在看了各种稀里糊涂的资料,还有4S店与上汽的电话回复之后,自己反更懵了,于是斥巨资在网上买了份不知真假的图纸自己学习学习。学习后,本来就对这个48V无好感的我,加剧了对这个48V的鄙视。
首先说一下我曾经对48V的幻想:一个独立于3缸发动机的永磁无刷三相电机,可发电,可驱动,峰值功率50KW,尺寸怎么也有个儿童脸盆大小,在发动机低速或者需要急加速时瞬间释放最大功率提高车速……可惜,在看了手册之后,确认以上是自己曾经的幻想。这三缸车的震动和动力一直是被很多人诟病的问题,我到没发现动力不足,以前以为是48V动力电机起了作用,现在发现,这48V在动力上应该帮助不大,只是在起步时能帮上点忙。
不多说,看图,下面就是我在车友帖子里发的照片那个设备,在这款车型里,这东西叫启动/发电机
首先说一下我曾经对48V的幻想:一个独立于3缸发动机的永磁无刷三相电机,可发电,可驱动,峰值功率50KW,尺寸怎么也有个儿童脸盆大小,在发动机低速或者需要急加速时瞬间释放最大功率提高车速……可惜,在看了手册之后,确认以上是自己曾经的幻想。这三缸车的震动和动力一直是被很多人诟病的问题,我到没发现动力不足,以前以为是48V动力电机起了作用,现在发现,这48V在动力上应该帮助不大,只是在起步时能帮上点忙。
不多说,看图,下面就是我在车友帖子里发的照片那个设备,在这款车型里,这东西叫启动/发电机

因为它的外观,以及皮带传动方式,我一口咬定他是发电机,而不是启动电机

那么,我的经验对了还是错了,看看手册里的介绍

我的经验,对了一半,错了一半。不过上述的描述中,对于从事设计行业的我来说,似乎发现了一些问题。上面的描述很模糊,不能明确的解释这个东西的作用,还是继续往下看手册吧。


看着上面的描述,还是糊涂。既然有48V,还有电压转换器将48V转换到12V,那么为什么还要一个75AH的铅酸电瓶在车里?其他12V的用电器功率就算再大,也不至于需要一个铅酸电瓶。如果是其他电器需要12V,用个电压转换器将48V转12V就够用了,既然有这个铅酸,我还是怀疑它有个冷车启动的12V启动电机,并且我不认为这个外形的启动发电机有足够的力矩对发动机进行冷启,接着看图纸吧。

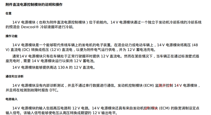
虽然自己工作就是设计电路,不过我接触的都是些二三极管、集成电路、CPU,这类电气图,虽然也能看懂,但还是费点劲。看了半天,也没看出个什么来。到是看到了“启动发电机控制模块”,看到这个啥用都没有。接着看吧。

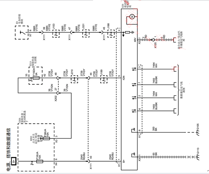
看到了什么?M64,起动机电机,旁边还有个发电机G13。不是说这个叫启动发电机吗,怎么又M64又G13的,而且上面KR27还是起动机继电器,不是说启动发电机受模块控制吗,一个继电器怎么能控制呢……

启动机/发电机,和文字描述的一样,不对,这东西不就是起动机发电机吗,怎么又成控制模块了?

继续翻图纸,找到了,M64,真正的启动电机。相对于上面那个启动发电机,这个启动电机在发动机飞轮一侧,齿轮传动,上面有个电磁铁离合器,形状也符合启动电机的外形,传动方式也对,这也解释了为什么这个车要配一个12V的铅酸电瓶,启动电机启东时瞬间电流会达到百安,靠小型的降压器是做不到的,铅酸电瓶实现这个是最简单便宜的方案。
由于自己没条件把车拆碎,所以就把手册图当成真的了,暂时把图纸上的视图作为实物图参考了。
这下,那些一头雾水的问题大部分明白了。那个叫启动发电机的东西,能发电,能当电机转,但是因为本身的结构和传动,大概率不是冷启车用的,冷启动还是需要M64这个专业的启动电机来干。猜测,这个启动发电机属于助力那种,帮着推一把,提一下速度。
那么问题,不是问题,质疑吧,质疑来了:这个48V的轻混,混的也太轻了吧,难道只是为了帮助发动机迅速脱离低速区间?低速行驶的时候,有时候确实感觉到很安静,也没注意看转速表,如果低速行驶的时候真是靠这个东西发力,那还是尽量别用了,毕竟靠那个可怜的皮带带动整个车,有点心疼皮带。
我对于这车混动,启动发电机,启动电机的初步认识,今天就到这了,不确定以上内容准确,毕竟卖我资料的人没敢拿生命担保他的图纸手册就一定是我这车型的。图纸看着有些乱,我有空在仔细看看。希望能找到启动发电机的状态信号,确定它什么时候发电,什么时候用电。
这下,那些一头雾水的问题大部分明白了。那个叫启动发电机的东西,能发电,能当电机转,但是因为本身的结构和传动,大概率不是冷启车用的,冷启动还是需要M64这个专业的启动电机来干。猜测,这个启动发电机属于助力那种,帮着推一把,提一下速度。
那么问题,不是问题,质疑吧,质疑来了:这个48V的轻混,混的也太轻了吧,难道只是为了帮助发动机迅速脱离低速区间?低速行驶的时候,有时候确实感觉到很安静,也没注意看转速表,如果低速行驶的时候真是靠这个东西发力,那还是尽量别用了,毕竟靠那个可怜的皮带带动整个车,有点心疼皮带。
我对于这车混动,启动发电机,启动电机的初步认识,今天就到这了,不确定以上内容准确,毕竟卖我资料的人没敢拿生命担保他的图纸手册就一定是我这车型的。图纸看着有些乱,我有空在仔细看看。希望能找到启动发电机的状态信号,确定它什么时候发电,什么时候用电。
打开汽车之家 阅读体验更好
举报/纠错