15年时尚版2.0T皇冠VDIM系统继续补充之加装AVS!
今年五一不出去玩,就在家里折腾车子玩吧!

这张图为最新版本的VDIM系统。国产皇冠的系统应该比此图的要落后一代。增加LDH不现实了,这代皇冠的VDIM系统还没到那个版本,退而求其次增加AVS进一步完善VDIM系统。
至于皇冠这个AVS有多大提升效果,这个也是比较争议的,皇冠这代悬挂调教对小碎震动的过滤确实不行,AVS略好一点,也就只是好一点而已。
就当一个舒适度水平控制的模块,奥迪那些也早就有此类产品,不是什么新鲜事物,舒适度某种程度还是有一定的提升,,,只是性价比的问题,,,比较好一点的减震对比的话这套AVS性价比不高。
不过这套电控系统可以保留下来,它不是易损耗件,以后可选择换好一点的AVS减震,继续用原厂的这套系统
至于皇冠这个AVS有多大提升效果,这个也是比较争议的,皇冠这代悬挂调教对小碎震动的过滤确实不行,AVS略好一点,也就只是好一点而已。
就当一个舒适度水平控制的模块,奥迪那些也早就有此类产品,不是什么新鲜事物,舒适度某种程度还是有一定的提升,,,只是性价比的问题,,,比较好一点的减震对比的话这套AVS性价比不高。
不过这套电控系统可以保留下来,它不是易损耗件,以后可选择换好一点的AVS减震,继续用原厂的这套系统

对比一下雷车LS的AVS系统
POWERTRAIN 动力部分,三个模式 经济,正常,运动
AIR SUSPENSION空气悬挂,这代皇冠没有就是普通的阻尼悬挂,但AVS可以调节阻尼,一样也是三个模式舒适,正常,运动
VGRS 可变转向比也没有,跳过。
EPS转向辅助这个有,转向机其实就两个模式正常模式和运动模式。但目前所了解到的低配车型加装AVS后EPS不兼容(故障代码C1582写入的助力图与车辆规格参数不匹配),电动转向在普通模式和舒适模式下一样的,少了运动模式的转向力加重!!!
遗憾!!!!这个目前暂时不知道怎么解决!!!
最后一个是空调,AVS包含了空调控制,就两个模式节油模式和正常模式。难道C1582和空调有关系,低配车因为没有后区空调所以导致识别到车辆规格不一样???我感觉我已经疯了什么都开始怀疑了。
POWERTRAIN 动力部分,三个模式 经济,正常,运动
AIR SUSPENSION空气悬挂,这代皇冠没有就是普通的阻尼悬挂,但AVS可以调节阻尼,一样也是三个模式舒适,正常,运动
VGRS 可变转向比也没有,跳过。
EPS转向辅助这个有,转向机其实就两个模式正常模式和运动模式。但目前所了解到的低配车型加装AVS后EPS不兼容(故障代码C1582写入的助力图与车辆规格参数不匹配),电动转向在普通模式和舒适模式下一样的,少了运动模式的转向力加重!!!
遗憾!!!!这个目前暂时不知道怎么解决!!!
最后一个是空调,AVS包含了空调控制,就两个模式节油模式和正常模式。难道C1582和空调有关系,低配车因为没有后区空调所以导致识别到车辆规格不一样???我感觉我已经疯了什么都开始怀疑了。

雷车LS关于这套AVS悬挂系统的介绍
“ECO和Normal模式与AVS悬架保持一致,SPORT模式可调节油门响应和转向。
螺旋弹簧悬架本身有一些细微的变化,新的减震器和非线性回弹弹簧有助于减少车身侧倾 - 然而,空气悬架已经大幅度重新加工,从传统装置转移到每个角落的传感器车辆到系统,根据整体运动计算阻尼:
这使得系统可以同时控制所有四个车轮,在低速时提高乘坐质量,在高速时提高稳定性 - 在平衡性能和舒适性方面非常重要。还添加了主动稳定杆以减少车辆侧倾并提高转弯时的稳定性。
(F SPORT空气悬架已经进一步调整,通过提高弹簧刚度来改善操控性。)”
最主要的差距就是比国内皇冠多了主动稳定杆
“ECO和Normal模式与AVS悬架保持一致,SPORT模式可调节油门响应和转向。
螺旋弹簧悬架本身有一些细微的变化,新的减震器和非线性回弹弹簧有助于减少车身侧倾 - 然而,空气悬架已经大幅度重新加工,从传统装置转移到每个角落的传感器车辆到系统,根据整体运动计算阻尼:
这使得系统可以同时控制所有四个车轮,在低速时提高乘坐质量,在高速时提高稳定性 - 在平衡性能和舒适性方面非常重要。还添加了主动稳定杆以减少车辆侧倾并提高转弯时的稳定性。
(F SPORT空气悬架已经进一步调整,通过提高弹簧刚度来改善操控性。)”
最主要的差距就是比国内皇冠多了主动稳定杆

F SPORT性能套装
与车辆动力学综合管理(VDIM)Step 6一起使用,该步骤基于六种类型的运动 - 纵向,垂直,横向,偏航(yaw横摆),侧倾和俯仰,提升车辆加速,转向,制动.
VDIM Step 6将所有驱动系统集成到一个响应中 - 大多数都是熟悉的,例如防抱死制动系统(ABS),牵引力控制(TRAC / TRC),车辆稳定性控制(VSC)和电子动力转向(EPS),Variable Gear-Ratio Steering (VGRS),Lexus Dynamic Rear Steering (DRS),Lexus Active Stabilizer System (LASS)。
与车辆动力学综合管理(VDIM)Step 6一起使用,该步骤基于六种类型的运动 - 纵向,垂直,横向,偏航(yaw横摆),侧倾和俯仰,提升车辆加速,转向,制动.
VDIM Step 6将所有驱动系统集成到一个响应中 - 大多数都是熟悉的,例如防抱死制动系统(ABS),牵引力控制(TRAC / TRC),车辆稳定性控制(VSC)和电子动力转向(EPS),Variable Gear-Ratio Steering (VGRS),Lexus Dynamic Rear Steering (DRS),Lexus Active Stabilizer System (LASS)。

丰田雷克萨斯各种。。。花式AVS

2016 Toyota Crown revealed, gets new 2.0L turbo

2013 Lexus LS (European Version) Front Suspension

The new Century also comes with air suspension with Adaptive Variable Suspension System (AVS) dampers and active noise cancellation.

世纪

世纪

Lexus ES300h 不含AVS的车型采用 Swing Valve

Lexus RX Luxury SUV avs suspension

2016年LEXUS RX全新大改款上市

RC_PERFORMANCE_AVS (ADAPTIVE VARIABLE SUSPENSION SYSTEM)

GS 2016 AVS (ADAPTIVE VARIABLE SUSPENSION SYSTEM)
第一步还是对比配件编码
SENSOR, ACCELERATION89191-22020 加速传感器(左前和右后一样的编码,检测车辆上下弹跳幅度的)
ACTUATOR, ABSORBER CONTROL 89241-30041 减震阻尼调节执行器(4个都一样的编码)
COMPUTER, ABSORBER CONTROL 89243-30300 减震控制电脑
COMPUTER ASSY, POWER STEERING 89650-30B60 方向机电脑编码(全系编码都一样,无需更换)
COMPUTER ASSY, DRIVING SUPPORT 88150-30200 行驶辅助电脑(2.0T时尚版的和顶配的一样,无需更换)
COMPUTER, MULTIPLEX NETWORK BODY 89220-0N040 (顶配主车身ECU) 89220-0N030(时尚版主车身ECU)主车电脑似乎和AVS没关系,有车主换了主车身电脑和没换一样的效果。

第二步自己做线束
卖家给我配的插头,算谈优惠附加赠送的。。。对比了一下维修手册发现线序不对。。。。
卖家给我配的插头,算谈优惠附加赠送的。。。对比了一下维修手册发现线序不对。。。。



太穷了,零件都是一点点的慢慢攒出来的,线都自己做,有经济实力的可直接网上买做好的就行了,1千大洋。淘宝淘到这个插线的针头。。。自己改线序

这段时间空闲时自己做线(用的卡拉龙头连接端子 方便钻线)。。。。像乌龟一样慢慢的攒配件

第三步咨询已改车友,有什么缺漏
这个螺帽前面需要6个,用来固定防尘罩的。这个是咨询另外一个车友改装经验提醒我的。
这个螺帽前面需要6个,用来固定防尘罩的。这个是咨询另外一个车友改装经验提醒我的。

电控部分攒到手,据改装过的车友介绍,要用这个编号的电脑,不然AVS 系统会报识别故障。。。
但这个编号的电脑卖家就那么几家,价格比其他人卖的贵了1千。
但这个编号的电脑卖家就那么几家,价格比其他人卖的贵了1千。

防尘罩上还缺密封线束的胶圈,卖家不是很情愿的提供此密封圈。。。。和卖家反复沟通下,卖家从主线束上退针给拆了下来

他的大线要卖钱,这个密封胶圈刚好在线束上。沟通了好些时日,他从大线上面上退针给拆下来了。

卖家说是实验车的总成。。。可能是吧,成色还行就算二手应该公里数也很少。
48510-0N070
48510-0N070

前避震弹簧总成,上面有写左右

后面的没分左右 随便按
48530-0N070
48530-0N070


配件全部齐全了,开始动工搞

这一箱子的线,,,都是自己做的。

执行器自己安装的,修理工不会,检查好角度就行了

忙着自己上手去搞了,很多照片就没照了。。。

白色搭铁插头下面是后加速传感器,自己对比了好几分钟,,,觉得应该是挂在铁板的背面才对

后加速传感器

修理工趁我去指挥后面的人如何穿线时,把罩子上了,,,将就吧,,密封圈都对着发动机,,也一样

防火墙撕开,,从里面过去。。。怎么方便怎么来,,不影响

直接从保险盒里面分电出来

仪表盘也自动变成了SPORT






AVS电脑匹配后。小屏幕上面之前的POWER变成SPORT了

改AVS悬挂后。。。后轮4指

前轮接近5指,大拇指比较勉强赛进去

改完洗车






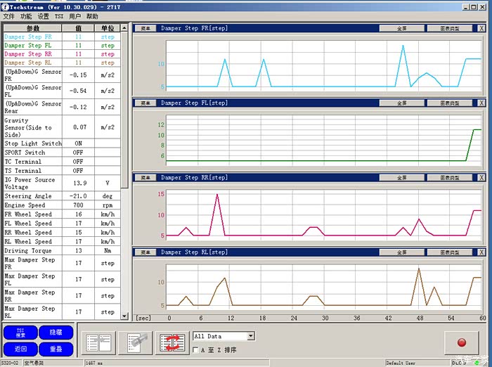
安装完毕后进行路测,一个人开车一个人测试,,,速度不快的时候伸手在键盘上按了下PRINT SCREEN键进行截屏。。。
不时瞄了下电脑屏幕,,,4个悬挂确实都是独立的在调节,和我之前推测的后轮是同时调节有一点出入。不过后轮左右两边调节幅度很接近
不时瞄了下电脑屏幕,,,4个悬挂确实都是独立的在调节,和我之前推测的后轮是同时调节有一点出入。不过后轮左右两边调节幅度很接近

除了EPS全部都正常无故障代码


C1582得用解码器才能读出来,仪表盘并不会显示出来。

EPS系统直线行驶的时候不消耗能量,从而比传统的发动机带动的液力助力器燃油经济性更好。

ECM就是发动机电脑,它会向EPS系统输出SPORT模式信号。
减震器ECU向EPS输出减震力控制状态?
减震器ECU向EPS输出减震力控制状态?

这张图写到发动机电脑向EPS输出行驶模式选择信号(不带自适应可调悬架系统),和上张图的说法有冲突!
上张图里面并没有强调不带自适应可调悬架系统。
感觉C1582的故障似乎和这个有关系,是否可理解为有AVS系统的,是AVS系统向EPS发送行驶模式选择信号!
没有AVS系统的应该是发动机向EPS发送行驶模式选择信号????
上张图里面并没有强调不带自适应可调悬架系统。
感觉C1582的故障似乎和这个有关系,是否可理解为有AVS系统的,是AVS系统向EPS发送行驶模式选择信号!
没有AVS系统的应该是发动机向EPS发送行驶模式选择信号????

这张图写道EPS在检测到电源电压下降的时候,会控制空调的用电量。

最后只剩这个故障代码无法清除。。。。是方向机ECU里面存储的故障。
AVS电脑安装匹配后,会自动写入新的助力图到方向机电脑,那么兼容的问题就来了会弹C1582。
和已经加装了AVS的车友交流了下,同样如此。
网上一些维修手册里面的说法是车辆规格参数和助力图不匹配。
车辆规格参数存储在哪儿的???
是否可改变系统里面的车辆规格参数,然后就能匹配助力图了?????
AVS电脑安装匹配后,会自动写入新的助力图到方向机电脑,那么兼容的问题就来了会弹C1582。
和已经加装了AVS的车友交流了下,同样如此。
网上一些维修手册里面的说法是车辆规格参数和助力图不匹配。
车辆规格参数存储在哪儿的???
是否可改变系统里面的车辆规格参数,然后就能匹配助力图了?????
对预碰撞电脑重置校准,意外发现被***的功能[颈椎伤害缓和]!

2019年5月6号更新
此图为预碰撞系统的截图
里面多了AVS。
蓝色条里面是without 就是没配备的东西
有4样都没配备
此图为预碰撞系统的截图
里面多了AVS。
蓝色条里面是without 就是没配备的东西
有4样都没配备
因为是后加AVS
最好对PCs预碰撞系统进行初始化
最好对PCs预碰撞系统进行初始化

上面图里面的前两个
PCS-WIL-R和PCS-WIL-L
WIL是(Whiplash Injury Lessening Seats and Active Headrests)颈椎伤害缓和功能
一左,一右,都是前面座椅的功能,国内***掉了而已
日版14代的座椅有此功能,在检测的碰撞是会调整头枕位置降低对颈椎的伤害。
第三个是夜视电脑 (推测是红外夜视系统)
第四个是 前摄像头模块(·~~~可能是单独的摄像头进行行人识别,记得14代日版皇冠网页里面有行人识别的功能)
PCS-WIL-R和PCS-WIL-L
WIL是(Whiplash Injury Lessening Seats and Active Headrests)颈椎伤害缓和功能
一左,一右,都是前面座椅的功能,国内***掉了而已
日版14代的座椅有此功能,在检测的碰撞是会调整头枕位置降低对颈椎的伤害。
第三个是夜视电脑 (推测是红外夜视系统)
第四个是 前摄像头模块(·~~~可能是单独的摄像头进行行人识别,记得14代日版皇冠网页里面有行人识别的功能)

维修手册关于PCS的定格数据表





Whiplash Injury Lessening (WIL) Concept Seat
颈椎伤害缓和功能
1)当驾驶员受到碰撞的冲击力时,座椅后背会凸起来去顶背部
2)同时调整头枕去支撑头部和身体,以帮助减少头部的鞭打力。
颈椎伤害缓和功能
1)当驾驶员受到碰撞的冲击力时,座椅后背会凸起来去顶背部
2)同时调整头枕去支撑头部和身体,以帮助减少头部的鞭打力。
5月6日更新今天还对大灯高度调节进行了初始化

照片当时没照,AVS悬挂的高度有一点点的变化,忘了和换之前比较。
干脆进入前照灯光束高度自动调节里面,进行初始化,让大灯高度调节重新学习一下。
很简单,进去选择油箱有多少油,电脑会自动校准进行学习位置。
其实想到搞这个主要是异想天开的以为高度传感器会关联到EPS和AVS电脑,是否是因为这个导致1582
结果看来和高度传感器无关。可能空气悬挂的和这个有关吧
干脆进入前照灯光束高度自动调节里面,进行初始化,让大灯高度调节重新学习一下。
很简单,进去选择油箱有多少油,电脑会自动校准进行学习位置。
其实想到搞这个主要是异想天开的以为高度传感器会关联到EPS和AVS电脑,是否是因为这个导致1582
结果看来和高度传感器无关。可能空气悬挂的和这个有关吧
5月8日更新

发现3个兼容方面的参数值都为2
不知到具体是什么
另外读取悬挂电脑的数据确定
皇冠AVS悬挂的真实模式只有两种运动和正常,没有舒适!
不知到具体是什么
另外读取悬挂电脑的数据确定
皇冠AVS悬挂的真实模式只有两种运动和正常,没有舒适!

选择ECO模式AVS电脑读取到的数据一样是正常模式

大灯高度控制电脑的参数
这段时间对C1582的研究-2019年5月30日更新

找了拆车的顶配方向机电脑安装依然报C1582

找了拆车的顶配方向机电脑安装依然报C1582

找了拆车的顶配方向机电脑安装依然报C1582

找了拆车的顶配方向机电脑安装依然报C1582.
14代皇冠顶配和低配的方向机电脑完全一样
14代皇冠顶配和低配的方向机电脑完全一样

找了拆车的顶配方向机电脑安装依然报C1582
方向机映射图到底干什么的?
老款皇冠的AV S ,VGR S都会写入映射。
我觉得 方向机的映射图是对方向机电流一种管理或限制逻辑的条件。
AVS,VGRS,方向机,空调的共同特点就是大电流!高耗电!
出于安全考虑应该优先满足方向机的用电量,因为方向机直接关系到安全!
所以不得不怀疑中国版的14代皇冠是三区空调在做怪(“因为只有三区空调版本的配备有AVS系统”),弹C1582并非没写入映射图,车打到On档全车通电,AVS发信息给他就自动写入映射图了,这个映射图里面限制电流的使用条件很大可能是有限制后驱鼓风机的用电量,但进行通讯握手结果发现没有后鼓风机,,,所以就弹这个故障(反复测试过通电后不是马上就弹C1582,他会延迟几秒钟才会弹这个故障,说明EPS电脑在检测他所能控制的用电器,当发现没有这个用电器的时候就会弹C1582 ”刚才写入的助力图与车型规格不匹配“),方向机电脑就会按之前默认的映射图控制方向机的电流,以及车上其他用电器的电流。。。
结论就是EPS电脑不仅仅是控制方向机,还是整车大电流的”管家“!
也和其他车友进行了路测共同的结论就是:这代皇冠因为后加AVS系统,导致方向机弹C1582,但EPS电脑对方向机的控制是完全正常的控制,并没有问题,包括选择运动模式时它一样会进行方向加重!
老款皇冠的AV S ,VGR S都会写入映射。
我觉得 方向机的映射图是对方向机电流一种管理或限制逻辑的条件。
AVS,VGRS,方向机,空调的共同特点就是大电流!高耗电!
出于安全考虑应该优先满足方向机的用电量,因为方向机直接关系到安全!
所以不得不怀疑中国版的14代皇冠是三区空调在做怪(“因为只有三区空调版本的配备有AVS系统”),弹C1582并非没写入映射图,车打到On档全车通电,AVS发信息给他就自动写入映射图了,这个映射图里面限制电流的使用条件很大可能是有限制后驱鼓风机的用电量,但进行通讯握手结果发现没有后鼓风机,,,所以就弹这个故障(反复测试过通电后不是马上就弹C1582,他会延迟几秒钟才会弹这个故障,说明EPS电脑在检测他所能控制的用电器,当发现没有这个用电器的时候就会弹C1582 ”刚才写入的助力图与车型规格不匹配“),方向机电脑就会按之前默认的映射图控制方向机的电流,以及车上其他用电器的电流。。。
结论就是EPS电脑不仅仅是控制方向机,还是整车大电流的”管家“!
也和其他车友进行了路测共同的结论就是:这代皇冠因为后加AVS系统,导致方向机弹C1582,但EPS电脑对方向机的控制是完全正常的控制,并没有问题,包括选择运动模式时它一样会进行方向加重!





英文水平较高的皇冠车主对C1582的英文( Power Assist map mismatch)进行了翻译,厉害吧!估计其它车友群很少遇到这么多高人吧!
这样就进一步确认了这个助力图是对车上使用大电流的电器进行了管理!
这样就进一步确认了这个助力图是对车上使用大电流的电器进行了管理!

这是网上找的丰田关于ESP系统里面
其中一条
电源电压下降控制:
发送负荷控制请求给空调放大器总成,以限制电能使用。
其中一条
电源电压下降控制:
发送负荷控制请求给空调放大器总成,以限制电能使用。

此处的中文翻译叫助力映射关系,
重点“关系”到底是什么关系???
是方向机和其它用电设备之间的关系吗????
如果是这种关系,就 更进一步确定这个助力映射是管理相互之间大用电协调关系的一个玩意
重点“关系”到底是什么关系???
是方向机和其它用电设备之间的关系吗????
如果是这种关系,就 更进一步确定这个助力映射是管理相互之间大用电协调关系的一个玩意
打开汽车之家 阅读体验更好
举报/纠错