飞度改思域屏



七个按键可以用哈哈




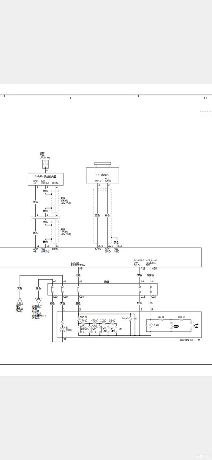
方控电路图

A9方控   A19方控接地    A20HFT

打开汽车之家 阅读体验更好
举报/纠错
2026/3/11 02:37:08