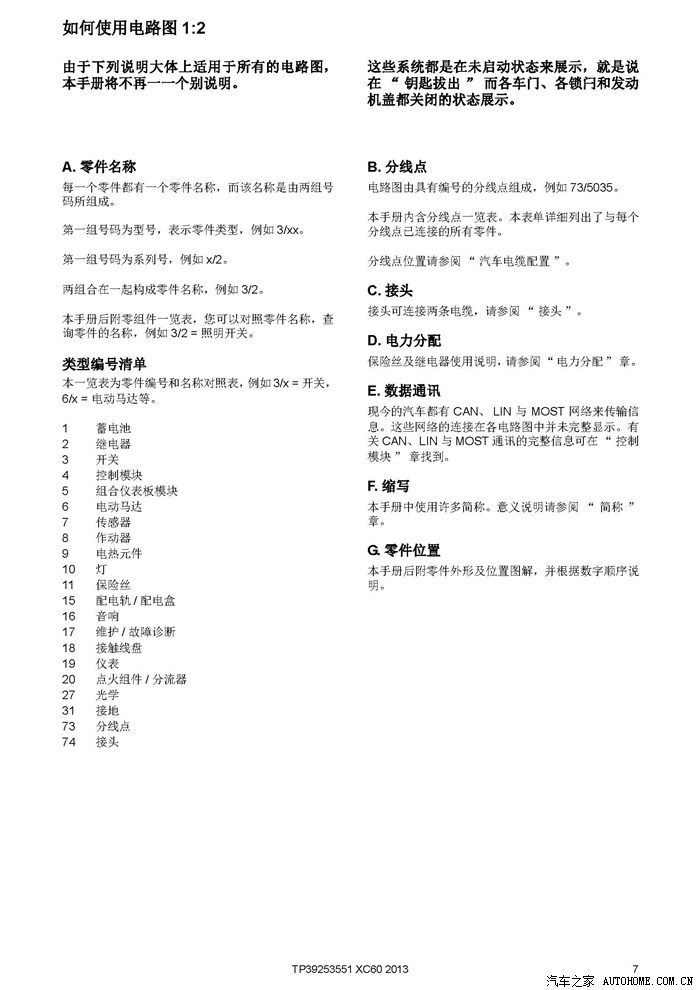
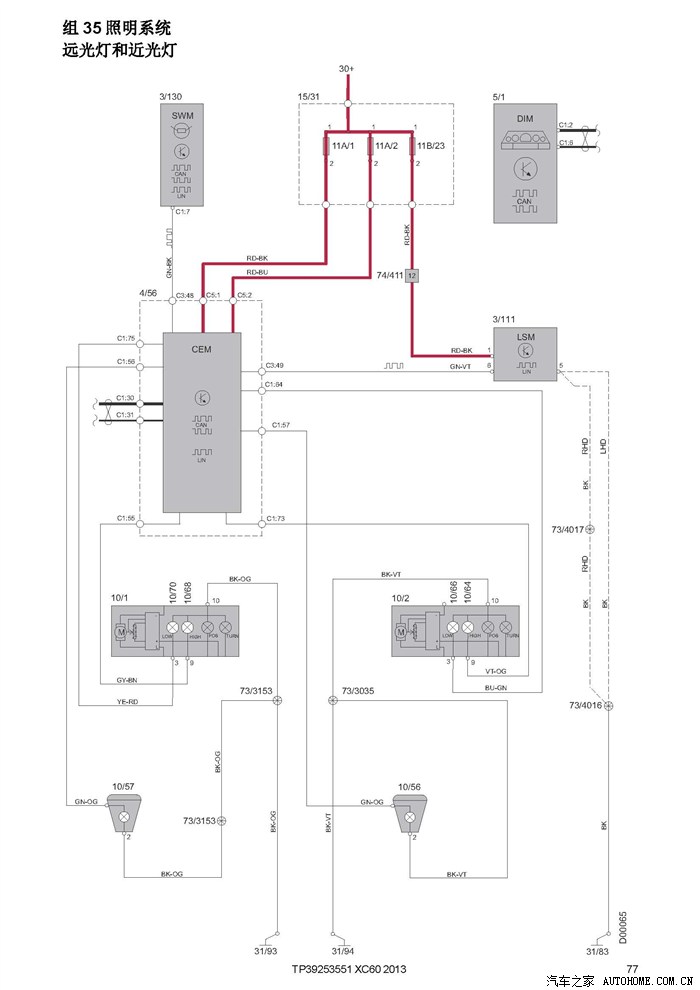
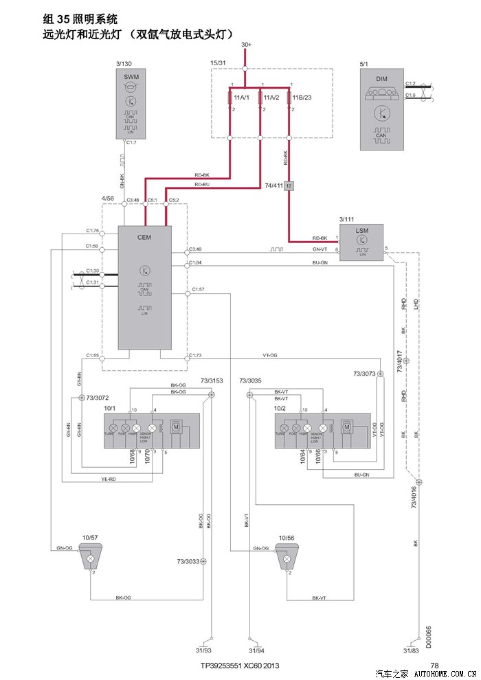
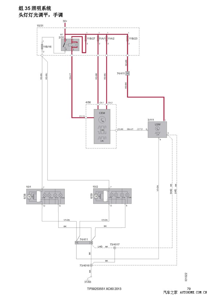
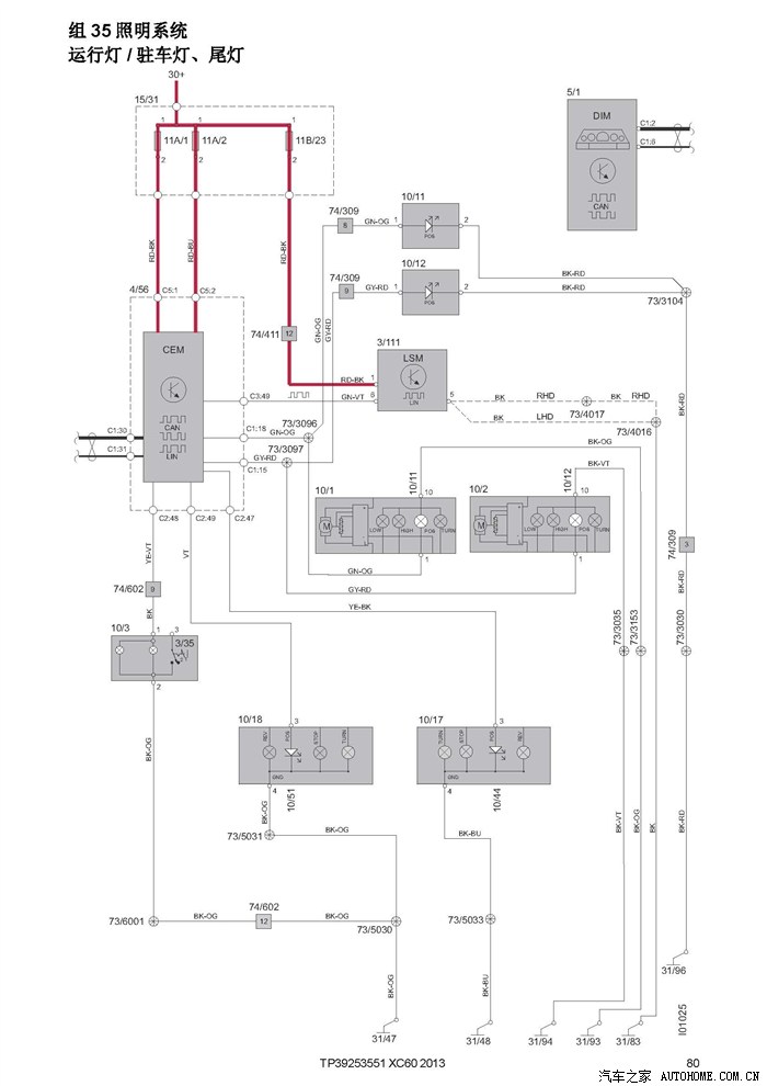
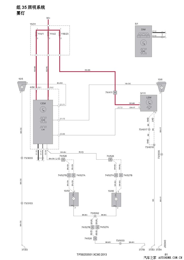
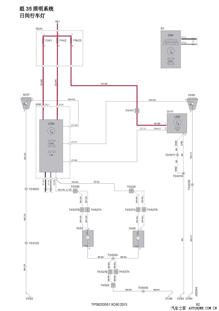
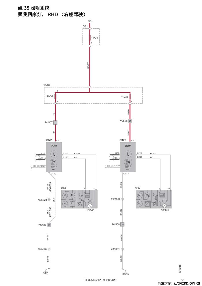
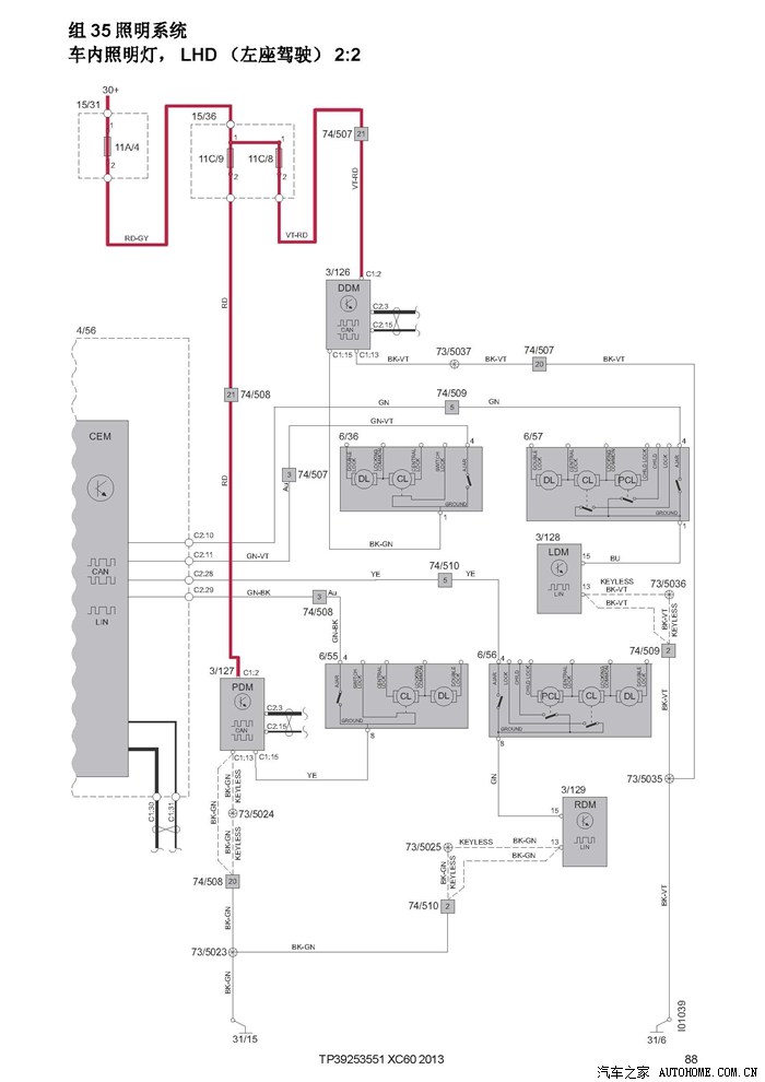
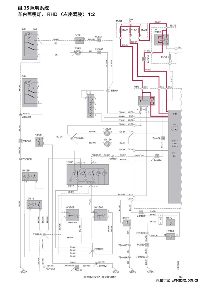
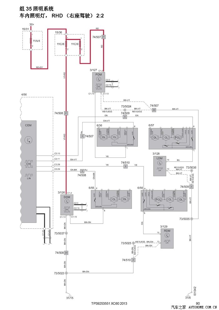
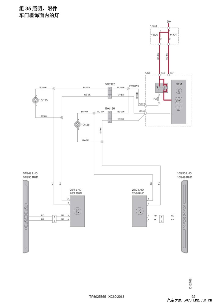
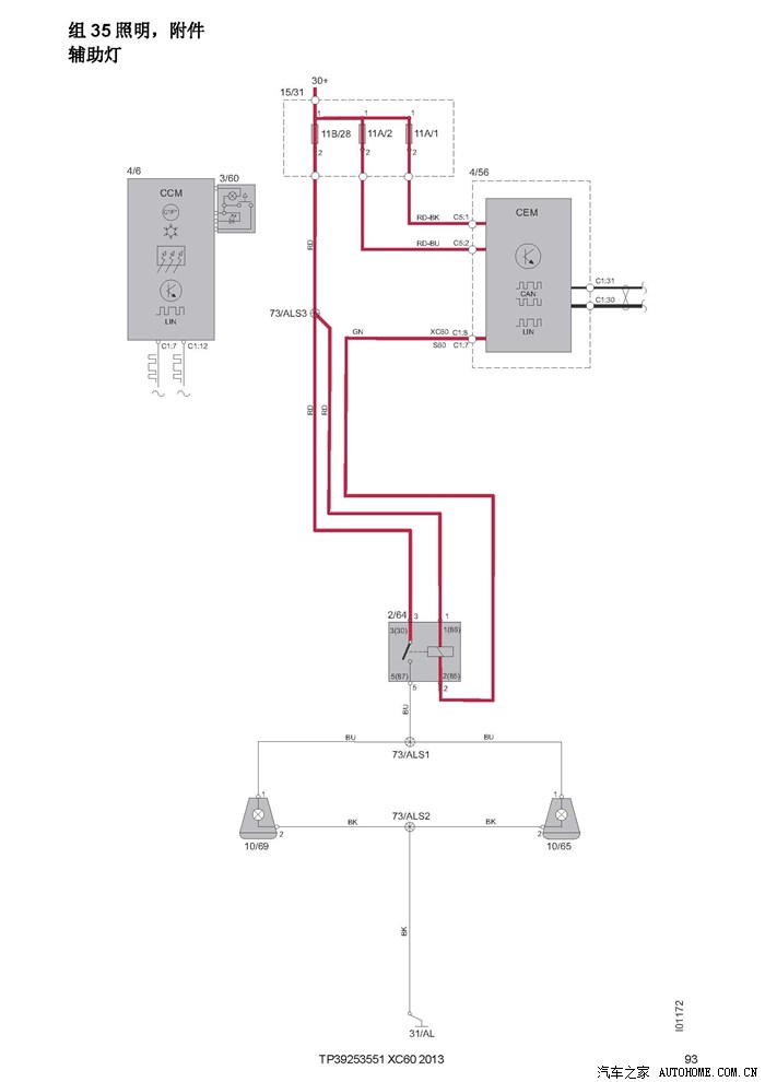
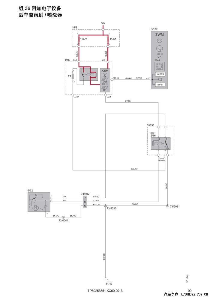
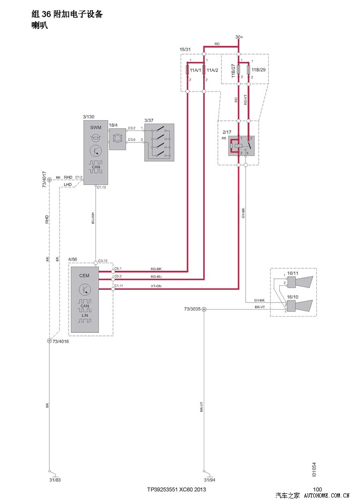
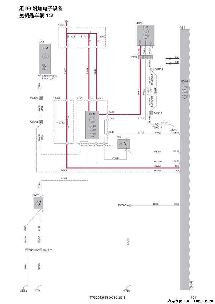
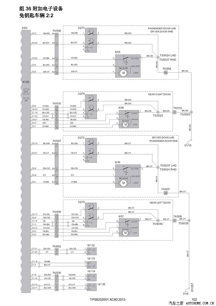
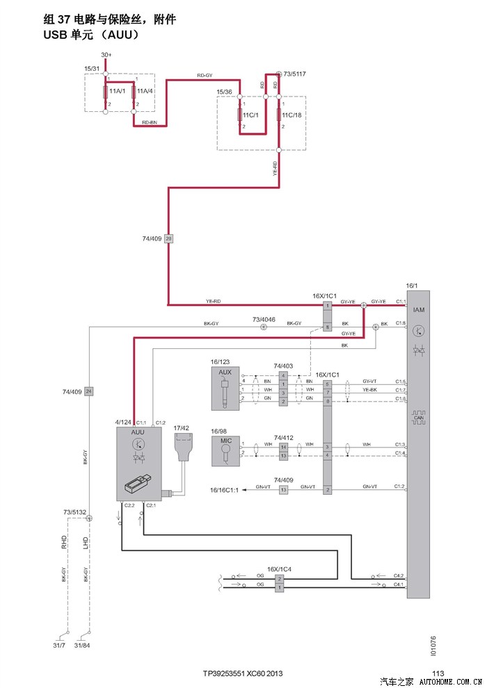
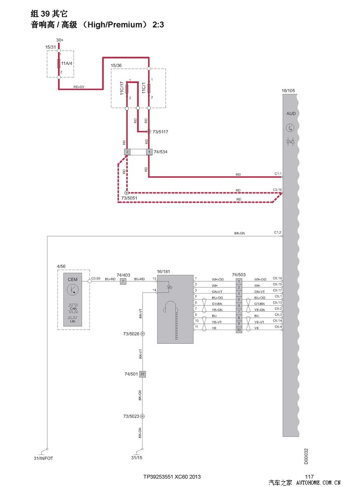
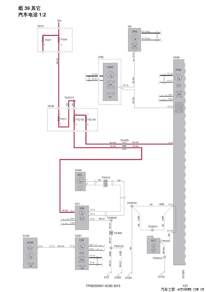
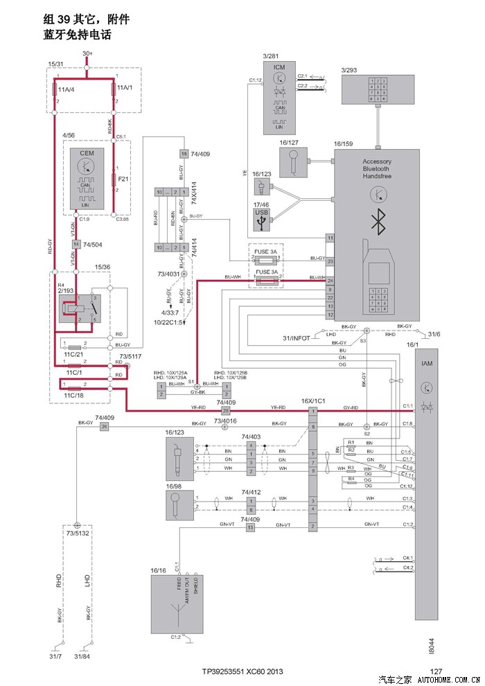
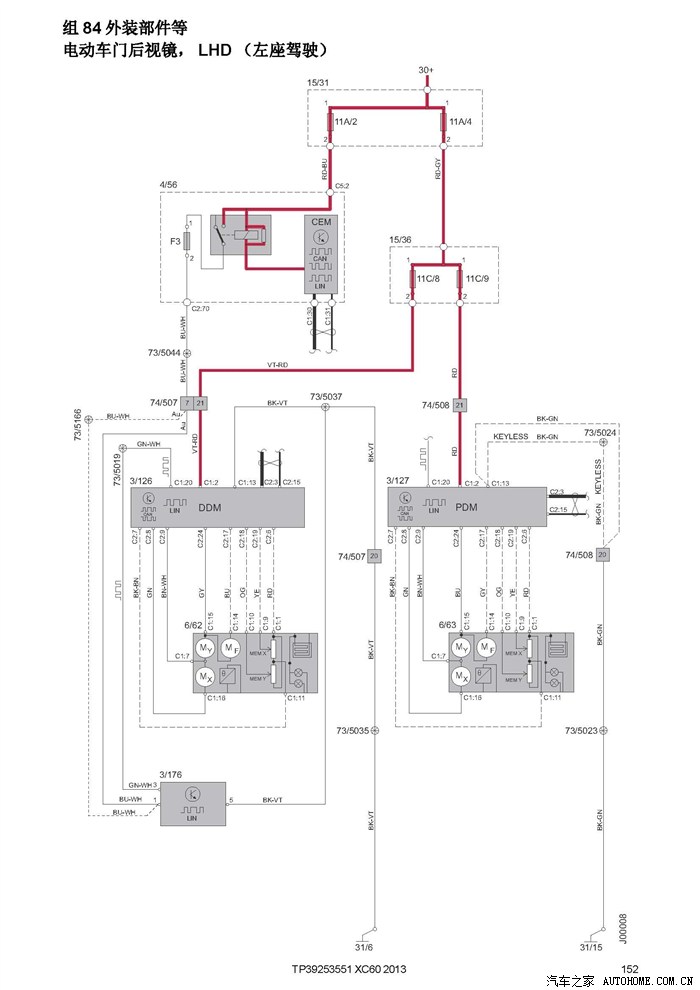
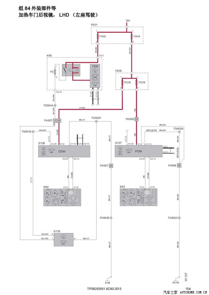
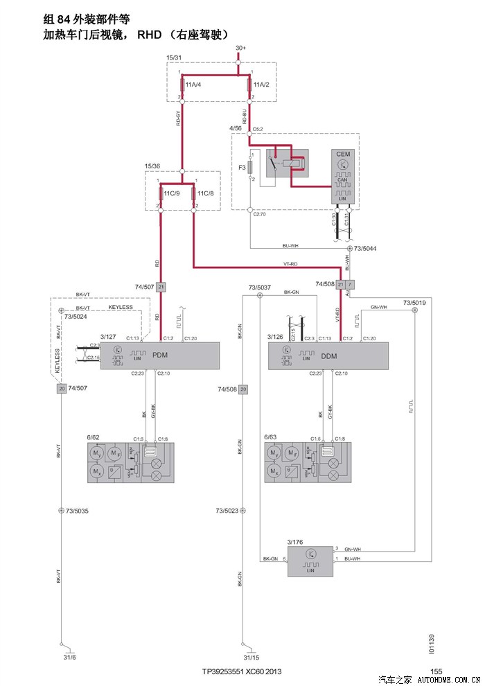
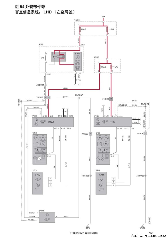
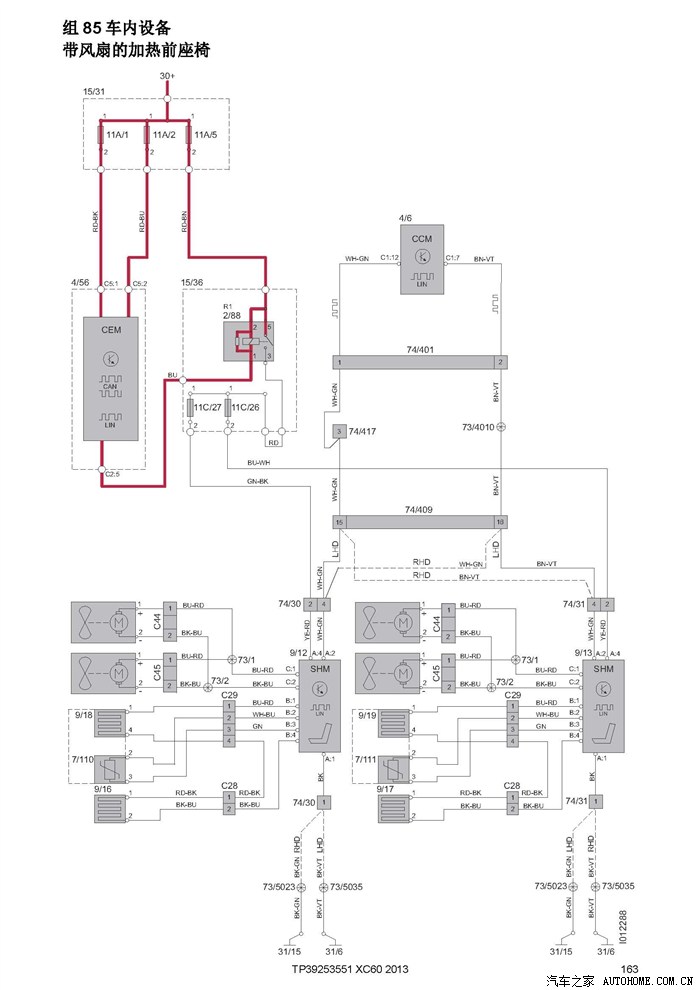
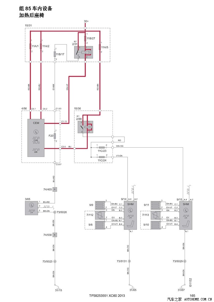
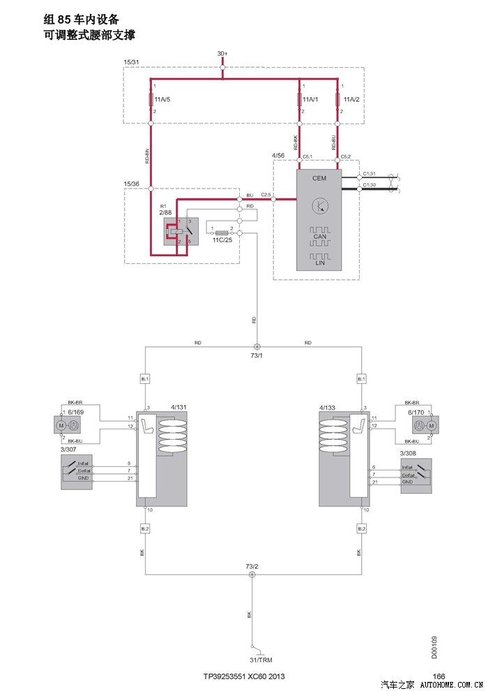
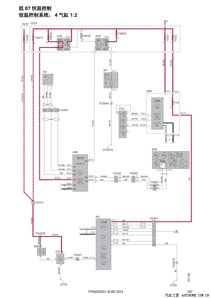
XC60 电路图 (2013版)
XC60 电路图 (2013版)
维修工程师的最爱。发给大家参考。
要pdf文档,请在下帖中留下邮箱。
http://club.autohome.com.cn/bbs/thread-c-585-16536912-1.html


























































































































































































全文完!!!!!!
打开汽车之家 阅读体验更好
举报/纠错XC60 电路图 (2013版)
维修工程师的最爱。发给大家参考。
要pdf文档,请在下帖中留下邮箱。
http://club.autohome.com.cn/bbs/thread-c-585-16536912-1.html


























































































































































































全文完!!!!!!