缤智VEZEL/XR-V车型无损快速取电:原车预留8PIN选装插接器详解
前言

各位车友是否还在使用保险丝&取电器来取出ACC和常电,还在破线+并线来获取小灯、车门和倒车的电源呢?本文就介绍一种在日本非常流行的无损快速取电方法:电源扩展转接线。它是利用原车主驾驶保险盒预留的选装插接器(本田给原厂选装配件预留的供电接口),单独引出几种常用的DC 12V正极电源,实现加装配件的快速取电,并支持小灯同步、门灯联动和倒车的原车联动功能。

您希望自己爱车的保险盒是这样的凌乱吗?
日版飞度汽油版(GK3/4/5/6)和混动版(GP5/6)车型采用了一款白色的室内保险盒,国内的本田缤智、XR-V和讴歌CDX也使用同款。

日版飞度、缤智、XR-V和ACURA CDX的室内保险盒
飞度平台的8PIN选装插接器

飞度神车平台真是被开发到了极致
什么是选装插接器(Optional Connector),简单来说它是原厂选装配件的专用供电接口,它的作用是方便原厂电装配件的取电和实现配件与原车的联动功能。原厂配件只需要利用预留接口对插,就能方便的安装和接入原车电路。
如果像平常各位车主采用取电器和破线取电的话,那么随着配件的日益增多,保险盒附近将会变成各种“蜘蛛网”,对于本田工程师来说这是灾难性的场景,各种不可控的风险也将随之增加。

这样的取电方式是国内的常态,反正技师们给你接上电能用就行,至于后续嘛。。。谁知道呢
,此外,还有一些电源在保险丝上是无法获取的,各位车主朋友谁又愿意去破线取电呢?
,此外,还有一些电源在保险丝上是无法获取的,各位车主朋友谁又愿意去破线取电呢?三飞平台在白色保险盒上预留了8PIN和4PIN这两个选装插接器,因为8PIN接口拥有8个针脚,所以它能提供的功能最全,原厂电装配件也尽可能的使用它。

5是8PIN选装插接器,4是4PIN选装插接器

这两个选装插接器都是原车预留的(未使用)

8PIN和4PIN选装插接器的位置
4PIN选装插接器则主要提供雷达信号和供电,所以缤智/XR-V的原厂配件很少使用到它,目前已知的只有行车安全辅助系统和引擎遥控启动器这两款原厂配件使用到4PIN接口。

本田原厂引擎遥控启动器

XR-V的本田原厂引擎遥控启动器(08E92-TC4-9A00)安装接线图(4PIN部分)

行车安全辅助系统

缤智的行车安全辅助系统(08B78-T7A-H00/08A78-T7A-H00C)安装示意图,8PIN、4PIN接口部分
在此款保险盒中,8PIN选装插接器作为主力电源输出接口提供了全部6种常用DC12V正极电源和一个负极,8个针脚我们能用到其中的7个,它们分别是:常电、ACC、IG2、小灯、倒车、车门+和车门-,所以我们利用8PIN接口进行扩展输出足以满足加装和改装的需要。

本文的主角:8PIN选装插接器
附件电源(ACC)是最常用的一种正极电源,可以提供给行车记录仪/云台、胎压监测、ETC、电子狗、自动防眩目后视镜、USB/无线充电器、车机、导航模块等常见小功率用电设备的DV 12V正极电源。
常电顾名思义:一直通电,车辆的防盗系统、座椅电机等都使用它来供电,后期加装的一些行车记录仪也会使用常电,它可以满足驻车录像的供电需求。
【注意】:8PIN选装插接器中的常电针脚在初始状态是没有通电的,需要在白色保险盒的2号保险丝位置插入一个迷你型20A保险丝,常电针脚就开始通电了,这是本田出于安全考虑的一种措施。


原车C2号保险丝是未使用的

车辆说明书中的室内保险丝盒

20A保险安装位置



原厂配件附带的20A OPTION FUSE(选配件保险丝)标签
原厂的高级行车记录仪和智能无线充电器就需要用到常电针脚,高级行车记录的驻车录像功能是使用常电供电,智能无线充电器则是需要常电和ACC同时供电才能正常工作。

缤智的原厂高级版行车记录仪(08E30-T7A-H00A)

缤智的原厂高级版行车记录仪(08E30-T7A-H00A)

高级版行车记录仪就使用了8PIN选装插接器的常电和ACC针脚,并插入20A保险丝让常电针脚供电

缤智/XR-V版原厂高级版行车记录仪的8PIN插接器,只使用了常电和ACC两个针脚

缤智的智能无线充电器(08U58-T7A-H00)

缤智的智能无线充电器(08U58-T7A-H00)

智能无线充电器的8PIN接口和保险丝安装示意图

智能无线充电器的8PIN插接器实拍
IG2是钥匙的第二档开始启动的电源(不踩刹车,启动按钮按两次,车内仪表/空调系统开始工作时),它是车内大功率设备的电源,发动机启动后也一直供电。
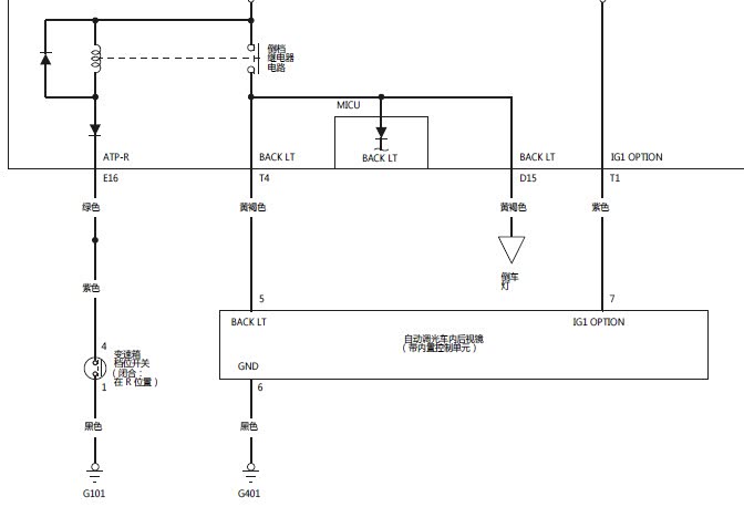
倒车(R)则是当挂入倒挡时开始供电,常用于防炫目后视镜在倒车时自动关闭防眩目功能,在室内停车场等昏暗环境中倒车时,恢复后视镜的正常视野。当然,早些年大家经常听到的“倒车请注意”提示音也是倒车针脚的一种应用。

本田顶配车型常见的镜泰(真泰克 GNTX)自动防炫目后视镜就使用了ACC、倒车和接地这三条线

GNTX自动防炫目后视镜的电路图
小灯(照明)是当车辆开启示宽灯、大灯或AUTO模式大灯启动时开始供电,配合车内接地,常用于各种室内氛围灯,如中控台氛围灯、车门内饰板氛围灯、脚窝灯和B、C柱反射式氛围灯等。

日版VEZEL的室内氛围灯组件

脚部氛围灯

中控氛围灯

前门音响氛围灯
车门+和车门-是配合使用的,它的原理是通过车门-的控制来实现设备的通断,这是典型的负控模式,所以车门-不能当做平常的接地来使用。它们常用于LED迎宾踏板的控制,车门打开LED模块亮,关门灭。此外,它们还拥有门、灯联锁同步的功能,LED迎宾踏板在锁车后的延迟熄灭,解锁后和室内照明灯同步亮起就是这个原理。

老款缤智的LED迎宾踏板和19款缤智LED流光踏板的接线方式是完全一致的,都是通过8PIN接口接入车门+和车门-极。

老款缤智的LED门边踏板饰条(08E12-T7A-900)

新款缤智的LED流光踏板(08E12-T7A-H00)

日版的LED车身迎宾照地灯也是使用车门的两个针脚,工作逻辑和LED迎宾踏板同理。

车身迎宾照地灯
8PIN电源扩展转接线
在介绍完8PIN选装插接器的工作原理后,我通过制作电源扩展转接线,就能实现对应针脚的独立输出功能,另外预留一个8PIN转接口(和原车接口一致)来支持原厂配件的后期加装。当然,根据车友选装配件的加装数量,也可以定制预留转接口的数量,或者一分二转接线,这样就可以实现多个使用选装插接器取电的原厂配件同时接入。


来自日本矢崎(YAZAKI)的原厂8PIN插接器和端子

线材当然也使用原车住友电装、矢崎的日标0.5sq(平方毫米)汽车专用阻燃线

各种配件也是精心挑选,安全取电是第一位的

辅料必须全,波纹管和热缩套的组合

趁手的工具并不可少

T12白光焊台的加入让端子和线缆的接触性更加良好

冷压接+锡焊加固处理,让双线的接入更加牢固

线材和端子处理完后插入8PIN插接器母头,这是双线接入的样子

8PIN母插头,用它插入保险盒的8PIN预留接口

8PIN公插座,它是通过接入母头引出线缆而获得完整的8个原车的端子输出,预留这个公插座的目的是方便后期原厂配件的继续接入,比如缤智原厂迎宾踏板线束的8PIN插头就插入到这里

从8PIN母头引出双线中的另一组线束则被作为单独的7线输出,看到这里的线缆标签,想必一些老司机朋友应该能立刻明白了,是的,您的配件需要接入哪种电源就对插哪个输出端子,这就是无损对插快速取电!

飞度衍生车型8PIN电源扩展转接线全貌

线材的附件包括14颗铜制子弹头接头和绝缘护套,一个原车日本太平洋精工的20A迷你型保险丝

如果您车上使用ACC和常电的设备比较多,还可以定制对应的一分四转接线,满足您的取电需求

不同型号的插接器都遵循同一个外挂标准,它们之间的组合就非常轻松

原厂插接器在四个方向都设计有卡销和卡槽,方便各种角度的外挂

保险盒四周都有这种标准固定卡销,方便车主去固定插接器

本线材中8PIN转接插座的固定方法可以参考此图中保险丝盒的外挂方法,将8PIN转接头固定到保险盒底部的预留卡销上

最后将7个输出端子用扎带固定在附近的线路上,只要方便您接入的位置即可

子弹头和一分二插接器连接后,将绝缘护套合拢即可

这是行车记录仪ACC正极供电线接入的实例

在安装配件的同时,这样干净清爽的保险盒您也可以拥有,本线材就可以帮助您安全高效的快速取电,远离保险丝取电和破线!
ok,本贴就写到这里,本线材已上架接受定制,咸Y搜索“飞度/缤智/XRV/CDX/VE-1车型8PIN无损取电线”,也可根据需要定制转接口数量,有任何疑问和定制需要都可以在这里留言或者私我,我会尽可能的答复,更多信息可关注我的公众号@老汉的泡菜坛子,感谢!
打开汽车之家 阅读体验更好
举报/纠错