历时半年 EW10A 408 2.0 老树新花 开枝散叶 408动力改装
EW10A 408 2.0 老树新花 开枝散叶 综合改造
如果一定要说是不是有病居然会想到去改造一部完全不受玩车人待见的法系车;而它还居然是408....没错!病得不轻!后悔了嘛?对于我而言:值得! 胖墩是本人人生的第一部车,一部自认为车况不错的二手车。入手后不枉下功夫做調教,由着自己的意愿也算是兢兢业业陪伴出感情了。功臣老爷车要说也有理由置换算了;然高不成低不就的消费理念还是作祟影响了;既然不上不下还不如将就。带着情节改的车也就不存在到底什么所谓的性价比了。倒是觉得真对机械感兴趣的可以尝试一下所谓的:一跺脚;要么不动;要么综合平衡。其实得到的不仅仅是新的驾驶机器和感受;当真正跟进了以后你会很容易定位出到底由着自己的性子的下一部车该是什么秉性才会对口。

改造清单:1:英国CAT248中高角度凸轮轴
2:RC铝合金进气歧管、HS 四合一头蕉、全手工現塲定制63MM中断、芒果400目高流量三元、63MM中消、RES回压尾鼓、KN冬菇
3:法国运动部RC密齿组(疏1、密234) 原厂尾牙
4:HS 小六活塞刹车套件 后套件沿用原厂 前后钢吼
5:HS李子串 机油透气壶
6:HS 扭力式LSD(限滑差速器)
7:HS 油冷套件 带机油节温器
8:HS ECU調教(原厂电脑配合空燃比机加架设爆震监视仪器,保障6500转以后無爆震)
9:一些法国进口配件:2.0运动部离合套件;变速箱轴承套件;正时套件;机脚全换;后桥衬套
10:3套避震的纠结 308GTI套装 BILSTEIN B14 套装 BILSTEIN B12 套装
其实在改造之前压根就没有改造方案的概念;那时候唯一想搞的就是密齿。原厂波箱齿比太稀,换档后转速落差大。不顶高转的话动力发挥不出来。法系的发动机要说菜也不对,4000转以后中高转还是可以,但说实话小城车多人多路又窄想顶出高转发挥出动力确实比较不理想。起先的想法也就是动动变速箱然后继续观望。机缘巧合,抱着密齿做关键字网淘,还是被我淘出了改家信息。其实国内玩法系的也就那么几家。综合对比后认识了老哥。挺好! 也不是就兴冲冲的就马上确定改造方案了。 其实如果对于原厂的机械构造理念来讲,也不吹嘘,借助着刚毕业时的基础知识,自己也可以给车当医生。但涉及到改装我就只能算个改装小白。 然后不断的进入专业的汽车网站恶补改装知识。 什么改装案例对我来说都是噱头,一点也不去关注。关注的就是网页里面的理论学堂。 恶补了大概2个礼拜的基础知识后,还是和老哥交流了,一带入微信群。吓我一跳。集合众多资深玩家;那时的第一反应就是:人家做的是专业级的赛车!够分量的街车;自己也就想搞搞变速箱这不扯蛋了嘛!灰溜溜的一句不吭退群了! 沉淀了几天还是坐耐不住了! 算计了一下改造大概时间;衡量了自己到底是否有能力承担改造后的一切不确定因素。 也就这么一跺脚;要么不动;动就玩真格的。 體驗一下还是可以的! 还受得起玩得起! 骨子里想的只有:抓住30的尾巴!我就想體驗到底什么叫所谓的改装。
然后就是自己瞎琢磨了一套方案;老哥居然说我的方案不错!当然也有好几项方案是没必要的.......后续会谈。然后就是下订后的期待了。改造方案落实是在14年11月份就已经确定好了的。那时候的安排是刚好有业务需要北上,可以顺带改车。然后真正等配件到施工完毕是在6月底。

左边原厂凸轮轴 右边CAT248:区别:原厂比较肥底瘦腰尖顶;改装凸更圆润渐进桶腰。这套依旧是带有VVT油道的原装位凸轮轴。也是针对EW10A专供的。和改家以废除VVT的改装车对比第一感受就是:没调ECU的时候一次性顺利着车,发动机运转还算平顺。废除VVT的得看凸轮轴角度到底多高,能够一次性顺利着车的不多见;着车后也是很暴躁的脾气。能保住原厂的VVT也正是为什么会选择上凸的原因。 自吸车玩到车跟不上人的节奏的时候,提升的利器就是高角度凸轮轴配合全段优化的进排气,动力明显线性直接。是质的提升。

中高角度凸轮轴:
简单的来讲,气门的开启时间和行程的增加,就意味着发动机进气量的增加和排气效率的提高,而进气量的提高也就意味着发动机的马力将有所提高。从它的原理不难看出,这一设计是专门针对发动机的高转速。当发动机在高转速工作时,它的威力才可以得到完全的发挥,那种猛烈的提速感,只有用过的人才能够真真切切的体会到。关键词搜索:高角度凸轮轴、点火提前角、气门重叠角、凸轮轴扬程。 408改造的初衷就是权衡车型定位:不追求挖掘多少潜力但求不躁动够稳定。选的CAT248凸轮轴从数据上来说只能算是入门级的小角度凸轮轴,但是凸轮轴扬程在街车角度来讲也算激进了,9.5/9.15的扬程相对原厂9/8.5的进排气凸轮轴扬程来说别说角度小,对于发动机腹内没动到的来说够用了。街车改家推荐的也只是256的凸轮轴。所以严格意义来讲:凸轮轴到底多激进不能单纯看度数;考核更多的还是凸轮轴的扬程。这套凸轮轴的优点就是不需要配合可调普利盘做调整,完整的原厂位正时就可以。 248怠速可以稳定在850转;256大概稳定在1000转附近。一个408而已也就不想没事的时候1000多转在那里吵吵。



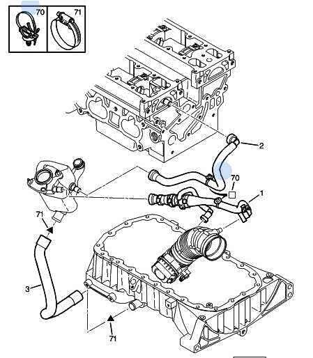
铝合金进气歧管、四合一排气:和原厂对比的效果就是铝合金的比较短粗,优点就是高转的时候进气/储气量更大更顺畅,直接效果由4500转开始疯起。排气四合一等长,优点是配合进气后可以达到进气更顺畅,排气更少的扰流干扰;改装基本追求的是中高转的发动机响应;因此理论上来说进排气效率高了以后低扭会偏弱;真正发挥的是在中高转以后。 HS的头焦针对街车还是做了优化。确保中低转速的时候丢失过多的低扭。

五档单间
扭力式LSD限滑差速器,其实BE4变速箱装LSD当初选装的目的是并不是为了追求劈弯到底有多强大;锁止能力是否能达到50%。权当是安全配置了。其实挺好的,转向手感更沉稳。劈弯更有信心。就是别碰上推车需要打方向的状况。死沉死沉的。更强大的还有膜片式的LSD,扭力式可以不需要添加变速箱油添加剂,膜片式的就需要添加保证其耐用。只是个408而已......发烧级的基本都是1.5WAY以上的膜片式LSD。
数显扭矩扳手,专业改家就是专业改家;拥有的不仅仅是该改车的宝贵经验和强大的改件信息量;配件管理系统;专业ECU调教设备;打底的原厂装配资料。更需要的是信得过/负责任的操作老手。然老手也有力道不够准确的时候。全程所有装配扭矩,有些需要做扭矩优化的就全凭借这把数显扭力扳手做配合。谢谢田师傅;话不多但确实是操作老手。严谨认真负责。
带拨叉的就是一轴(输入轴);另一个把子就是输出轴。二把结构的变速箱解体。
LSD和尾牙齿轮配合后,再次装配差速器轴承
密齿:1档3.455 2.923
2档1.870 1.867
3档1.290 1.367
4档0.951 1.054
PSA车系运动版BE4密齿组(1、2、3、4档从动齿)+3、4档主动齿+一轴疏齿(也就是变速箱分离轴承导向套套着的输入轴)
变密1、2、3、4档齿间(保留原厂五齿速比、利于高速巡航省油)、减小换挡转数落差、让换挡变得更绵密、减小法系车常能感到的换挡时挫车;既舒适又能提高加速度。汽车动力传动,唯有密齿才能改变传动负载(大尾牙不能改变的)。所以变速箱改进二选一的话,推荐做密齿。
左边是原厂BE4波箱的变速箱齿比 右边是改装密齿组件的齿比。齿比就是啮合齿轮的齿数相除的结果。
尾牙依旧使用的是原厂的4.765。408自重近1.5顿所以尾牙没动到,跑街够用了。原厂尾牙(也就是二轴《输出轴》+终传齿轮)配合密齿也算是大尾牙了。
法系运动部出品除了有密齿组件以外还有很多的尾牙可以选择。不同的配合可以依据客户跑法或者说是为了争分夺秒达成最佳圈速而配合不同的齿比达到最理想成绩。这套密齿组件一轴输入轴一档做疏主要就是为了延迟一档的换挡时机,可以跑更远的路再换挡。做疏的同时可以减少二档的衔接顿挫感。5档保持住原厂,特别是有定速巡航的车主必须保留,否则定速巡航会失效。我后加装的定速巡航也得是到了5档才能启动。5档以下无法启动巡航。
另外密齿组件一样会损失各档位的极速。比如原厂4档4000转时速120。现在4档4000转时速是100.。但换回来的是更轻盈的驾驶感觉,因为扭力确实是被放大了。原理就是变速结构的自行车:同是一脚力踩下踏板,大齿带动小齿比起小齿带动大齿的方式就是不一样。大齿带动跑的更远,脚感更费力;小齿带动跑得更短,脚感更轻盈。

进口正时组件




组装后的原厂正时位
加强版气门弹簧:2.0机器的气门弹簧上座相对1.6的弹簧上座更单薄;也只是个中高角度凸轮轴;最终还是放弃了更高磅数的加强气门弹簧。右边的就是加强改件。凸轮轴角度越高,气门弹簧磅数也需要同步跟进,介于2.0机器的弹簧上座确实看着比1.6机器的弹簧上座更单薄;结构还是有区别;需要特殊处理才能保住其工作强度。角度杨程提升的不多还是直接沿用原厂弹簧了。毕竟依据现有路况,能顶上6000换挡的几率确实不高,强度还是受用的。

刹车套件:配套好的桥位所以算是原装位。这套套件上原厂轮毂是不行的,会磨到轮毂。而后升级了20MM的HS外垫垫片及高强度的反串螺丝螺母做配合。法系的轮毂螺丝构造比较特别,双台阶结构。严格来讲我上的轮毂螺母并不完美,会在初装的时候和轮毂磨出角度出来,造成轮胎松动。所以装车后随时检查轮毂螺母还是很有必要的。这个也是需要优化的方案。如果是配合改圈的话正常是能够配合到位的。外垫的效果也相当于轮距加宽,也算攻弯利器。而且408的原厂效果是憋脚进去的;外垫后整车效果更饱满了。

304刹车盘。原厂规格前283后247,2.0的刹车套件原本想上330的盘,但后刹车套件没有理想的方案可行,怕栽头也就降了个等级。其实法系的刹车套件倒是可以移植的;原厂就有套件;应该是308CC版本的套件。前304后268。也有308GTI套件:前330后298。想着是原厂那个重啊!改造最理想的当然是尽量减少簧下质量间接提升动力,原厂套件不便宜又笨重,也就放弃了。顶多哪天高兴了淘一套268的后原厂套件也算跟进了脚步了。刹车总泵依旧用的原厂;改刹车只要不是前后大几个缸的活塞原厂总泵都够用。没必要多进行跟进升级。



机油透气壶:法系有台发动机代号EW10J4S,废气循环方案做得还是不错的原厂据说可以7600转断油。无能的合资日你妈给简配了。简简单单一条带进气温度传感器的废气管了事了。其实仔细想想老款的2.0机器有些至少还有带个废气阀,倒好到了新款机器尼玛能省全省了。废气循环机构的效果对于车来说还是很重要的,并不仅仅依靠一个机油透气壶就可以完美应对。因此这部分的改进还有待完善。就像所谓的大众涡轮车,和老外的废气循环就不同步跟进,尼玛能耐简配怎么没能耐解决烧机油的问题。还是想狂日尼玛个逼的傻逼脑残所谓的简配。


油冷:2.0高转发动机的特性还是很害怕高温的;原厂机油标号5W40,100度黏度等级达到14.2。算是非常粘稠的机油了。本来不想上油冷的,后来想想了也没多少坏处,至少好歹也有个机油节温器,不用烦冬天的时候油温过低造成反效果。高转用车的话油温也不至于过高,好歹能延长机油寿命。油冷是日式7排的,街车够用了。和英式对比还是日式的比较理想。因为暂时还想上套油温油压表。改装油冷对于油压是否有影响还是需要表做检测比较保险。尼玛老外的车很多就自带油温油压数据。还是继续吐槽恶心的简配。改造有个实时的数据监控还是很有必要的。

上氧传感器最终不是这个效果,这个效果会导致数据流漂浮不定影响动力发挥。

高流量三元。后氧传感器ECU调教的时候屏蔽了,不报故障码。也不能废除,就是依旧原厂接线对接。处于伪罢工状态。
加长的前氧传感器。

排气中段手工定制:304不锈钢 63MM管径 2MM壁厚;挺强大的职业排气改家。一进厂多数都是高大上的神车,排气現塲取材弯管焊接对接;一气呵成。成品效果还是很不错的;壁厚够扎实没有多余的共振声,全段排气屡顺畅了装车无磕碰无异响无共振,上氧传感器还是折腾了不少时间,因为接空燃比机的时候空燃比漂浮不定造成调车不理想。好歹最后还是解决了。氧传感数据流直接影响到的是发动机的油耗和动力输出。



ECU調教:空燃比机加架设爆震监视 LSU4.9综合調教的算是个多维图吧。 可以看出很多数据。全段空燃比在4000转以前或则说是类巡航状态能保持住14.7的空燃比無爆震;4000转以后空燃比会在12.9--13.1范围無爆震;正常跑街也最多就是6000换档,其实还可以更高;只是没那个必要了。这就兼顾到日常用车的油耗以及小玩一把的油门响应。这么说吧 高速140巡航油耗显示的是7.3。日常用车综合在9.5升。这版程序可以说是依据现有改品做的精细調教,不是所谓的罐头程序能比拟的。原厂电脑直接做读写,无需外挂。 到现在3个月左右了吧还是比较稳定的。 




408 BILSTEIN B14避震异响:其实改造的时候就 想着动力提升了;底盘还是跟进了比较好!管胖墩到底是否值得投入了!改就该出态度出来,體驗一下也好!王牌BILSEIN B14。原本想尝试全新货的,也知道这套避震不是等闲货,很容易出现异响。所以收了一套二手的。认知绞牙的强大由王牌B14起步,也是疯了!
事实说明:我还是高估了我的折腾能力!事先就有408上B14无奈退场的案例。单纯的这套避震我在修理厂拆装就一次,是优化了巡着渐进弹簧的装配方式做的改进,一直以为问题仅仅就是直卷弹簧磅数高塔顶受不了的原因。但也许不全是这个原因。修理厂拆装后,和师傅是很熟悉了,但也不好意思老霸占着工位瞎搞。索性自己淘了工具就折腾起来。自己平时12点以后会闲,然后拆装次数就算10次就好吧。应该说一步步的还是出了效果的。从打方向激励桄榔响,到水泥路面抖搂响。可以说进步的不只是一点点。但是也只能维持在这个阶段。最理想的就是一装配完毕以后5公里左右的路程是清净的,但是过了以后抖搂响就又出现了。避震阻尼没问题,前桶包个毛巾,用体重(不到120斤)压下去不动的!还得使劲才勉强压下去一点点;它是压缩阻尼和回弹阻尼都霸气,霸气到比我后面装配的全新B8桶的阻尼还要好。行程也比B8桶长。由于408阶段性的还是需要兼顾用车,频繁的抖搂响也不是办法。无奈放弃。
分享:1:B14的弹簧能够承受400磅左右的力,而且还是直卷弹簧。避震桶据说能承受300磅的力。原厂弹簧最多也就100磅以内的力,避震筒更不用说了,两个手指轻松摁下去。原本想着将避震桶芯的垫片去了,结果不到一周它居然能耐顶穿原厂顶胶。
2:其实上了桶芯垫片以后发现,顶胶其实没那么容易被顶穿;也就是说可以排除顶胶问题;开始做平面轴承和顶胶间隙的文章,硅胶垫死间隙,但好景不长,反倒废平面轴承;不死心转战SKF的平面轴承;却又变成打方向橡胶摩擦声。认了,再次想着渐进弹簧方向走,重新定制弹簧上座,使上座和平面轴承無间隙,能想到的异响硅胶垫片都垫上。无果!还是行进5公里左右抖搂再起。 再次尝试加强版的顶胶,尼玛还不如原厂顶胶的效果好。
3:实在无果又他妈的不死心,定制的弹簧上座加原厂弹簧上座加模具专用的0.05间隙片一起搞起。间隙片是缠绕在桶芯和避震顶胶之间的,缠了5道(这效果绝对是明显的)。原厂弹簧上座的限位胶需要切除,配合搞起之后。这次会理想些:转向不响,水泥路抖搂偶尔响。但是龟裂路面拍完后又尼玛响了。
4:倒插桶桶身摇晃着确实还是会有些许间隙;但一直不认为是它的原因;毕竟我在配合装配完毕后总会有一段路程它是安分清净的。弹簧响也不对,定制的硅胶垫能垫的都垫了,保障的不仅仅是簧敲桶身或簧跟转的问题了。装配打死我也不承认有问题。
5:所有的排除完毕,从新上308GTI套装,一片清幽。底盘没问题。也就将就着忍受异响用着了。其实不是输不起这套避震,而是败得莫名其妙,然还超级喜欢这套避震的路感。Q弹有度,底盘支撑率性直接。抓地更不用解释了,强大的簧桶时刻感知路况。坚持着折腾无非就是想搞明白到底根结会是什么。然还是败了!毕竟408怎么定位都只能算是个胖墩,个人也需要兼顾用车,还不到放弃顾虑随便放任的地步。
6:能想到的也只有一点:平面轴承,原厂的平面轴承就经不住高磅数的簧桶的配合,加上我的路况确实不理想,而又是完美癖,每次装配完毕都是直接龟裂路面疯试车。期间有想过波子塔顶进行配合,408太屌了没看到一个合适的。然后也就有了想试试是不是李子串可以尝试解决。其实车身高度因路况没降多少,前3后2。理论上肯定需要调整了,然而尝试李子串加定位依旧无果。
7:B14你赢了!毕竟强行想将307家族通用的避震移植到408也算是个人过于执着了。执着到308GTI套装我都无视了,全新扔仓库做库存了。
8:折腾不赢B14,那就最后试试B12(海淘307SW专用B8桶+307SW菜油版爱巴赫黑簧)。其实BILSTEIN 308GTI套装可以完美移植到408上面,因为底盘结构一样的。屌到尼玛彻底了,直接回应就是断货/缺货/无货。那时疯狂到想入手全新B14继续折腾。也还好至少尼玛307SW套装还是到手了。底线也就是B12如果折腾不赢放弃回归308GTI套装了。庆幸的是赌对了! 移植的307SW专用套装果然整个世界都平静了,现有的垃圾路况无异响,渐进弹簧还是比较靠谱,所以觉得原厂平面轴承撑不住高磅数的筒簧配合是我一直坚信的。 差距只是过弯的支撑没B14的理想。 但也算兼顾到日常用车了。因为特殊原因胎压只能打到2.5。所以还是很高兴,有了B14套装的经验,B12 非常顺手也顺利装车無异响。
9:BILSTEIN 倒插桶确实牛逼,牛逼到可以下赛。日常用车如果是城市用车可以考虑,路况理想的可以考虑。城郊路况别了。纯玩的也可以。理想到可以无视异响接受现实,王牌的操控也确实算牛逼了,就算赛用有更理想调教的没接触过,依旧认为在跑街来说,B14俨然就是高大上,就是尼玛的什么原因不争气上不了到现在依旧无解。胎压建议2.2就好! 弹簧比避震硬胎压多了还是会有多余弹跳的感觉。


运动部的后桥衬套,老车了 看着龟裂的原厂衬套也就一起换了

其实仔细看看B14在倾角上面还是有微调了。车身高度较低后跑出几千公里之后会发现轮胎有外八偏磨的情况。B14的羊角结合处还是可以看出有所微调,还是讲轮胎往发动机侧有所拉回。所以建议有降低车身的车友,一定路程后记得轮胎交叉换位。


库存的308GTI 簧 和 KYB黑桶。其实论舒适兼操控的话原厂有多远滚多远



后避震套件安装方式:有说得倒过来装,但是想着还是这样装理想。也不想多想,觉得BILSTEIN没道理蠢到真把弹簧字给打反了。不废大脑无需加工,关键:后避震套装从来不曾响过。其实绞牙的高低调节直接卡在车架上严实得很,原本担心的异响很庆幸没有。后桶是不是倒插筒设计个人暂时未知,看真更像是正插。执著于BILSTEIN的原因很简单:一部兼玩锐志10万公里后,上避震检测台,那阻尼效果居然只是减少了10%。能耐造烂倒插筒的估计只能是天天达喀尔拉力的玩家了。就很少听说其漏油。





两个黑圆盒子就是间隙片。模具用的0.05间隙片

间隙片缠绕的位置就是筒芯没有螺牙的空白处。原配垫片也得缠结实了。效果是相当明显。我后装配的B12也照样给缠了间隙片。完美。
李子串调节方法:车身高度将的幅度大的可以考虑了,有时候拼着研究扭力杆还真不如买套李子串实在。参照原厂的横向稳定杆再往地面多顶一点点就可以。法系的调法就是调长。更多的时候换装运动避震喉会觉得支撑到位了,但转向、颠簸的时候还是能感受出李子串配合调整的效果。
动力血液:脱裤。数据接近原厂最高等级的道达尔9000。玩车的据说比较长效。试试

海涛的B12 总算还是接货了
BILSTEIN B12:其实是307SW的B8桶加307SW爱巴赫的黑簧
现在手头有3套避震库存! 308GTI套装 KYB套装 B14 套装 !有没有有兴趣的车友呢!


B12 定妆高度:前3指松 后2指紧 不塌屁股。 弹簧是307SW 柴油版的爱巴赫黑簧
暂停 后续继续跟新 分割线