DIY--自制一键启动模块Q1
- 志俭
- 0浏览 · 2017-07-18 11:59
又一篇一键启动的贴子来了,不知道大家看烦了没有,呵呵,每次都有新思路,每次都有新研究,这一次玩得有点过,踏入了我从末涉及领域,挑战一下自己。
这个贴子已经憋了很久,终于和大家见面了,经过了两个月的学习、设计、制作、安装,成功地作出一款属于自己的一键启动模块,两个月看似很少,但这两个月辛酸是用言语无法形容的,大脑近乎高负荷运行,几经崩溃,多少个不眠之夜,多少天只睡了三四个小时,一次次地测试,又一次次地失败......
对于某些人来讲,这个模块很容易,而对于我来讲,这个模块来之不易,所有,我说的是所有与这个模块有关的知识都是我从末接触过的,包括电子电路、单片机编程、原理图设计、电路版焊接。
对一个初学者来讲每一项攻克下来都是不容易的,电子电路里各种各样的电子元件令郎满目,如何去选择需要的元件真的是一件很不容易的一件事儿,每个元件都要去了解,看手册参数,也买过很多用不上的元件
,而有元件还没有完,就拿一个简单的光耦离合器来说,不是拿过来通上电就能用,要在手册上看它允许的电流大小来配其外接的电阻大小,还要靠三极管来施加需要的电流大小,而三极管又需要外配计算出的电阻来提供所需电流,光计算又是不可以的,还要测试,修改这个电阻值.......
单片机编程,没有C语言基础,编写的过程几经疯掉,语句不知道如何使用,语法不正确,逻辑不清晰等等等等....
原理图设计,它综合地将电子电路的知识以图纸的形式表现出来,这里就涉及到每个电子元件的在图纸上是什么样子的;
电路板的焊接,一个初学者,我选择了洞洞板,一点点练,一点点改,看似简单,其实做起来并非如此。

单片机编程,没有C语言基础,编写的过程几经疯掉,语句不知道如何使用,语法不正确,逻辑不清晰等等等等....
原理图设计,它综合地将电子电路的知识以图纸的形式表现出来,这里就涉及到每个电子元件的在图纸上是什么样子的;
电路板的焊接,一个初学者,我选择了洞洞板,一点点练,一点点改,看似简单,其实做起来并非如此。
大体过程是这样的:电路设计--拼装简易测试电路--单片机编程--上车测试--修改方案--上车测试--......--测试成功--设计电路板--焊接电路板--上车测试--修改电路板--上车测试--......--制作外壳--安装。
测试是个循环过程,一遍又一遍地,包括单片机编程,也不是一次就完成的,也是电路的基础上不断地修改完善,说到这里不得不再提一件事儿,我家住五楼,测试的时候一天上上下下也数不过来多少遍了![]()
测试是个循环过程,一遍又一遍地,包括单片机编程,也不是一次就完成的,也是电路的基础上不断地修改完善,说到这里不得不再提一件事儿,我家住五楼,测试的时候一天上上下下也数不过来多少遍了

感觉上面的文件有点像是在发牢骚,这两个月太累了,向大家诉诉苦吧,对专业人员来讲这些应该就是小菜,很初级,而对有些人来讲这个贴子就是启发。
这里我特别感谢一位车友 bigeblis ,感谢他的细心指点,非常感谢!
这里我特别感谢一位车友 bigeblis ,感谢他的细心指点,非常感谢!
牢骚到此为止
,下面开始上作业吧,说实话,我也不知道从何说起,这些工作都是交替者来干的,但愿下面我不会胡言乱语吧
。至于如何解除原车防盗、如何拆中控、如何拆方向盘护盖等 这里我就不多说了,可以参考我的贴子《DIY--自制一键启动 完美终结版》。
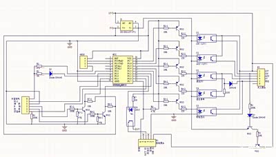
先上精华的部分吧,原理图、程序、焊接图


先上精华的部分吧,原理图、程序、焊接图

原理图

部分程序,上面可以看到编程时间是17看6月11号,从那天我开始着手编辑程序,当然不是11号编辑完成的![]()


部分程序

这个是用CAD画的,为了方便焊接,以免焊错线,我把元件在洞洞板上占用的格数及位置画了出来,右面做了镜像,因为焊的时候是在板子的背面完成的,黄色的是焊接过线,红色及其它为元件、电源模块及跳线等
既然决定制作新的一键启动了,之前做的就得拆掉

看着很狼狈吧,要知道我就这样跑了大半个月
,由于是夏天,空调是必需得用的,看到档位杆前面了吧,空调面板拆下来插上线就放在那里对付着用
,感觉好可怜啊



拆掉装饰板的空调面板怎么看怎么有种神秘的感觉呢

看到几个洞洞了吧,应该是六个,这六个螺丝就是空调面板与其装饰板的固定螺丝,没记错的话应该是用T15的螺丝刀拆
一键启动,按钮自然少不了,新款的圆钮我不太喜欢,老款的那种方的我还是比较喜欢的,我计划把按钮安装在面板上,貌似圆的按钮有点大,所以还是买了老款的方形的按钮

很是喜欢

挺长的

后面是八根针

这个按钮的针脚图,图中可以看到有两个LED灯(12V)共地,4号是接地,6号与地之间有电阻,当按钮按下时,电阻变成1300,既然有电阻,它就不是普通的开关量的按钮

这是对应按钮的插头针脚定义,S38的是一键启动的,右面的S39是钥匙启动插头的针脚定义。
8号端子上面的那个图没画,这里可以看出,8号端子接的是背景光的灯,就是我们车里氛围灯随着外界光线不同亮度会变化的
8号端子上面的那个图没画,这里可以看出,8号端子接的是背景光的灯,就是我们车里氛围灯随着外界光线不同亮度会变化的

8号端子我接到了双闪灯背景光控制线上,图中插头为双闪灯后面的插头,没记错应该是1号线上
下面说说防盗,我想过可以借用环境光照传感器,就是我们仪表台正中间那个,锁车后每隔两秒会闪一次的那个灯,只有用钥匙遥控解锁后才不亮,这个信号用来作为模块的防盗非常好,可惜我用不了,我加装了无钥匙进入就已经解除了原车防盗,这个灯已经是常灭状态了,这里我还是好奇地把它拆下来作了测试

从前风挡吹风口开始拆,很紧,是卡扣的,使劲来吧

注意看卡扣的位置

第一次拆,弄下来真不容易啊,主要是不晓得卡扣都是什么样,在什么位置

看看里面的大音响

重点还是在这里:环境光照传感器,好像左旋一下就拔出来了

看一下这个板的全貌吧

下面的


这个传感器后面有六根线,其中有一根是里面LED的供电线,这个插头上有编号,看到右面写着1了没?我都帮大家测完了,1号端子(最右面的绿色)就是LED的控制线了

如果大家要用这根线的话,从这里就可以直接取了,1号线遥控解锁后一直是0V电压的,而另一根2号绿色线解锁后是12V的
这个防盗我用不了,我又突发奇想,想用检测安全带是否被插上来作为简单防盗 ,于是乎,我又开始找安全带检测线

图上可以看出,安全带末插入时是接地的

位置

图示,虽然有图示,但找起也是很不容易

拆得一片狼藉啊,档位那里拆开研究了,也看到了微动开关,跟本贴没什么关系,就不在这儿细说了![]()


要先扒开这个黑的板

这样还看不到

看到这个黄的插头才是,左面的是1号,右面的是2号,要找的安全带检测线在2号上,灰色的那个掰到左面,就可以把插头拨出来了


为了方便接线,把后面的盖子拿下去了,找到了41号(安全带检测线)和43号(地线),测试当安全带末插入时这两根线是联通的,当安全带插入后,这两根线是断开的

在检测线上打个夹子,引出线

找一根线夹好插头


后盖装上

测试,我去,安全带插上后只有0.441V,
看来得用模数转换了,当然,我这次模块对这个功能设计失败,没有加入安全带防盗的功能,这里贴上这些照片只为大家了解这些东西的位置,及如何去拆,或许有天你可能会需要找这个插头,我只是希望我的努力能换来大家的方便
拆了两个没用上的地方,下面说说一个用上的地方,我的模块加入了天空控制,在行驶过程中按键开关天窗通风,熄火自动关天窗,这就需要找到天窗控制线以及了解天窗的开关方式

卡扣,用手就抠开了

我算是找到麦克风在哪了,一直车载蓝牙通话我都不知道麦克在哪里

右面的白色插头就是天窗通风的开关插头

看面插头右面那里,用小一字螺丝刀撬一下就拔出来了,从左往右依次是1 2 3 4号

实测接4号紫色的线才有作用,当紫色线外接470欧的阻接地时开天窗,当紫色线外接1K电阻接地时关天窗
下面是开关拆开后的样子,看看就好了,不细说了



好了,把线引出来,顺着风当走到A柱,向下走到穿过储物箱后面,再后引到中控

把线从这里引出来

顺着上面走到A柱

从A柱往下走

走到这里穿过去

再穿到方向盘下面来

与刹车线(之前的贴子里介绍取刹车线,这里不说了),P档线(即P档电磁阀的线,在之前的贴子里有介绍,此线在P档时无电,移除P档有12V电),地线(模块的地线我用P档电磁阀的地线),这四根线做在了一个插头上,(图为点火开关引出线做的插头),最后穿到中控后面
按钮的也应该有插头的![]()


下面的插头我用的是杜邦八针的插头,接按钮上,上面的用的是XH2.45,接模块上。一共五根线,三个灯线,一个启动线,一个地线。
单独的这根灰线是接背景灯的,由于这根线要接到双闪到的插头上,所以就没包在胶布里
单独的这根灰线是接背景灯的,由于这根线要接到双闪到的插头上,所以就没包在胶布里
想了想刹车线简单说一下吧,上图

最右面高位刹车灯线,我是从这根线上取的电,踩刹车时这个线有12V电,这个灯供电是车身控制模块给的,K9第四个插头,11号端子

打开方向盘左下方的储物盒

看到我画红圈的插头

这个就是高位刹车灯的供电线了,我上面说的刹车线就是这根引过去的
到这里,制作模块的线就都介绍完了,下面就开始说模块吧。

总的设计图就是由这一个个小的电路图组成的,我都单独给他们画出来,方便日后的修改及设计


这是个电源模块,买的现成的,我的洞洞板位置不够自己做电源电路了,就买了个现成

我焊了四个脚在上面

这个模块是靠调节这个电位器来调到需要的输出电压值的

按照电路图在面包板上连接一套测试电路(左下角那个黑板子不要认为它很神奇,我就是手里没有普通的150欧的电阻了,在那个板子上焊了几个150欧的电阻插在了面包板上),上面的几个LED并不是成品中需要的,在这个测试板上只是用它来指示我需要动作元件的地方是否动作了

元件动作后点灯相应的LED灯
照片很多,不一一上传了,上面的只是说明测试电路测试通过
。哦对了,上图右面那个黑长条的东西就是 单片机 了,硬件电路是要和程序配合着用的,用下载器把程序写进单片机后,插在这个板子的

等一切室内测试通过后就上车测试了

上车把该接的线接好

启动成功。
朋友告诉灯不对,启动后是只是绿灯亮的,当然成品是改好了的,这次测试的目的只是看能否启动成功,测试电流大小就不多说了,看着我就这么几张照片上传,但这个过程也是很漫长的,很多次测试、改进~

此照片证实点火成功
经过多次测试,方案基本完成,可以把测试电路板变成真的电路板了![]()


洞洞板,初学者必备

这一面是带焊盘的

这个就是单片机,现在还没焊呢,只是设计各元件都摆在哪里,在这么小小的板子上摆这么多东西也是一件非常不容易的事情,得好好设计

我的焊接装备,看起来是有点初级了些![]()


焊完了,我没有把单片机直接焊在板子上,为了方便写程序吧(虽然我设计了写程序的接口),但日后万一这个板子不用了,单片机还是可以用的
。我预留四个跳线帽,其中一个是切换外部供电用的,另外三个并排的就是用了测试电流用


单片机上板,两个月的辛苦百分之九十都在这个块板子上了

在看看背面吧,全是锡接过线,空间真的是用到了极致

远点看看,是不是很小呢?

远处正面

此刻已经是熬了一个通宵了,天都亮了,收拾完工作台,看到自己的作品.......心想:太 T M 困了!还要上班去!
上面这张照片还不是最后我使用的,期间改动了一些地方,这里也不多说了,能看懂的人应该不愿意看我这废话,看不懂的人我说太多也是蒙圈![]()


上车测试,启动成功

再看看夜间的效果,背景灯是随环境灯一起亮的
又是经过了无数次的测试修改......终于可以进行下一步了,按钮的安装及模块的外壳制作!我手里没工具,请了个同事帮忙,这个同事的爱好就是做烟斗,可惜他不抽烟![]()

首先,要把按钮固定在面板上

不要看红圈,看面板上的洞,这是之前安装的启动按钮时开的孔,没办法,只能在这个孔的基础上安装新的按钮了

面板是个孤面,这个槽开起来还是有点难度的

是个细活,说实话,我这同事没有做的好,后来大部分的活还是我自己干的,就借用了他的工具
,包括后面做的外壳(有两具槽他给我开得不是很满意,可是......你知道的~)


按钮就位

后面点了点胶固定

可以看到点的胶

左面这里本来有个孔,整个后面这个固定板就是延用老款君威的,这个原车调配按钮的孔也就存在着,但我的按钮孔位不对着这个孔,也就把这个孔的边缘切开一块儿

按钮和后面的固定板的位置就是这样的了,线还是能插上的
这里插播一项工作,板子背面刷漆!

没买洗板水,找了点白酒 用油画笔把板子后面洗干净 并用吹风机吹干

固化油,接上针头

把固化油挤到板子背

用笔刷均匀,不要太薄,也不在太厚,我这板子后面有贴片电阻,注意贴片电阻不要刷到油

刷完后

由于是紫外线光油,最好是用紫外线照着,我想到我N多年前买的灭蚊灯,一直没用过(看到N多年前我就想到今天了
)


这灭蚊灯真是为这买的,正正好好盖住这个板子

门关上,睡觉喽~

第二天早上起来,干了![]()

下面就开始做板子的外壳了

用的亚克力板,槽挖好后 打上密孔

四个角打上过孔

面板的相应位置也打上过孔

尼龙螺丝(2mm)及隔离柱穿过

穿过可板子后再加一个隔离柱

在下层又加了一层亚克力板

额外又做了块板子用来固定模块

不用我多说了吧,和插板后面一样

这样固定


我拆掉的一键启动就是固定这里的,这里已经有两个自攻击螺丝钻的孔了

这么看就知道是哪里了吧

模块固定在上面

把插头插上

最后中控恢复安装


按一下通电

点火后

完美~
启动方式:(P档时不能启动)
1、P档下,按一下ACC通电,若长按一秒的话通电自检;
2、踩住刹车,按一下启动;
3、启动后非P档,按一下开天窗通风,再按下关天窗;长按五秒,强制熄火;
4、P档时,按一下熄火,自动关闭天窗;
还有一个很重要的说明前面没有提到,我始终没搞明白这个车的方向盘锁是什么形式,总之按照维修手册上的启动逻辑方向盘就是锁不了,所以......
,实现了双启动,在按钮不好使的时候可以使用钥匙点火。
1、P档下,按一下ACC通电,若长按一秒的话通电自检;
2、踩住刹车,按一下启动;
3、启动后非P档,按一下开天窗通风,再按下关天窗;长按五秒,强制熄火;
4、P档时,按一下熄火,自动关闭天窗;
还有一个很重要的说明前面没有提到,我始终没搞明白这个车的方向盘锁是什么形式,总之按照维修手册上的启动逻辑方向盘就是锁不了,所以......

此一键启动模块我命名为 Q1 ,因为我知道后期肯定会改善,还会有Q2、Q3......到此我已经有一些想法去改善模块,只是板子已经焊完了,想大改动是很不容易的一件事儿,所以只能先这么用着,慢慢设计下一版本。
下一版本初步设想:
1、此版本没有成功加入防盗,下一版本将加入;
2、增加安全性,让元件在突然烧坏的情况下不熄火;
3、改善程序。
1、此版本没有成功加入防盗,下一版本将加入;
2、增加安全性,让元件在突然烧坏的情况下不熄火;
3、改善程序。
点击展开剩余98%
加载中